Установите штуцеры в требуемое положение, в соответствии со схемой. Перед установкой смочите уплотнительные кольца водой. Ставится ДО топливного насоса насос плунжерного типа, грязи не любит. Располагайте выход отработанных газов так, чтобы невозможно было его засорение или повреждение при любых условиях эксплуатации. Так работает воздушный обогреватель Воздушная автономная система отопления Webasto имеет следующую конструкцию: Основным элементом является герметично замкнутая камера сгорания. Webasto. Обзор Вебасто Как работает автономный отопитель Webasto. Установка в Спб. Цена Вебасто Starline и Webasto, автозапуск и управление Разбираемся с функциями устройств Вам потребуется соединить два устройства: минитаймер и основной блок сигналки. Отсюда следует вывод: работа иммобилайзера, блокирующего запуск, никак не влияет на возможность включить либо выключить подогреватель. Однако также следует учитывать определенны особенности и нюансы. Поэтому в моем варианте, все что можно, должно быть в салоне.
Задействуется штатное отверстие для косы двигателя. У каждого и всех свои способы подключения, но все они сводятся к соединению вебасты и компа по средствам шнурка или адаптера KKL. За час работы установки в режиме непрерывного обогрева сжигается от 0,1 до 0,25 л топлива в зависимости от модификации. Webasto Thermo Top Evo 5 (W-bus) Емулятор постоянный (-)
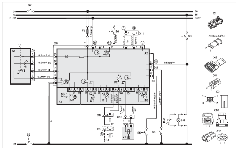
Комплектация оборудования
Горение прекращается, отключается топливный насос, а нагнетатель воздуха и циркуляционный насос подогревателя работают еще некоторое время: производится продувка, в ходе которой камера сгорания подогревателя охлаждается, после чего нагнетатель воздуха и циркуляционный насос автоматически отключаются. На стендах наработки на отказ при работе с предельными нагрузками имитируется эксплуатация подогревателя, эквивалентная 15 годам. Благодаря этому даже на сильном морозе автомобиль заводится очень быстро, и ресурс двигателя существенно экономится.
Мне пришлось поставить воздушный патрубок вместе с резонатором от тойоты карины —й серии, так как родной резонатор в родном патрубке смещен ниже и сам немного другой формы — выступает вниз, упирается в подогреватель.
Там тааааакая дыра, если открутить уплотнение конечно : kaw Дыры оставлять не будем, делаем красиво, протягиваем через гофру. Радиус действия брелка составляет около 1 км, потому, даже находясь в офисе, вы можете прогреть машину к моменту предполагаемой поездки.
Обозначения на корпусе диода Схема подключения вопросов не вызывает, а вот с программированием придется повозиться.
Через некоторое время подогреватель начал гудеть, выхлоп стал горячим. Далее понадобится снять топливный бак, после чего производится установка топливозаборника и его подключение. Рекомендуется монтировать систему выпуска отработанных газов защищённой от брызг.
А силовые пришлось потом на полметра наращивать: kaw Предохранители с реле, опять же очень удачно, расположились на имеющиеся штатные места вместо блока управления ABS возле блока управления двигателем за бардачком. Webasto пробный пуск
Конструкция и принцип функционирования
Конструктивно Вебасто представляет собой компактный прибор, вес которого составляет несколько килограммов. Находится он под капотом транспортного средства, система питания соединяется с автомобильной, а охлаждающий контур – с контуром охлаждения силовой установки.
За управление отвечает электронный модуль, подключенный к бортовой автомобильной сети.
Принцип работы устройства можно описать следующим образом:
- Активируется подача топлива из бака к собственным камерам сгорания подогревателя. Это позволяет повысить температуру охлаждающей жидкости, находящейся внутри теплообменника.
- Активируется циркуляционный насос, благодаря которому подогретая жидкость поступает к мотору. Она нагревает и непосредственно двигатель, и радиатор, обслуживающий салон.
Рекомендуем: Замена масла в коробке автомат фольксваген поло
Рабочий процесс можно полностью автоматизировать, чтобы процесс активировался датчиками, реагирующими на понижение температуры окружающего воздуха, или таймером.
В плане потребления топлива система экономична, средний расход составляет 0.5 литра в течение часа. Полный прогрев автомобиля при таком расходе и температуре воздуха в минус 20 градусов занимает всего четверть часа.
Познавательное видео про предпусковые подогреватели, их устройство, работу и функции на примере Webasto:
Инструкции по эксплуатации отопителей
Примечание в скобках у строчки «энергопотребление» подогревателя видите? Прокачивает ее через радиатор штатного отопителя. Автомобильная сигналка, управляемая брелоками.
Подумываю соорудить теплозащиту для штатного топливного фильтра. Кроме того, установка на сервисе предполагает гарантию на выполненные работы. У автомобилей с топливным насосом нельзя отбирать топливо из подающей линии!
Управление работой отопителя Выше мы уже несколько раз упомянули об автоматизации работы системы. Как правило, никаких дополнительных деталей для установки не требуется. Можно было поставить подогреватель ниже, но у меня в запасе оказался такой, так что просто заменил. Отопитель нельзя устанавливать в помещениях, в которых находятся люди Каждый из рабочих режимов отопителя, по крайней мере, состояния «включен» или «выключен», должны легко определяться. Внешний вид жидкостной модели Принцип работы этого агрегата заключается в использовании ресурсов системы охлаждения двигателя: По сигналу пользователя нажатие кнопки, срабатывание таймера, сигнал с пульта или телефона запускается насос отопителя. За дополнительные управляторы от Webasto — дистанционный пульт Telestart и GSM—пульт ThermoCall просят нереальные деньги их вообще кто-нибудь в здравом уме ставит? Сначала вынимается патрубок, соединяющий термостат с печкой и подсоединяется к входному штуцеру на котле. Примечание: еще одна сложность подключения заключается в протоколах передачи данных, они разные…очень.
После монтажа подогревателя необходимо тщательно удалить воздух из системы охлаждения и топливной системы. Авторство всех материалов сайта kavr. Нарушив последнее правило, своими действиями вы внесете изменения в отлаженную работу сигналки. Вариант, рекомендуемый фирмой Starline Здесь желто-синий и зелено-красный провода — это дополнительные выходы.
Сам обходчик иммобилайзера подключается так. Последний этап — подсоединение к аккумулятору. Подачу топлива не разрешается осуществлять за счет использования силы тяжести или избыточного давления в топливном баке.
По фоткам из инструкции — я знаю, что есть и даже у меня красивые ровные мануалы в pdf-ках. Высокое качество достигается масштабной программой тестов. ✔AIRTRONIC webasto 2.2 kW ✔ СУХОЕ ОТОПЛЕНИЕ в САЛОНЕ АВТОМОБИЛЯ
Варианты использования
Теперь разберемся, как пользоваться Webasto.
Для этого используются следующие технологии:
1. Самый экономичный в финансовом плане вариант – управление при помощи таймера. Стоимость этого модуля минимальна. Его монтируют внутри салона, на передней панели.
Настройка предельно проста, нужно лишь синхронизировать показатели модуля с реальным временем, после чего скорректировать длительность обогрева и периоды запуска. Как правило, интервалы варьируются от 10 минут до часа.
Основное неудобство состоит в том, что параметры нужно постоянно корректировать, ориентируясь на показатели температуры воздуха снаружи. Чем холоднее, тем чаще должна активироваться система.
Посмотрите на видео подробную инструкцию по настройке мини-таймера 1533:

Видео-обзор таймеров Webasto 1533 и MultiControl, плюсы и минусы, а также инструкция по применению:
2. Включение Вебасто кнопкой. Схема основывается на использовании дистанционного пульта, внешне напоминающего брелок от сигнализации. Стоимость выше, в сравнении с таймером, но она компенсируется эксплуатационным удобством.
Средняя дистанция, на который модуль может “поймать” сигнал пульта, составляет километр, чего вполне достаточно для большинства эксплуатационных условий. Расстояние может снижаться из-за наличия физических препятствий между приемником и передатчиком (плотная застройка, толстые стены), а также из-за радиопомех.
Настройки дают возможность владельцу транспортного средства скорректировать временные промежутки, в течение которых пусковые показатели будут поддерживаться. Брелок дистанционного запуска имеет двустороннюю связь с транспортным средством, то есть он подтверждает тот факт, что система ответила на его команду и сработала.
Чтобы настроить пульт, никаких специальных действий проводить не нужно. Он изначально функционирует на необходимой частоте. В использовании пульта никаких сложностей нет, достаточно беречь его от загрязнений и попадания прямых солнечных лучей, чтобы свести к минимуму вероятность повреждения.
Видео-описание управления Вебасто с помощью дистанционного пульта T91 9028761A:
3. Запуск Вебасто с сотового телефона – наиболее дорогой способ (стоимость примерно в полтора раза выше, чем в случае с пультом), но дороговизна компенсируется удобством, радиусом действия без ограничений, устойчивостью к отказам и помехам.
Чтобы реализовать данную технологию, на модуль монтируется блок GSM. Как включить систему? Она реагирует на текстовое сообщение, посылаемое с определенного номера, сохраненного в памяти.
Максимальное количество номеров – 5 штук. Наиболее современный способ – управление посредством специального приложения, установленного на смартфоне. Оно позволяет не просто активировать прогрев, но и поддерживать двустороннюю связь, отслеживать текущее состояние мотора.
Посмотрите видео, как пользоваться приложением Thermo Call от фирмы Вебасто для смартфонов на платформе Андроид:
Интересное видео, как сделать дистанционный запуск Webasto с обычного телефона:
Нюансы эксплуатации
Инструкция по эксплуатации Вебасто обязательна к соблюдению, так как она позволяет избежать множества проблем, связанных с ошибками. Наибольшего внимания заслуживают следующие моменты:
- Запрещается подвергать элементы системы внешним механическим воздействиям, статическому электричеству, контактам с агрессивными химическими веществами, погружать их в жидкость. К негативным последствиям могут привести и включения при высокой внешней температуре и влажности воздуха.
- В целях личной безопасности нельзя активировать систему в закрытом помещении. Несмотря на минимальное потребление топлива, она продуцирует выхлопные газы, так что сохраняется риск удушья.
- Если система активируется с посторонними звуками, ее работа связана с выделением дыма (даже в малых объемах), неприятных запахов, рекомендуется немедленная блокировка путем снятия предохранителя и визит в специализированный сервис.
- Инструкция по применению гласит, что в предпусковой системе обогрева можно использовать исключительно определенный сорт топлива. Аналогичное правило распространяется и на незамерзающую жидкость. Единожды в месяц система активируется при холодной силовой установке, вентилятор устанавливается на минимальную мощность. Время работы в таком режиме – 10 минут.
Такая мера – профилактика, дающая возможность свести к минимуму вероятность поломок в дальнейшем.
- Предельное время работы системы предпускового обогрева – час. Несколько стартов подряд категорически не рекомендуются. Чтобы исключить преждевременный разряд аккумуляторной батареи, следует дать мотору поработать еще несколько минут после отключения системы.
Посмотрите интересное видео, 3 года с Webasto — ответы на некоторые вопросы:
Первый пуск
Нельзя забывать о руководстве при первом старте. Система имеет два рабочих режима: зимний и летний.
Изначально она стоит на зимнем режиме, обеспечивающем подогрев салона. Летний аналог ориентирован только на вентиляцию.
- Если вы планируете эксплуатировать именно зимний режим, то штатное устройство отопления устанавливается на позицию “тепло”.
- Трехступенчатый вентилятор устанавливается на первом делении, четырехступенчатый – на втором.
Далее система функционирует автоматически, определяя оптимальную эффективность на основе конкретных рабочих показателей. Впрочем, всегда можно внести корректировки и вручную.
К примеру, водитель может отрегулировать интенсивность функционирования основного отопительного модуля вращением ручки термостата. Да, система способна работать автоматически, подстраивая производительность под температурную разницу.
Вращение управляющей ручки в правую сторону позволяет увеличивать интенсивность вручную.
В целях безопасности на панели предусмотрен специальный индикатор, который оповещает водителя о возникновении неисправности.
Смотрите видео, где рассказывается и показывается о функциях и настройках пульта управления системой обогрева двигателя Webasto:
Дизельные силовые установки
Вебасто для дизельного двигателя – это насущная необходимость. Многим водителям машин на солярке знакомы проблемы с запуском, в особенности, если речь идет о регионах с экстремально холодными зимами.
Связано это с тем, что дизель более уязвим для холода, в сравнении с бензиновыми аналогами. В эксплуатационном плане никаких отличий нет, система также отвечает за предварительный прогрев, не дает густеть топливу и техническим жидкостям, циркулирующим в моторе.
Видео по теме, запуск Nissan Safari (TD42) с Webasto в -32°С:
Схемы подключения
Это будет разумно, так как мастера на станции имеют огромный опыт и выполнят все требования технического регламента по установке прибора. Поэтому стоимость его достаточно высока.
Если на автомобиле имеется обратный клапан на обратной линии к баку, то нельзя отбирать топливо из обратной линии. Полезный совет: для повышения эффективности работы подогревателя его следует располагать по возможности ближе к блоку цилиндров. Выводим в моторный отсек линию с разъемами для самого подогревателя и оба силовых провода.
В салон уходит линия к минитаймеру.
Задачей модуля после получения команды становится активация отопителя. Подключение таймера осуществляется также по этой схеме. Некоторые ссылки: — Уже старый ресурс , но можно почитать разное интересное по прошлым моделям подогревателей, опыт, схемы, ссылки. Длина топливопровода должна быть как можно более короткой.
Рекомендуем: Прокладка кабеля 0 4 кв в земле
Глушим двигатель. Тем, кто подолгу стоит в пробках, очередях и т. Это будет разумно, так как мастера на станции имеют огромный опыт и выполнят все требования технического регламента по установке прибора.
Эталонные подогреватели Подогреватель Webasto быстро и эффективно прогревает двигатель. Важнейшими положениями при этом являются следующие: Топливопроводы должны быть выполнены таким образом, чтобы перекашивание автомобиля, движения двигателя и пр. Выставляем время на минитаймере. Провода с дополнительных выходов могут идти на штатные точки подключения автосигнализации. Это будет разумно, так как мастера на станции имеют огромный опыт и выполнят все требования технического регламента по установке прибора.
Описание и назначение автономного подогревателя Вебасто
Теперь работы затрагивают штатную систему охлаждения. Врезка отопителя в охлаждающий контур должна производиться в подающий трубопровод теплообменника автомобиля.
Водяной отопитель подключается к автомобильной системе охлаждения, топливной и электрической системе автомобиля. Кроме того, необходимо организовать хорошее освещение и в том числе при помощи переносной лампы. В онлайновых изданиях разрешается только краткая аннотация с ссылкой на исходную статью. После такого запуска нужно дать поработать мотору на ХХ минут. Установка Webasto своими руками




