Эсуд (электронная система управления двигателем) или ЭБУ (электронный блок управления) для ВАЗ 2114 — ключевой элемент, обеспечивающий эффективную работу двигателя. В статье рассмотрим, что такое эсуд, как он функционирует и какую роль играет в производительности и экономичности автомобиля. Понимание работы ЭБУ поможет владельцам ВАЗ 2114 лучше заботиться о своем автомобиле и выявлять неисправности, что способствует увеличению срока службы и надежности транспортного средства.
Модификации и распиновка ЭБУ ВАЗ 2114
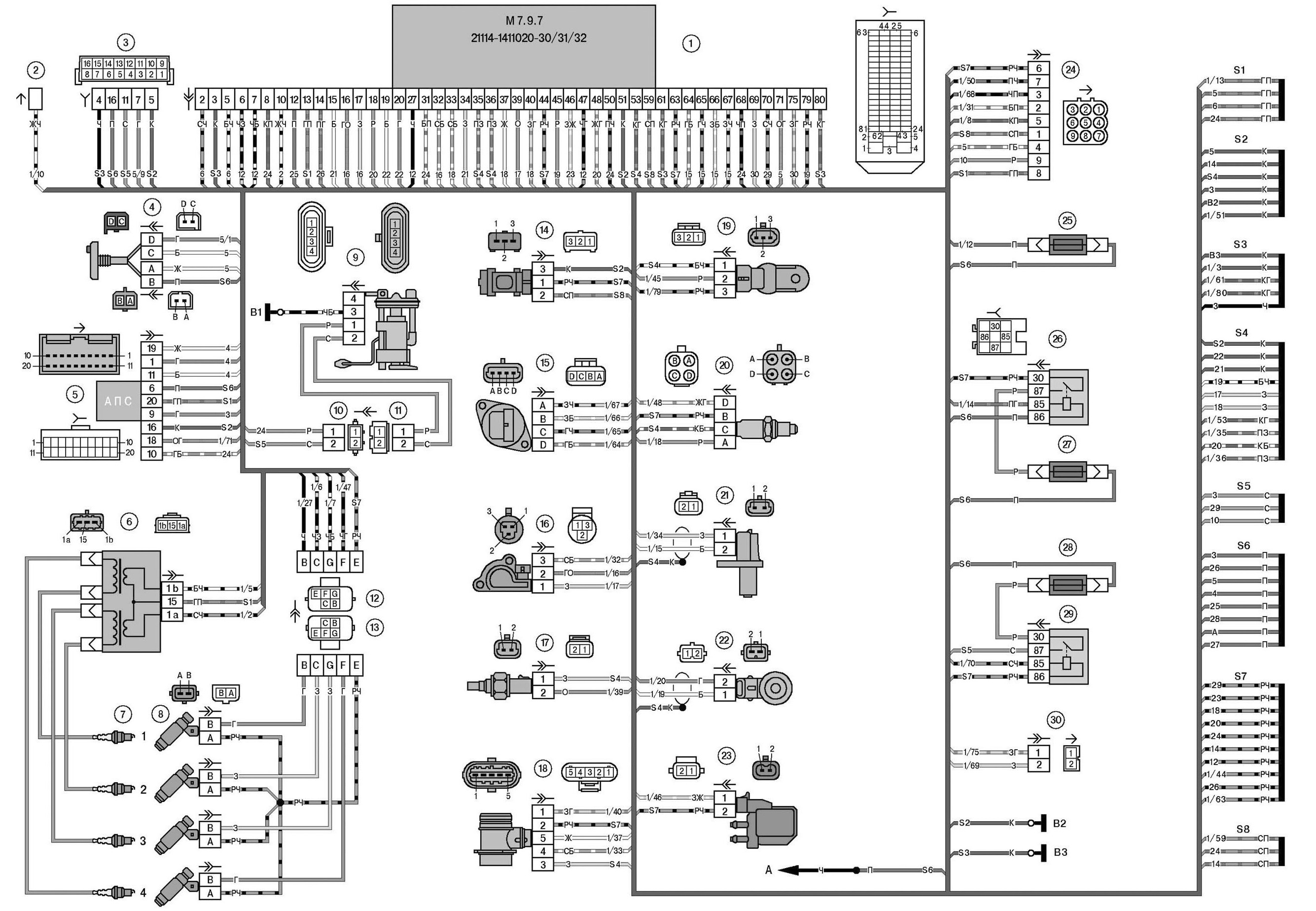
В данной статье мы подробно рассмотрим распиновку блока управления ЭБУ ВАЗ 2114, а также все его модификации и особенности. Как известно, современный автомобиль представляет собой сложную систему, состоящую из множества датчиков и механизмов. Эти компоненты позволяют извлекать максимальную мощность из двигателя, не увеличивая его объем. Для того чтобы самостоятельно выполнять ремонт электроники и осуществлять прошивку, необходимо понимать, что такое блок управления и на каких принципах он работает.
Эксперты отмечают, что ЭСУД (электронная система управления двигателем) на автомобилях ВАЗ, в частности модели 2114, играет ключевую роль в обеспечении эффективной работы двигателя. Эта система отвечает за управление подачей топлива, зажиганием и другими важными параметрами, что позволяет оптимизировать расход топлива и снизить уровень выбросов. Специалисты подчеркивают, что правильная настройка ЭСУД может значительно повысить динамические характеристики автомобиля и его надежность. Кроме того, современные ЭБУ (электронные блоки управления) обладают функциями самодиагностики, что упрощает процесс выявления и устранения неисправностей. Важно отметить, что регулярное обновление программного обеспечения ЭСУД может улучшить производительность и адаптировать систему к изменениям в условиях эксплуатации.

Где находится ЭБУ ВАЗ 2114?
Блок расположен в торпеде, прямо под панелью приборов. Для того чтобы заменить или демонтировать его, необходимо открутить саморезы и аккуратно извлечь панель с правой стороны, со стороны пассажира. Через образовавшееся отверстие можно увидеть корпус электронного блока управления (ЭБУ), который закреплен внутри металлического фиксатора.
Чтобы снять ЭБУ, нужно открутить болт и осторожно вытащить корпус, придерживаясь за фиксатор. Важно помнить, что перед выполнением этих действий следует отключить питание от бортовой сети, иначе есть риск повредить дорогостоящую электронику. Короткое замыкание может стать серьезной проблемой для любого электрического устройства, поэтому действуйте осторожно. Рекомендуется не только отключать массу от аккумулятора, но и отсоединять плюсовой провод.
| Параметр | ЭСУД (ЭБУ) | Описание |
|---|---|---|
| Название | Электронная система управления двигателем (ЭСУД) / Электронный блок управления (ЭБУ) | Компьютер, управляющий работой двигателя автомобиля. |
| Функции | Управление впрыском топлива, зажиганием, холостым ходом, диагностика неисправностей. | Оптимизирует работу двигателя для достижения максимальной мощности, экономичности и экологичности. |
| Основные компоненты | Микропроцессор, память (ПЗУ, ОЗУ), аналого-цифровой преобразователь (АЦП), драйверы управления. | Обеспечивают обработку данных с датчиков и выдачу управляющих сигналов на исполнительные механизмы. |
| Датчики, с которыми работает | Датчик положения коленвала (ДПКВ), датчик положения распредвала (ДПРВ), датчик массового расхода воздуха (ДМРВ), датчик температуры охлаждающей жидкости (ДТОЖ), датчик кислорода (лямбда-зонд), датчик положения дроссельной заслонки (ДПДЗ). | Передают информацию о текущем состоянии двигателя и окружающей среды в ЭБУ. |
| Исполнительные механизмы, которыми управляет | Форсунки, катушки зажигания, регулятор холостого хода (РХХ), бензонасос, вентилятор охлаждения. | Получают команды от ЭБУ и выполняют необходимые действия для регулировки работы двигателя. |
| Прошивка | Программное обеспечение, записанное в память ЭБУ. | Определяет логику работы системы, параметры впрыска, зажигания и другие настройки. Может быть изменена (чип-тюнинг). |
| Диагностика | Возможность считывания кодов ошибок, просмотра параметров работы двигателя в реальном времени. | Позволяет быстро выявлять и устранять неисправности в работе двигателя. |
| Расположение на ВАЗ 2114 | Обычно находится под панелью приборов, за бардачком или в районе центральной консоли. | Местоположение может незначительно отличаться в зависимости от года выпуска и комплектации. |
| Типы ЭБУ для ВАЗ 2114 | Январь (5.1, 7.2), Bosch (M1.5.4, MP7.0), Ителма (VS5.1, M73). | Различные производители и версии блоков, отличающиеся функционалом и возможностями. |
| Признаки неисправности | Нестабильная работа двигателя, повышенный расход топлива, снижение мощности, загорание индикатора «Check Engine». | Могут указывать на проблемы с ЭБУ или связанными с ним датчиками/исполнительными механизмами. |
Интересные факты
Вот несколько интересных фактов о системе ЭСУД (электронная система управления двигателем) и ЭБУ (электронный блок управления) для автомобилей ВАЗ 2114:
-
Интеллектуальное управление: ЭБУ ВАЗ 2114 использует различные датчики для мониторинга работы двигателя и других систем автомобиля. Это позволяет ему адаптировать параметры работы двигателя, такие как угол зажигания и количество впрыскиваемого топлива, в зависимости от условий эксплуатации, что способствует повышению экономичности и снижению выбросов.
-
Диагностика и самодиагностика: ЭСУД ВАЗ 2114 включает функцию самодиагностики, которая позволяет выявлять неисправности в системе. При возникновении проблемы ЭБУ может выдавать коды ошибок, которые можно считать с помощью специального оборудования или даже простого диагностического адаптера, что упрощает процесс ремонта и обслуживания автомобиля.
-
Совместимость с газом: Многие владельцы ВАЗ 2114 устанавливают газобаллонное оборудование (ГБО). ЭБУ может быть адаптирован для работы как на бензине, так и на газе, что позволяет значительно снизить эксплуатационные расходы. Современные системы ГБО могут интегрироваться с ЭСУД, что обеспечивает оптимальное управление подачей топлива в зависимости от типа используемого топлива.

Как работает ЭБУ?
В центре системы управления находится микропроцессор, который обеспечивает корректное функционирование всех основных компонентов автомобиля. В модели ВАЗ 2114 электронный блок управления (ЭБУ) получает информацию от различных датчиков:
- Скорости движения.
- Детонации.
- Лямбда-зонда.
- Датчика положения коленчатого вала (ДПКВ).
- Расхода воздуха.
- Датчика положения дроссельной заслонки (ДПДЗ).
- Фаз впрыска топливно-воздушной смеси.
- Температуры охлаждающей жидкости (ОЖ).
Эти датчики собирают данные о работе двигателя внутреннего сгорания. Но для чего именно они это делают? Правильно, чтобы управлять следующими исполнительными механизмами:
- Системой подачи топлива (включая насос и форсунки).
- Системой зажигания.
- Адсорбером.
- Вентиляцией.
- Регулятором холостого хода (это не датчик, а исполнительный элемент, не путайте).
- Автоматической диагностикой.
Структурная схема электронного блока управления ВАЗ 2114 включает три каскада, каждый из которых содержит свои модули памяти:
- ОЗУ (оперативная память) – это система с кратковременным хранением данных. В ней фиксируются все ошибки, возникшие во время текущего запуска двигателя. При отключении зажигания (и обесточивании ЭБУ) информация стирается и обновляется при следующем запуске.
- ППЗУ – программируемое постоянное запоминающее устройство. В этом блоке хранится топливная карта (прошивка) ЭБУ, а также результаты калибровки систем. Главное, что в этой памяти заложен алгоритм управления двигателем внутреннего сгорания. Эта память постоянная и не теряется даже при полном отключении бортовой сети. Именно этот блок программируется во время процедуры «прошивки» для улучшения характеристик автомобиля ВАЗ 2114.
- Последний блок – ЭРПЗУ. Этот модуль необходим для нормального функционирования противоугонной системы. В нем хранятся пароли и кодировки. Запуск двигателя возможен только при совпадении данных, которые обмениваются иммобилайзером и ЭРПЗУ.
Ремонт и диагностика блоков управления
В контроллере ВАЗ 2114 часто возникают неисправности. В системе предусмотрена функция самодиагностики, которая позволяет ЭБУ проверять все компоненты и выдавать заключение о их работоспособности. Если какой-либо элемент выходит из строя, на приборной панели загорается индикатор «Check Engine». Определить, какой именно датчик или исполнительный механизм неисправен, можно только с помощью специализированного диагностического оборудования. Даже с помощью популярного OBD-Scan ’а ELM-327, который многие ценят за простоту в использовании, можно считать все параметры работы двигателя, выявить ошибку, устранить ее и удалить из памяти ЭБУ ВАЗ 2114.
Однако просто удалять ошибки неправильно. Будьте внимательны, ведь неисправности не возникают на пустом месте. Примером может служить случай с знакомым, у которого сломался датчик кислорода. Он решил удалить ошибку, чтобы «не бросалась в глаза», но причина заключалась в неисправном лямбда-зонде. А что делать, если ЭБУ вообще не реагирует на сканер? В таком случае проверьте следующее:
- Наличие механических повреждений корпуса, включая окисление и коррозию.
- Исправность предохранителя, наличие напряжения и соединения с минусом питания.
- Отсутствие перегрева устройства.
Попробовать самостоятельно отремонтировать блок управления вряд ли получится, так как это очень тонкая работа. Своими силами можно лишь заменить его на новый.

Типы ЭБУ ВАЗ 2114
Автомобиль производился на протяжении более десяти лет, и за это время он постоянно улучшался, а его характеристики становились все более впечатляющими. Это, безусловно, стало возможным благодаря внедрению современных двигателей, датчиков и исполнительных механизмов. Однако ключевым фактором стали блоки управления, которые обеспечивают значительно более высокую скорость работы (все знакомы с понятием частоты процессоров, именно этот параметр в значительной степени определяет характеристики современных двигателей внутреннего сгорания).
Январь-4 и GM-09
До 2003 года осуществлялась установка этих электронных блоков управления. Они имели весьма разнообразный модельный ряд, основное отличие заключалось в наличии или отсутствии датчика детонации резонансного типа. Стоимость ЭБУ ВАЗ 2114 модели «Январь-4» не превышает 6000 рублей. Модификации представлены в следующей таблице:
| 21114-1411020-22 | Январь-4, без датчика кислорода, РСО, первая серийная версия |
| 21114-1411020-22 | Январь-4, без датчика кислорода, РСО, вторая серийная версия |
| 21114-1411020-22 | Январь-4, без датчика кислорода, РСО, третья серийная версия |
| 21114-1411020-22 | Январь-4, без датчика кислорода, РСО, четвертая серийная версия |
| 21114-1411020-20 | GM, GM_EFI-4, 2111 с датчиком кислорода, USA-83 |
| 21114-1411020-21 | GM, GM_EFI-4, 2111 с датчиком кислорода, ЕВРО-2 |
| 21114-1411020-10 | GM, GM_EFI-4, 2111 с датчиком кислорода |
| 21114-1411020-20ч | GM, РСО |
Электронные блоки управления ИТЕЛМА 5.1, Январь 5.1.Х, Bosch M1.5.4
Эти электронные блоки управления (ЭБУ) относятся к новому поколению и успешно использовались на моделях автомобилей 2113 и 2115. Если вы владелец ВАЗ 2114, выпущенного в 2013 году или позже, вы можете заметить, что его система впрыска топливовоздушной смеси отличается от других: она может быть фазированной, парно-параллельной или одновременной. В целом, все три типа ЭБУ (Январь, Бош и Ителма) являются полными аналогами друг друга. Рассмотрим модификации «Январь» и ИТЕЛМА:
| 21114-1411020-71 | Январь-5.1.1, без датчика кислорода, СО |
| 21114-1411020-71 | Январь-5.1.1, без датчика кислорода, СО |
| 21114-1411020-71 | Январь-5.1.1, без датчика кислорода, СО |
| 21114-1411020-71 | Январь-5.1.1, без датчика кислорода, СО |
| 21114-1411020-71 | Январь-5.1.1, без датчика кислорода, СО |
| 21114-1411020-72 | ИТЕЛМА, без датчика кислорода, СО |
| 21114-1411020-72 | ИТЕЛМА, без датчика кислорода, СО |
| 21114-1411020-72 | ИТЕЛМА, без датчика кислорода, СО |
| 21114-1411020-72 | ИТЕЛМА, без датчика кислорода, СО |
Теперь рассмотрим модификации электронных блоков управления БОШ:
| 21114-1411020 | Без датчика кислорода, РСО |
| 21114-1411020 | Без датчика кислорода, СО (регулируется сканером СО) |
| 21114-1411020-70 | БОШ, без датчика кислорода, РСО |
| 21114-1411020-70 | БОШ, без датчика кислорода, РСО |
На автомобилях ВАЗ 2114, выпущенных в период с 2003 по 2007 год, чаще всего устанавливается блок «Январь-5.1.1». Стоимость такого блока варьируется от 7000 до 8000 рублей. На экспортных версиях автомобилей, как правило, устанавливался блок Бош, цена которого аналогична.
«Январь-7.2», Бош М-7.9.7
Модификация от седьмого января зависит от размера двигателя. Блоки управления BOSCH устанавливались только на автомобили, предназначенные для экспорта (они соответствовали экостандарту ЕВРО-3). Полуторалитровые восьмиклапанные двигатели комплектовались следующими ЭБУ:
| 21114-1411020-80 | БОШ-7.9.7,Е-2,1,5литр.,1-ая серийная версия |
| 21114-1411020-80ч | БОШ-7.9.7,Е-2,1,5литр.,тюнинг |
| 21114-1411020-80 | БОШ-7.9.7+,Е-2,1,5литр., |
| 21114-1411020-80 | БОШ-7.9.7+,Е-2,1,5литр., |
| 21114-1411020-30 | БОШ-7.9.7,Е-3,1,5литр.,1-ая серийная версия |
| 21114-1411020-81 | ЯНВАРЬ_7.2,Е-2,1,5литр.,1-ая_серийная версия неудачная,замена_А203EL36 |
| 21114-1411020-81 | ЯНВАРЬ_7.2,Е-2,1,5литр.,2-ая_серийная_версия неудачная,замена_А203EL36 |
| 21114-1411020-81 | ЯНВАРЬ_7.2,Е-2,1,5литр.,3-я_серийная_версия |
| 21114-1411020-82 | ИТЭЛМА,с датчиком кислорода,Е-2,1,5литр,1-я_версия |
| 21114-1411020-82 | ИТЭЛМА,с датчиком кислорода,Е-2,1,5литр,2-я_версия |
| 21114-1411020-82 | ИТЭЛМА,с датчиком кислорода,Е-2,1,5литр,3-я_версия |
| 21114-1411020-80ч | БОШ_797,без датчика кислорода,Е-2,дин.,1,5литра |
| 21114-1411020-81ч | ЯНВАРЬ_7.2,без датчика кислорода,СО,1,5литр |
| 21114-1411020-82ч | ИТЭЛМА,без датчика кислорода,СО,1,5литр |
Для двигателей объемом 1,6 литра:
| 21114-1411020-30 | BOSCH_797,E-2,1.6L,1-я_серия(глюки в ПО) |
| 21114-1411020-30 | BOSCH_797,E-2,1.6L,2-я_серия |
| 21114-1411020-30 | BOSCH_797+,E-2,1.6L,1-я_серия |
| 21114-1411020-30 | BOSCH_797+,E-2,1.6L,2-я_серия |
| 21114-1411020-20 | BOSCH_797+,E-3,1.6L,1-я_серия |
| 21114-1411020-10 | BOSCH_797,E-3,1.6L,1-я_серия |
| 21114-1411020-40 | BOSCH_797,E-2,1.6L |
| 21114-1411020-31 | ЯНВАРЬ_7.2,Е-2,1.6L,1-я_серия(неудачная) |
| 21114-1411020-31 | ЯНВАРЬ_7.2,Е-2,1.6L,2-я_серия |
| 21114-1411020-31 | ЯНВАРЬ_7.2,Е-2,1.6L,3-я_серия |
| 21114-1411020-31 | ЯНВАРЬ_7.2+,Е-2,1.6L,1-я_серия,новая_аппаратная версия |
| 21114-1411020-32 | ИТЭЛМА_7.2,Е-2,1.6L,1-я_серия |
| 21114-1411020-32 | ИТЭЛМА_7.2,Е-2,1.6L,2-я_серия |
| 21114-1411020-32 | ИТЭЛМА_7.2,Е-2,1.6L,3-я_серия |
| 21114-1411020-32 | ИТЭЛМА_7.2+,Е-2,1.6L,1-я_серия,новая_аппаратная версия |
| 21114-1411020-30Ч | BOSCH_с датчиком кислорода,Е-2,дин,1,6L |
| 21114-1411020-31Ч | ЯНВАРЬ_7.2,без датчика кислорода,СО,1.6литр. |
Самой последней модификацией является электронный блок управления ЯНВАРЬ-7.3, который обеспечивает управление восьмиклапанными моторами объемом 1,6 литра, выпущенными с 2007 года. Модификации Январь-7.3 могли соответствовать экостандартам ЕВРО-3 и 4, и производились на заводах АВТЭЛ и ИТЭЛМА.
Советы по модернизации и тюнингу ЭБУ ВАЗ 2114
Модернизация и тюнинг ЭБУ (электронного блока управления) ВАЗ 2114 — это процесс, который позволяет значительно улучшить характеристики автомобиля, повысить его производительность и экономичность. Однако, прежде чем приступить к изменениям, важно понимать, какие аспекты можно изменить и как это повлияет на работу автомобиля.
Первым шагом в модернизации ЭБУ является его перепрограммирование. Это может включать в себя изменение параметров впрыска топлива, угла зажигания и других критически важных настроек. Для этого потребуется специальное программное обеспечение и оборудование, такие как адаптеры для подключения к ЭБУ и компьютеры с соответствующими программами. Перепрограммирование позволяет адаптировать работу двигателя под конкретные условия эксплуатации, например, под использование высокооктанового топлива или установку спортивного выхлопа.
Следующий аспект — это установка дополнительных датчиков. Например, установка датчика давления наддува может помочь в более точном управлении турбонаддувом, что, в свою очередь, повысит мощность двигателя. Также можно рассмотреть возможность установки датчиков температуры воздуха и топлива, которые позволят ЭБУ более точно регулировать состав смеси и улучшить общую эффективность работы двигателя.
Не менее важным является и выбор качественных компонентов для системы впрыска. Замена стандартных форсунок на более производительные может значительно улучшить подачу топлива и, соответственно, мощность двигателя. Однако стоит помнить, что такие изменения требуют соответствующей настройки ЭБУ, чтобы избежать проблем с работой двигателя.
Также стоит обратить внимание на систему охлаждения. Установка более производительного радиатора или водяного насоса может помочь избежать перегрева двигателя при повышенных нагрузках, что особенно актуально для автомобилей, подвергающихся тюнингу. ЭБУ может быть настроен на более агрессивные режимы работы, но при этом необходимо обеспечить надежное охлаждение.
Важно помнить, что любые изменения в ЭБУ должны проводиться с учетом общей схемы работы автомобиля. Неправильная настройка может привести к ухудшению динамических характеристик, увеличению расхода топлива и даже поломке двигателя. Поэтому рекомендуется обращаться к профессионалам, которые имеют опыт работы с ЭБУ ВАЗ 2114 и могут предложить оптимальные решения для модернизации.
В заключение, модернизация ЭБУ ВАЗ 2114 — это сложный, но интересный процесс, который может значительно улучшить характеристики автомобиля. Однако, чтобы добиться желаемого результата, необходимо учитывать множество факторов и подходить к изменениям с умом.
Вопрос-ответ
Что такое эсуд ВАЗ 2114?
Электронный блок управления двигателем, сокращенно (ЭБУ, ЭСУД, контролёр), представляет собой электронное устройство, которое, используя различные сигналы от датчиков двигателя, управляет составом и количеством подаваемого топлива в двигатель.
Как понять, что ДМРВ умирает ВАЗ 2114?
Заводим мотор, газуем, смотрим, как меняются показания. Если они застыли на одном месте — датчик пора менять. Другой вариант — подключить OBD2-сканер и посмотреть в реальном времени, сколько воздуха видит ЭБУ. Если расход на холостых сильно отличается от стандартных 5–10 кг/ч, значит, ДМРВ уже неисправен.
Советы
СОВЕТ №1
Изучите руководство пользователя вашего автомобиля. В нем содержится информация о работе ЭСУД (электронной системы управления двигателем) и ее настройках, что поможет вам лучше понять, как система взаимодействует с другими компонентами автомобиля.
СОВЕТ №2
Регулярно проверяйте состояние ЭБУ (электронного блока управления). Обратите внимание на наличие ошибок или неисправностей, которые могут быть выявлены с помощью диагностического оборудования. Это поможет предотвратить серьезные поломки и повысить надежность работы автомобиля.
СОВЕТ №3
Не игнорируйте обновления программного обеспечения ЭБУ. Производители часто выпускают обновления, которые могут улучшить работу системы, повысить экономию топлива и снизить уровень выбросов. Убедитесь, что ваш ЭБУ обновлен до последней версии.
СОВЕТ №4
Обратитесь к профессионалам при возникновении проблем с ЭСУД. Если вы заметили нестандартное поведение автомобиля, лучше не пытаться решить проблему самостоятельно, а обратиться к квалифицированному специалисту, который сможет провести диагностику и устранить неисправности.





