В статье рассмотрим проблему владельцев автомобилей ВАЗ 2114 — отсутствие света в противотуманных фарах. Противотуманки важны для безопасности на дороге в условиях плохой видимости, поэтому их исправная работа критична. Разберем причины неисправности и предложим рекомендации по диагностике и ремонту, чтобы вернуть противотуманки в рабочее состояние и повысить безопасность поездок.
Не горят противотуманки на ВАЗ 2114: ищем причины
Противотуманные фары — это элемент светового оборудования, который не является обязательным для всех моделей автомобилей. Их можно установить на автомобиле по желанию, в автосалонах, предлагающих новые машины.
Следует отметить, что в условиях нашего климата противотуманные фары становятся весьма полезным дополнением. Особенно это актуально, учитывая, что стандартное освещение на автомобилях ВАЗ часто не справляется с задачей обеспечения хорошей видимости в дождливую погоду. В таких ситуациях включенные противотуманные фары значительно улучшают видимость на дороге.
Эксперты отмечают, что проблема с неработающими противотуманными фарами на ВАЗ 2114 может быть связана с несколькими факторами. Во-первых, стоит проверить предохранители, так как их перегорание является распространенной причиной. Во-вторых, необходимо осмотреть проводку на наличие повреждений или коррозии, что также может привести к отсутствию питания. Кроме того, специалисты рекомендуют обратить внимание на сами лампы: они могут просто перегореть. Если все вышеперечисленные элементы в порядке, возможно, стоит проверить реле, отвечающее за работу противотуманок. В случае, если проблема не решается, рекомендуется обратиться к квалифицированному механику для более детальной диагностики.

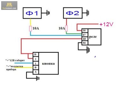
Схема подключения ПТФ
Иногда возникают ситуации, когда противотуманные фары (ПТФ) не включаются, и это может касаться как одной, так и обеих фар. Причины, по которым противотуманки на ВАЗ 2114 могут не работать, могут быть разнообразными, но основной фактор — это образование окислов или коррозии в ключевых участках электрической цепи, ведущей к фарам.
Перед тем как углубиться в анализ всех возможных причин, полезно ознакомиться с принципиальной схемой подключения противотуманных фар к бортовой электросистеме автомобиля.
Схема выглядит следующим образом:
На ней можно увидеть следующие обозначения:
- Прямоугольники розового цвета — 10-амперные предохранители;
- Ф1 и Ф2 — противотуманные фары;
- Символ заземления — соединение с массой;
- +12V — выход на положительную клемму аккумулятора.
| Причина неисправности | Возможные проявления | Решение проблемы |
|---|---|---|
| Перегорела лампа | Одна или обе противотуманки не горят | Замена перегоревшей лампы |
| Неисправен предохранитель | Обе противотуманки не горят, другие электроприборы работают | Проверка и замена предохранителя в блоке предохранителей |
| Неисправно реле | Обе противотуманки не горят, предохранитель цел | Проверка и замена реле противотуманных фар |
| Обрыв проводки | Одна или обе противотуманки не горят, лампы и предохранитель целы | Поиск и устранение обрыва в проводке, проверка контактов |
| Неисправен переключатель | Противотуманки не включаются, другие функции переключателя работают | Проверка и замена переключателя противотуманных фар |
| Плохой контакт в разъеме | Одна или обе противотуманки периодически не горят или мигают | Проверка и очистка контактов в разъемах, при необходимости замена разъема |
| Коррозия контактов | Противотуманки не горят, контакты окислены | Очистка контактов от коррозии, обработка специальными средствами |
| Неисправен блок управления светом (если есть) | Противотуманки не включаются, другие функции света работают | Диагностика и ремонт/замена блока управления светом |
Интересные факты
Вот несколько интересных фактов, связанных с проблемой неработающих противотуманных фар на ВАЗ 2114:
-
Проблемы с проводкой: Одной из самых распространенных причин, по которой противотуманные фары перестают работать, является повреждение проводки. ВАЗ 2114, как и многие другие автомобили, может иметь проблемы с изоляцией проводов, что приводит к коротким замыканиям или обрывам. Проверка проводки и соединений может помочь выявить и устранить проблему.
-
Реле и предохранители: В системе противотуманных фар ВАЗ 2114 используются реле и предохранители, которые могут выйти из строя. Если предохранитель перегорел или реле не работает, это может привести к тому, что фары не будут включаться. Замена предохранителя или реле — это простое и быстрое решение, которое может восстановить работоспособность противотуманных фар.
-
Регулировка и установка: Иногда проблема может заключаться не только в электрической части, но и в неправильной установке или регулировке самих противотуманных фар. Если фары установлены неправильно или их угол наклона не соответствует стандартам, это может привести к тому, что они не будут светить должным образом или вообще не будут включаться. Правильная установка и регулировка могут значительно улучшить их работу.

Основные причины неисправности ПТФ
Наиболее распространенные причины, по которым противотуманки на ВАЗ 2114 могут не функционировать, включают в себя следующие:
- сгоревший предохранитель;
- перегоревшие лампочки;
- окисление контактов;
- отсутствие контакта с «массой»;
- неисправность кнопки;
- поломка реле.
Кроме того, существуют и другие, менее распространенные причины, которые мы также обсудим ниже.
Первой и наиболее частой причиной является сгоревший предохранитель.
Каждая противотуманка имеет свой собственный предохранитель — F9 и F8 в блоке, каждый из которых рассчитан на ток в 7,5 Ампер. В некоторых случаях предохранителей, отвечающих за защиту противотуманных фар, может не быть в общем блоке.
Это может произойти, если автомобиль был куплен с рук, и ПТФ были установлены предыдущим владельцем самостоятельно. В таком случае стоит проверить вход на плату, где расположены сами фары. Часто при самостоятельной установке предохранитель крепят именно в этом месте.
При замене предохранителя обязательно используйте элемент на 7,5 А. Предохранитель с более высоким током не сможет защитить фары от скачков напряжения, а с более низким — будет перегорать слишком часто.
Если обе противотуманки не горят одновременно, то, скорее всего, проблема не в предохранителе, так как выход из строя сразу двух защитных элементов встречается довольно редко.
Следующей причиной, по которой противотуманки могут не работать, является перегорание лампочек. Для проверки достаточно выкрутить старые лампы и установить новые.
Еще одной распространенной причиной, особенно в условиях средней полосы, является окисление контактных разъемов самих фар. В таких случаях часто наблюдается моргание или прерывистая работа лампочек. Чтобы устранить эту проблему, достаточно очистить контакты фар, используя шкурку с мелким зерном или протерев их WD-40, уайт-спиритом или керосином.
Также может окисляться контакт, идущий от минуса аккумулятора к корпусу (на «массу»). Если это произошло, место соединения следует тщательно очистить, как описано выше.
Еще одной причиной, по которой противотуманные фары могут не включаться, является неисправность кнопки на передней панели, предназначенной для включения ПТФ. Проверить ее работоспособность можно двумя способами: подключив новую кнопку (если она есть) или прозвонив кнопку мультиметром. Если кнопка оказалась неисправной, ее следует заменить, так как ремонт в большинстве случаев нецелесообразен.
Выход из строя реле также может быть причиной неработающих задних противотуманок на ВАЗ 2114. Проверить реле можно так же, как и кнопку — прозвонкой контактных ножек или заменой на новое. Если реле неисправно, его также нужно заменить.
Не редкость, когда причиной поломки фар становятся сами фары. При длительной эксплуатации отражающий слой может разрушаться, выкрашиваться и попадать на электрические элементы, что нарушает их работу. Поэтому периодически стоит проверять внутреннее состояние всех фар, не только противотуманок.
Если все вышеперечисленные причины были проверены и не выявлены, то дело может быть в проводке. В этом случае необходимо прозвонить все провода, используемые в цепи подключения противотуманных фар, а также проверить правильность подключения.
Для этого можно воспользоваться схемой, приведенной в начале. Особое внимание следует уделить правильному подключению кнопки и реле к нужным разъемам.
Методы диагностики и проверки работоспособности ПТФ
При возникновении проблемы с противотуманными фарами (ПТФ) на ВАЗ 2114, важно провести тщательную диагностику, чтобы определить причину их неработоспособности. Существует несколько методов, которые помогут выявить неисправность и восстановить работоспособность противотуманок.
1. Визуальный осмотр
Первым шагом в диагностике является визуальный осмотр самих противотуманок и их подключения. Проверьте, нет ли трещин или повреждений на стеклах фар, а также на корпусе. Убедитесь, что лампы не перегорели. Для этого можно извлечь лампы и осмотреть их нити. Если нить перегорела, замените лампу на новую.
2. Проверка предохранителей
Следующим шагом является проверка предохранителей, отвечающих за работу противотуманок. В автомобиле ВАЗ 2114 предохранители находятся в блоке предохранителей, который обычно расположен под приборной панелью. Найдите предохранитель, отвечающий за ПТФ, и проверьте его целостность. Если предохранитель сгорел, замените его на новый с аналогичными характеристиками.
3. Проверка реле
Если предохранитель в порядке, следующим этапом будет проверка реле, управляющего работой противотуманок. Реле может находиться в том же блоке предохранителей или в отдельном блоке реле. Для проверки реле можно использовать мультиметр или заменить его на исправное реле, чтобы убедиться, что проблема не в нем.
4. Проверка проводки
Неисправности в проводке также могут стать причиной неработоспособности противотуманок. Проверьте состояние проводов, идущих к ПТФ, на наличие повреждений, коррозии или обрывов. Обратите внимание на соединения и разъемы – они должны быть чистыми и надежно зафиксированными. При необходимости, очистите контакты и заизолируйте поврежденные участки проводки.
5. Проверка переключателя
Если все вышеперечисленные элементы исправны, стоит проверить переключатель, который отвечает за включение противотуманок. Иногда проблема может заключаться в самом переключателе, который может быть изношен или поврежден. Для диагностики переключателя можно использовать мультиметр, проверив его на наличие замыкания и целостности.
6. Проверка аккумулятора и системы зарядки
Наконец, не стоит забывать о состоянии аккумулятора и системы зарядки. Если напряжение на аккумуляторе ниже нормы, это может привести к недостаточной мощности для работы противотуманок. Проверьте уровень заряда аккумулятора и работу генератора, чтобы исключить проблемы с электроснабжением.
Следуя этим методам диагностики, вы сможете определить причину, по которой противотуманки на вашем ВАЗ 2114 перестали работать, и предпринять необходимые меры для их восстановления.

Вопрос-ответ
Что делать, если не горят противотуманки на ВАЗ?
Если противотуманки на ВАЗ не горят, сначала проверьте предохранитель, отвечающий за их работу, и замените его при необходимости. Затем осмотрите проводку на наличие повреждений и коррозии, а также проверьте саму лампочку на работоспособность. Если все вышеперечисленное в порядке, возможно, проблема в переключателе или реле, которые также стоит проверить и при необходимости заменить.
Как узнать, что реле противотуманных фар неисправно?
К распространенным симптомам неисправности реле противотуманных фар относятся громкие щелчки реле, отказ включения противотуманных фар и постоянное включение противотуманных фар.
Советы
СОВЕТ №1
Проверьте предохранители. Первым делом стоит заглянуть в блок предохранителей и убедиться, что предохранитель для противотуманных фар не сгорел. Если он поврежден, замените его на новый с аналогичными характеристиками.
СОВЕТ №2
Осмотрите проводку и соединения. Часто причиной неисправности противотуманок могут быть поврежденные провода или плохие контакты. Проверьте все соединения на наличие коррозии или обрывов, и при необходимости восстановите их.
СОВЕТ №3
Проверьте лампы противотуманок. Если предохранитель и проводка в порядке, возможно, проблема заключается в самих лампах. Снимите их и проверьте на целостность. Если лампы перегорели, замените их на новые.
СОВЕТ №4
Обратитесь к электрику. Если после всех проверок противотуманки все еще не работают, возможно, проблема кроется в более сложной электрической системе автомобиля. В таком случае лучше обратиться к квалифицированному специалисту для диагностики и ремонта.


