26.01.2021 6 928 ВАЗ 2111
Автор:Иван Баранов
Для объединения всех электроприборов и оборудования в транспортном средстве используется электросхема. Если какой-то из ее элементов выходит из строя, это может отразиться на функционировании авто в целом. Более подобно о том, что представляет собой электросхема ВАЗ 2111 инжектор 8 клапанов и какие неисправности для нее характерны, вы можете узнать из этого материала.
[ Скрыть]
Что входит в электросхему?
Общая схема проводки для 2111
Сначала предлагаем разобраться в том, какие в схеме электропроводки используются системы и узлы.
Основные ее элементы:
- Аккумулятор. Это устройство предназначено для обеспечения нормального запуска двигателя, а также питания электроприборов и оборудования в то время, когда мотор не работает. Если аккумуляторная батарея разряжена, завести двигатель ключом не получится, нужно будет либо пытаться завести с «толкача», либо «подкуривать».
- Стартер. Предназначение этого узла заключается в обеспечении системы зажигания высоковольтным импульсом, необходимым для воспламенения горючей смеси в цилиндрах ДВС.
- Генератор — один из основных компонентов любой электрической системы. Этот узел необходим для питания электрических устройств и приборов транспортного средства во время его движения. Кроме того, генератор позволяет зарядить аккумуляторную батарею, восполнив ее заряд, который ушел на запуск двигателя.
- Выключатель зажигания.
- Монтажный блок с предохранителями. Предназначение предохранителей недооценивать нельзя — эти устройства используются для обеспечения защиты электроцепей авто. Если в электрической система двигателя инжектор 16 клапанов происходят скачки напряжения, то первым из строя выйдет именно предохранитель, таким образом защитив оборудование от поломки (автор видео — канал Автоэлектрика ВЧ).
Но это — только основные компоненты системы, что касается полной электросхемы, то она включает в себя различны узлы и системы:
- подключения стартерного узла;
- бесконтактная система зажигания;
- схема подключения выключателя зажигания;
- система освещения, включающая в себя оптику ближнего и дальнего света, стоп-сигналов, габаритных огней, противотуманных фар, поворотников, а также освещения в салоне авто;
- система активации дворников, а также омывателя лобового и заднего стекол;
- схема активации звукового сигнала;
- система включения электрических стеклоподъемников;
- активации вентилирующего устройства охладительной системы;
- замка багажного отделения;
- узел обогрева заднего стекла;
- панель приборов, на которой отображаются все основные приборы автомобиля, состояние датчиков, спидометр, тахометр;
- система автоматического управления печкой;
- соединения генераторного узла;
- управления силовым агрегатом.
Не работает звуковой сигнал ВАЗ
Неработающий звуковой сигнал на автомобиле – очень опасная неисправность. Самое неприятное, что узнают об этой поломке как раз тогда, когда сигнал нужен больше всего – в опасной ситуации на дороге. Из-за чего может отказать сигнал?
Существует несколько причин, по которым звуковой сигнал может перестать работать. Почти все они электрические и подразумевают простое отсутствие контакта там, где он должен быть. Пройдемся по всем:
Сгорел предохранитель звукового сигнала
Самая первая и легкая проверка, которую можно выполнить при неработающем звуковом сигнале – целостность предохранителя. Если он оказался сгоревшим, значит в машине возможно наличие короткого замыкания.
Рекомендуем: Не заводится Hyundai Accent — что делать?
Попробуйте вставить целый предохранитель, соответствующий номиналу (Как выбрать предохранитель. Цвета и номиналы). Если он так же сгорит, значит, короткое замыкание реально присутствует.
Если нет, то возможно предохранитель просто исчерпал свой ресурс и стоит обратить внимание на другие причины.
Не работает кнопка звукового сигнала
Сигнал в большинстве автомобилей включается кнопкой в центре руля. Встречаются вариации с кнопкой в подрулевом выключателе или определенным положением этого самого выключателя, но это редкость.
Внутри рулевого колеса на самом деле присутствует целая куча мест, где может пропасть контакт приведя к отказу «бибикалки». Чтобы понять, где именно они могут располагаться, нужно понять, как вообще включается звуковой сигнал в машине. Посмотрим схему.
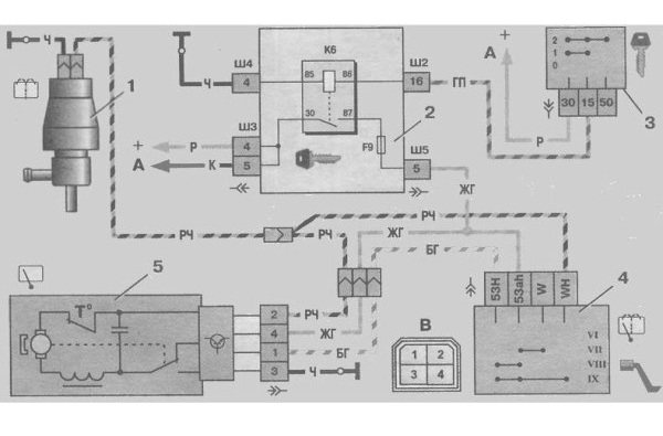
Схема подключения звукового сигнала через реле
Данная схема подразумевает наличие реле включения сигнала. Такое реле есть на всех современных автомобилях. На отдельной категории автомобилей (например, вазовской классике), реле нет. В этом случае сигнал подключается непосредственно через кнопку на руле.
Из схемы видно, что существуют две электрические цепи: управляющая и силовая. Силовая цепь питает сигнал и не приходит в салон автомобиля, управляющая, наоборот, приходит на руль.
При нажатии кнопки сигнала, управляющие контакты реле замыкаются, подключают силовую цепь и сигнал включается.
Что такое реле, управляющие и силовые контакты, читайте в статье: как работает реле в автомобиле.
Управляющий ток от реле передается с рулевой колонки на руль через плавающий контакт. Он может быть один, а может и два. Данные контакты трутся о специальное токопроводящее кольцо, встроенное в руль в месте его крепления к рулевому валу. Благодаря тому, что контакты подпружинены, они постоянно прижаты к кольцу, обеспечивая передачу тока в рулевое колесо в любом его положении.

Распространенные неисправности
Как видите, в целом схема электрооборудования ВАЗ 16-клапанного двигателя — достаточно сложная система. Соответственно, поломок в ее работе также достаточно, всех их можно условно разделить на несколько групп. Например, если у вас есть подозрения касательно функциональности свечей зажигания, а они оказались рабочими, то необходимо проверить работу катушки зажигания и высоковольтных кабелей. Как показывает практика, пробои в проводах также могут привести к некорректной работе системы зажигания. Выход из строя того или другого элемента электрической сети может быть следствием как поломки самого прибора, так и выходом из строя генераторного узла либо аккумулятора.
1. Схема включения омывательного узла
2. Схема управления мотором
3. Схема подключения приборки
Чаще всего автовладельцы сталкиваются с проблемой выхода из строя АКБ, поэтому рассмотрим основные неисправности, характерные для этого устройства:
- между электродами прибора произошло короткое замыкание;
- повреждение пластин, расположенных внутри;
- появление трещин и других механических повреждений на корпусе аккумулятора, а также обсыпание пластин, что может привести к вытеканию электролита;
- окисление клемм аккумуляторной батареи, такую проблему можно решить путем зачистки.
Все эти неисправности в конечном итоге приводят к разрядке АКБ. Если говорить о причинах, которые вызвали эти неполадки, то скорей всего, все они кроются в неверной эксплуатации, разумеется, если ресурс работы аккумулятора высокий и еще не закончился. Значительно реже неисправность кроется в заводском браке, но это бывает нечасто.
Чтобы не допустить неполадок в работе АКБ, следует при эксплуатации учитывать такие правила:
- Во-первых, устройство необходимо надежно зафиксировать в месте посадки. Если АКБ будет зафиксирована ненадежно, это может привести к постоянному образованию вибраций, что впоследствии может вызвать появление трещин на корпусе.
- Эксплуатация авто и, соответственно, использование электрической сети допускается только при использовании работоспособного генератора. Если генератор будет неисправным, либо его ремень будет натянут слабо, это в конечном счете приведет к разряду батареи.
- В том случае, если контакт на клемме прибора будет плохим, это может привести к его окислению и разрушению.
- Разрядку аккумулятора также способствует длительное прокручивание стартера при попытке запуска двигателя. Особенно часто такая проблема проявляется в мороз, когда электролиты АКБ менее подвижны, а водителю приходится дольше крутить стартер, чтобы его завести (автор видео — Вячеслав Кравченко).
В зависимости от типа и производителя, срок службы аккумулятора может составлять от трех до пяти лет. Однако ресурс эксплуатации может быть более низким, если аккумулятор будет использоваться в интенсивном режиме и жестких условиях. Так или иначе, последствие разряда батареи всегда одно — устройство будет не в состоянии прокручивать стартер для запуска двигателя, а также питать приборы и оборудование авто в целом. В том случае, если диагностика показала, что аккумулятор работает нормально, возможно, причина неисправности кроется в работоспособности генератора.
Его конструкция в целом более сложная, соответственно, неисправностей у этого узла достаточно:
- стирание щеток, что обусловлено их износом;
- поломка реле регулятора напряжения;
- выход из строя диодного моста;
- износ подшипников, что сопровождается гулом при работе генератора;
- износ токосъемных колец;
- повреждение или износ зубьев шкива;
- замыкание в обмотке статора;
- повреждение проводки зарядной цепи;
- обрыв или износ ремня генератора.
Неисправности в работе узла можно определить путем диагностики с помощью мультиметра. Что касается ремонта, то его можно произвести своими руками. Ранее мы уже описывали процедуру ремонта генератора на примере модели ВАЗ 2114 в данной статье, в случае с ВАЗ 2111 она выглядит аналогично.
Что касается остальных неисправностей в работе электроцепи, то причин может быть несколько:
- выход из строя самого прибора;
- перегорание предохранителя, вызванное коротким замыканием (перед тем, как заменить предохранитель, необходимо определить причину замыкания);
- обрыв электроцепи, проблема решается путем замены провода;
- окисление контактов на выводах устройств (автор видео — канал Ramanych).

Cхема печки ваз 2110 и функциональные особенности
Схема отопителя ваз 2110
Как известно, основным функциональным назначением автомобильной печи является подача тёплого или холодного воздуха внутрь салона. Чтобы иметь практическую возможность не только выявить неисправность, но также и устранить её необходимо знать, как образом устроена схема печки ваз 2110. Ведь вариантов возможных неисправностей существует различное множество и могут быть как неполадки в электроцепи, так и в одном из элементов непосредственно самой печи. На ваз 2110 схема печки и ее знание позволит автомобилисту легче найти обрыв и отремонтировать отопитель.
Меры профилактики
Чтобы не допустить проблем в работе электрооборудования, необходимо соблюдать определенные профилактические меры, в частности:
- Хотя бы один раз в год заряжайте аккумулятор при помощи зарядного устройства. Особенно это актуально делать перед зимой, а также в тех случаях, когда вы планируете оставить машину в гараже или на стоянке на длительное время. Если машина будет стоять, то АКБ лучше вовсе снять и зарядить его перед установкой. Также аккумулятор необходимо обслуживать, хотя бы дважды в год проверять наличие электролита в системе и заряд устройства при работающем и отключенном двигателе.
- Никогда не используйте низкокачественные предохранители. То же самое касается и использования самодельных предохранителей в виде проволоки или монетки. Самодельные устройства водители обычно ставят в том случае, если определенный предохранитель вышел из строя, а заменить его нечем. Если вы столкнулись с необходимостью замены, то разумеется, самодельный вариант также можно использовать, но только для того, чтобы доехать до ближайшего магазина и заменить его на нормальный предохранитель. Использование «самоделок» может привести к короткому замыканию и даже возгоранию.
- Всегда ставьте на свой автомобиль только качественные приборы и оборудование — начиная от генераторного узла и заканчивая лампочками в приборной панели. Если оборудование будет низкокачественным, его срок службы будет не таким высоким, тем более, что его использование со временем может привести неудобства водителю.
- Если в работе оборудования имеются проблемы, то их необходимо решать безотлагательно. Например, вы увидели, что на контрольном щитке появился индикатор Check Engine — рекомендуем как можно быстрее проверить двигатель. Для получения более точных результатов используйте компьютерную диагностику — она поможет определить, какому из узлов необходимо уделить внимание в первую очередь. Следует отметить, что появление этой лампочки довольно часто обусловлено проблемами в работе тех или иных датчиков. А их работоспособность, в свою очередь, может быть нарушена в результате обрыва проводки или окисления контактов на разъемах. В этом случае необязательно сразу менять датчик — нужно поменять провод и произвести зачистку контакта — вполне возможно, что это позволит решить проблему.
- Если в работе электроцепи имеются замыкания, то их необходимо устранять, поскольку они могут привести к поломке электрооборудования в целом.
- Никогда не забывайте о том, что все элементы сети должны быть надежно загерметизированы, особенно учитывайте это при самостоятельном монтаже оборудования и укладке проводки. На электроприборы авто и их цепи не должна воздействовать влага и прочие факторы.
Загрузка …
Изучаем устройство и схему печки ВАЗ 2110
Если вы решили самостоятельно проводить ремонт своего автомобиля, вам необходимо хорошо знать устройство его узлов и уметь читать чертежи. Разумеется, что такие умения приходят с опытом эксплуатации и обслуживания ВАЗ 2110. В этот раз мы подробно изучим работу отопителя. Если система отопления функционирует исправно, значит внутри «десятки» комфортно будет и водителю, и его спутникам. В этом материале собраны схемы печки и описание к ним. В руководстве по эксплуатации тоже присутствует эта информация, но мы стараемся описывать сложные процессы простым языком. Наша задача заключается в донесении важной информации начинающим и уже опытным автомобилистам.




