Особенности конструкции системы охлаждения
В зависимости от особенностей конструкции, включение вентилятора может происходить 3-мя способами:
- с помощью силового датчика активации ВСО. Еще такой датчик называют температурным реле включения вентилятора, так как силовые контакты электродвигателя проходят непосредственно через датчик. При такой схеме значительно возрастает нагрузка на термореле, что снижает его ресурс;
- с помощью датчика включения вентилятора, но теперь замыкание контактов в температурном переключателе приводит к срабатыванию реле, через которое и подключены силовые контакты электровентилятора системы охлаждения. Такой способ подключения намного надежней предыдущего варианта;
- с помощью электронного блока управления двигателем. ЭБУ, ориентируясь на установленный в радиаторе охлаждения двигателя датчик температуры охлаждающей жидкости, подает через реле питание на ВСО. В качестве измерителя используется резистивный термодатчик. Именно такая схема включения используется на подавляющем большинстве современных автомобилей. На машинах, оборудованных кондиционером, одним из электровентиляторов будет управлять блок комфорта. Необходимо это для принудительного охлаждения конденсатора при задействованной системе кондиционирования салона.
Режимы работы
Разбираясь в принципе работы и схеме подключения вентилятора радиатора, следует помнить, что электродвигатели зачастую имеют два скоростных режима. Реализуется это 2-мя способами:
- добавлением в цепь резистора, повышающего сопротивления и, как следствие, уменьшающего силу тока. В конструкции используется двухконтактный датчик, который в зависимости от температуры питает электродвигатель напрямую либо через сопротивления;
- комбинацией параллельного и последовательного включения. Схема применяется на авто с двумя вентиляторами. Они могут быть подключены последовательно, в случае чего по закону Ома будут работать от 6 В, либо последовательно, когда на каждый из ВСО подается 12 В. Режимы соответствуют малой и большой скорости вращения пропеллера.
Блок предохранителей старого образца
Блок предохранителей 2114-3722010-60
Каждый предохранитель в БП отвечает за определенную цепь, вот сводная таблица.
| Цепь, которую он защищает | ||
| F1 | 10А | Резервный предохранитель |
| F2 | 10А | Указатели поворотников, прерыватель аварийного сигнала (в режиме аварийки), контрольная лампочка аварийки |
| F3 | 10А | Задние фары стоп-сигнала, плафон подсветки салона |
| F4 | 20А | Элемент подогрева заднего стекла, контакты включения обогрева заднего стекла, розетка для переноски, прикуриватель |
| F5 | 20А | Звуковой сигнал (клаксон), выключатель клаксона |
| F6 | 30А | Резервный предохранитель |
| F7 | 30А | Электромотор вентилятора печки, электромотор омывателя лобового стекла, реле включения электрического вентилятора радиатора, реле включения обогрева заднего стекла, контрольная лампа включения обогрева на заднем стекле, плафон подсветки бардачка |
| F8 | 7,5А | Резервный предохранитель |
| F9 | 7,5А | Резервный предохранитель |
| F10 | 7,5А | Левая габаритная фара |
| F11 | 7,5А | Правая габаритная фара |
| F12 | 7,5А | Правая фара ближнего света |
| F13 | 7,5А | Левая фара ближнего света |
| F14 | 7,5А | Левая фара дальнего света, контрольная лампа включения дальнего света |
| F15 | Правая фара дальнего света | |
| F16 | 15А | Указатели поворотников и реле-прерыватель аварийки (в режиме указания поворотников), контрольная лампа указателей поворотников, задние фонари заднего хода, моторедуктор и реле включения стеклоочистителей лобового стекла, контрольная лампа давления масла, контрольная лампа ручного тормоза, указатель температуры ОЖ, указатель уровня топлива, контрольная лампа резерва топлива, вольтметр |
Какие функции несут реле на блоке предохранителей
| Номер реле | Функции |
| 1 | Работоспособность элементов очистки передней оптики |
| 2 | Работоспособность двигателя омывателя заднего стекла |
| 3 | Защита от поломки лампы поворотных сигналов и световой сигнализации |
| 4 | Защита от выхода из строя моторчика стеклоочистителей лобового стекла |
| 5 | Позволяет определить работоспособность лампы |
| 6 | Защита от перенапряжения системы обогрева заднего стекла |
| 8 | Лампы дальних фар |
| 9 | Лампы ближних фар |
| 11 | Отвечает за работу вентилятора охлаждения двигателя. Если данное реле выходит из строя, увеличивается риск перегрева двигателя |
| 12 | Работа клаксона |
Блок предохранителей 17.3722
| № | А | Назначение |
| 1 | 8 | Правая противотуманная фара |
| 2 | 8 | Левая противотуманная фара |
| 3 | 8 | Очистители фар (в момент включения) Реле включения очистителей фар (контакты) Клапан включения омыва фар |
| 4 | 16 | Электродвигатель очистителя фар Реле очистителя фар (обмотка) Электродвигатель отопителя Электродвигатель омыва стекол Электродвигатель очистителя заднего стекла Реле времени омыва заднего стекла Клапан включения омыва ветрового и заднего стекол Обмотка реле включения электровентилятора системы охлаждения Обмотка реле включения обогрева заднего стекла Контрольная лампа обогрева заднего стекла Лампа освещения вещевого ящика |
| 5 | 8 | Указатели поворота в режиме указания поворота и соответствующая контрольная лампа Задние фонари (лампы света заднего хода) Контрольная лампа резерва топлива, давления масла, стояночного тормоза, уровня тормозной жидкости, воздушной заслонки карбюратора Вольтметр и контрольная лампа зарядки аккумуляторной батареи Моторедуктор и реле включения очистителя ветрового стекла Обмотка возбуждения генератора (при пуске) Лампа светового табло “STOP” Указатели температуры охлаждающей жидкости и уровня топлива |
| 6 | 8 | Задние фонари (лампы стоп-сигнала) Плафон внутреннего освещения кузова Электростеклоподъемники и реле включения электростеклоподъемников |
| 7 | 8 | Фонари освещения номерного знака Подкапотная лампа Контрольная лампа включения габаритного освещения Лампа освещения приборов и лампа освещения прикуривателя Табло подсветки рычагов отопителя |
| 8 | 16 | Электродвигатель вентилятора системы охлаждения двигателя и реле его включения (контакты) Звуковой сигнал и реле его включения |
| 9 | 8 | Левая фара (габаритный свет) Левый задний фонарь (габаритный свет) |
| 10 | 8 | Правая фара (габаритный свет) Правый задний фонарь (габаритный свет) |
| 11 | 8 | Указатели поворота и реле-прерыватель аварийной сигнализации (в режиме аварийной сигнализации) Контрольная лампа аварийной сигнализации |
| 12 | 16 | Элемент обогрева заднего стекла и реле включения обогрева Прикуриватель Штепсельная розетка для переносной лампы |
| 13 | 8 | Правая фара (дальний свет) |
| 14 | 8 | Левая фара (дальний свет) Контрольная лампа включения дальнего света фар |
| 15 | 8 | Левая фара (ближний свет) |
| 16 | 8 | Правая фара (ближний свет) |
| Реле | ||
| К1 | Реле времени омыва заднего стекла (451.3747 / 2108-3747110, 2108-3747110-06) | |
| К2 | Реле-прерыватель указателей поворота и аварийной сигнализации (493.3747 / 2108-3747010-02) | |
| К3 | Реле-прерыватель стеклоочистителя (522.3747 / 2108-3747710) | |
| К4 | Контактные перемычки на месте реле контроля исправности ламп Реле контроля целостности ламп (4402.3747 / 21083-3747410, 21083-3747410-06) | |
| К5 | Реле включения дальнего света фар (113.3747 / 2105-3747210-10, 2105-3747210-12) | |
| К6 | Реле очистителя фар (112.3747 / 2105-3747210, 2105-3747210-02) | |
| К7 | Реле стеклоподъемников (13.3747 / 2105-3747210-10, 2105-3747210-12) | |
| К8 | Реле включения звуковых сигналов (13.3747 / 2105-3747210-10, 2105-3747210-12) | |
| К9 | Реле включения электровентилятора охлаждения (13.3747 / 2105-3747210-10, 2105-3747210-12) | |
| К10 | Реле включения обогрева заднего стекла (13.3747 / 2105-3747210-10, 2105-3747210-12) | |
| К11 | Реле включения ближнего света фар (13.3747 / 2105-3747210-10, 2105-3747210-12) |



Варианты схем
Принципиальная схема подключения ВСО на ВАЗ 2108, 2109, 21099 (до 1998 г.в.).
Как мы видим, датчик управляет реле включением вентилятора, которое расположено в монтажном блоке предохранителей. При достижении определенной температуры контакты температурного переключателя замыкаются, что приводит к протеканию тока в цепи электродвигателя.
Выше представлена схема для авто ВАЗ 2108, 2109, 21099, но после 1998 г.в. Как мы видим, датчик включения теперь выполняет функции реле.
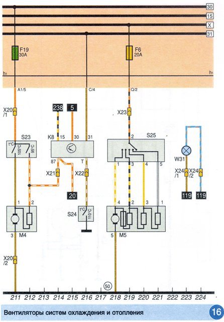
Схему с использованием резистора для реализации двух скоростей вращения пропеллера рассмотрим на примере VW Passat. Двухпозиционный датчик питания вентилятора S23, в зависимости от температуры охлаждающей жидкости, замыкает контакты напрямую либо через добавочное сопротивление.
Подключение своими руками
Некоторые водители, предостерегая двигатель от перегрева вследствие неправильной работы термореле питания вентилятора радиатора, делают выносную кнопку для принудительно включения электродвигателя. Для этого достаточно параллельно к управляющему выводу реле, идущему от датчика, подключить фиксируемую кнопку, которая при нажатии будет замыкать контакт на массу, провоцируя тем самым срабатывание реле. Если конструкцией автомобиля не предусмотрено реле вентилятора, для принудительного охлаждения радиатора его придется установить самостоятельно.
Ни в коем случае не подключайте электродвигатель напрямую через кнопку в салоне! Также не советуем подключать строить схему так, чтобы после включения зажигания электровентилятор постоянно вращался, так как это значительно снижает его ресурс.
Для подключения вам достаточно понимания принципа работы 4-контактного реле и минимальных знаний в монтаже дополнительного оборудования. Обязательно включите в силовую цепь предохранитель нужного номинала и расположите его как можно ближе к источнику питания (подробно о том, как правильно подобрать номинал предохранителя).
При желании можно заменить однопозиционный датчик на двухпозиционный, что в паре с подобранным резистором позволит реализовать малую скорость работы ВСО. Если вы обладаете достаточным уровнем знаний в электротехнике, то для регулировки скорости вращения пропеллера можно соорудить ШИМ-регулятор. Управления электровентилятором с помощью ШИМ-сигнала позволит плавно регулировать и произвольно выбирать скорость вращения в зависимости от температурной нагрузки на двигатель. На просторах интернета достаточно материалов о том, как сделать ШИМ-регулятор своими руками.

Проверка целостности и ремонт предохранителей
Чтобы сориентироваться, что делать с вышедшим из строя предохранителем, нужно сначала проверить его целостность.
Проверка целостности предохранителя
Теперь, собственно, переходим к вопросу: «Как проверить тепловой предохранитель?». Это можно сделать несколькими способами. Выбор способа зависит от типа предохранителя, но, конечно, самый надежный — мультиметром.
| Снимаем напряжение с электроустановки | Самым первым шагом перед любыми работами в электроустановках является снятие напряжения. Для этого отключите прибор из розетки, либо выключите автоматический выключатель или другой коммутационный прибор, который снимет напряжение с вашего прибора. |
| Осмотр ножевого предохранителя | Начнем с самого простого — визуального осмотра. Если это предохранитель на небольшой номинальный ток, например, 3А в стеклянном корпусе, то вы можете визуально проверить целостность проводника. Иногда вы можете ничего не увидеть, так как стекло сильно закопчено. Это конечно достаточно веский, но не точный довод в пользу неработоспособности коммутационного аппарата. |
| Осмотр плавкой вставки предохранителя | Если речь идет о предохранителях с плавкими вставками, то осмотреть его визуально значительно сложнее. Для этого придётся выкрутить оконцовку предохранителя, и осмотреть непосредственно плавкую вставку. Зато здесь уже не может быть никаких сомнений. |
| Прозвонка предохранителя флюком | Если визуально предохранитель осмотреть сложно из-за его расположения или невозможности его изъять, то тогда его можно «прозвонить». Как мы уже определились, предохранитель — это просто проводник. Если он целый, то и предохранитель не нуждается в замене и наоборот. |
| Режим прозвонки на мультиметре | Поэтому если взять мультиметр, выставить его на измерение сопротивления или режим прозвонки, и прикоснуться концами к контактам предохранителя, он должен показать значение, очень близкое к нулю. Если же предохранитель перегорел, то мультиметр покажет большие цифры. |
Ремонт предохранителей
Вот мы и определились, что наш предохранитель перегорел. Теперь нам необходимо его заменить. Но иногда ситуация складывается так, что заменить сгоревший предохранитель нечем, а прибор нужен прямо сейчас. В этом случае, можно попытаться его отремонтировать.
-
Где находится предохранитель печки на бмв е34. обозначения предохранителей на bmw e34
Конечно, в прямом смысле этого слова ремонт не совсем приемлем в данном случае. Ведь перегоревший проводник не соединишь
Значит, нам необходимо проложить новый проводник своими руками. Но тут важно определиться с его параметрами. Ведь как бы то ни было, это предохранитель, и он должен защищать нашу цепь
А вдруг предыдущий предохранитель сгорел не просто так, а из-за короткого замыкания?
Кстати, предохранители просто так не горят. Причиной тому могут быть несколько событий.
- Первый вариант — это уже озвученное короткое замыкание.
- Второй вариант, это частое протекание через него токов, очень близких к номинальным. В этом случае проводник часто сильно нагревается, из-за чего могут измениться его свойства. Хотя в нормальных предохранителях такого не должно происходить.
- И вариант номер три — это падение напряжения. В этом случае ток возрастает, и, если падение достаточно продолжительное, это может привести к перегоранию предохранителя.
Но вернемся к нашему ремонту. Для того чтобы отремонтировать предохранитель, мы должны заменить перегоревший проводник новым нужного сечения. Сделать это достаточно просто, если у вас под рукой есть таблица как на фото ниже.
Таблица выбора диаметра провода для «жучка» предохранителя
В этой таблице вы сможете найти требуемый вам проводник, исходя из номинального тока вашего предохранителя. Его вы можете посмотреть либо на корпусе предохранителя, либо в паспорте прибора. Более сложный вариант — это расчет по мощности защищаемой цепи.
Ремонт трубчатого предохранителя
Итак, проводник найден, но как его установить? В случае с трубчатыми предохранителями со съёмной плавкой вставкой более-менее все понятно. Но как быть со стеклянными предохранителями. Здесь придётся проявить смекалку. Для ремонта такого устройства вам потребуется дрель, которой вы просверлите отверстия в оконцовках предохранителя. В это отверстие вставляете наш проводник и запаиваете отверстие. Вуаля, у вас предохранитель не хуже, чем заводской.
Установка «жучка» поверх предохранителя
Ну и еще один способ, который наша инструкция не рекомендует, но он применяется – это просто установка «жучка». Когда проволокой требуемого диаметра вы просто обматываете предохранитель поверх его корпуса с обязательным хорошим контактом на его оконцовке.
Как проверить предохранитель мультиметром
Датчик включения вентилятора
Отказ от постоянного вращения вентилятора с помощью ременного привода позволил сократить время прогрева двигателя. Электрический привод, который состоит из мотора, реле, датчика включения и аккумулятора, позволяет включать вентилятор лишь тогда, когда температура двигателя превышает оптимальное значение. Благодаря такому подходу система охлаждения двигателей внутреннего сгорания стала более эффективной. Периодическое включение вентилятора позволило снизить расход топлива, ведь сократилось время прогрева мотора и исчезли потери мощности на постоянное вращение лопастей.
Как проверить датчик включения вентилятора
Необходимость в проверке датчика возникает после перегрева мотора или подозрении на плохую работу системы охлаждения. В первую очередь необходимо проверить не датчик, а провода и реле, включающие вентилятор. Для этого снимите провода подходящие к датчику и замкните их, если проводов не два, а три, то нужно поочередно замкнуть средний и каждый из крайних. Вентилятор должен включиться на низкой и высокой скорости, в зависимости от того, какие контакты замкнуты. Если вентилятор включился, значит, провода и реле исправны и можно приступать к проверке датчика, если нет, необходимо найти и устранить неисправность (обрыв проводов, плохой контакт, перегоревший предохранитель, сгоревшие реле или мотор вентилятора).
Убедившись, что реле, мотор и провода исправны, приступайте к проверке датчика. Для этого вам понадобится тазик для охлаждающей жидкости, ключ на 30, термометр до 100 градусов, кастрюля с водой, печка и мультиметр. Снимите клемму с аккумулятора и подставьте тазик под автомобиль таким образом, чтобы охлаждающая жидкость из радиатора выливалась не на землю, а в него. Дождитесь, когда радиатор остынет до 45 – 50 градусов, после чего выкрутите сливную пробку (она расположена в нижней части радиатора с левой или правой стороны). После того как жидкость стечет, вкрутите пробку на место. Снимите провода с датчика (если их 3, то пометьте каждый, чтобы при установке нового датчика не перепутать их), после чего ключом на 30 выкрутите датчик.
Налейте в кастрюлю воды, чтобы она покрыла рабочую часть датчика (до гайки) и поставьте на печку. Контролируйте температуру воды с помощью термометра.
С помощью мультиметра проверяйте срабатывание контактов датчика. Для трехконтактного желательно использовать два мультиметра. Включите мультиметр в режим измерения сопротивления со звуковым сигналом и подключите к выводам датчика. Когда биметаллическая пластина замкнет контакты, мультиметр начнет пищать. Выключите печку и дождитесь выключения мультиметров. Сравните показания термометра в момент срабатывания и выключения контактов датчика. Если отклонение от написанных на корпусе датчика значений свыше 5%, желательно заменить его. Если отклонение свыше 10%, или датчик вообще не сработал, его необходимо заменить. Установка проходит в следующем порядке – вкручивание датчика, заливка охлаждающей жидкости, подключение аккумулятора.
Возможные неисправности и их причины
Если вентиляторы не включаются вовремя, проблема может скрываться в следующих местах.
- Перегорели реле или предохранители.
- Неправильно работает ДТОЖ.
- Повреждена проводка устройства.
- Некорректные настройки ЭБУ.
- Двигатель вентилятора поврежден или замыкает.
Проверка работоспособности датчика, реле и предохранителей
За работу вентиляторов отвечает ДТОЖ, проверить его просто.
- Подготовить термометр, мультиметр, чайник или миску с прохладной водой.
- Погрузить датчик в емкость и поставить ее на огонь, параллельно погрузить в воду термометр.
- При прохождении порогов в 5 градусов следует подключать мультиметр к датчику в режиме сопротивления. При этом данные записывать.
- После прогрева воды до кипения снять последние мерки и сравнить полученные результаты с эталонной таблицей, приведенной ниже. Если показатели прибора отличаются более чем на 10% от эталона – датчик меняется.
Принудительное включение вентиляторов охлаждения
Для возможности автолюбители врезают в цепь прибора дополнительный выключатель и запитывают его от аккумулятора напрямую. Нарушается работа электроники и бортовой компьютер может выдавать ошибку.
Для обманки устройства пользователи в сети рекомендуют использовать схему.
Здесь добавлено реле и принудительный выключатель.
Замена реле вентилятора
Ввиду простоты конструкции процедура выполняется по стандартному сценарию. Открывается доступ к монтажному блоку, отключается клемма контактной группы реле. Далее устройство откручивается от панели и заменяется новым.
Как подобрать новый датчик
Чтобы правильно подобрать датчик, необходимо знать оптимальную температуру охлаждающей жидкости, при которой он должен включаться и выключаться. Для автомобиля ВАЗ 2110 это 92 и 87 градусов. Оптимальная температура срабатывания датчика для другого автомобиля указана в инструкции по ремонту и эксплуатации машины. Покупайте датчик только в крупных магазинах и обязательно берите чек. Перед установкой датчика на автомобиль, проверьте его, как описано выше. Если разница между температурой, указанной на корпусе датчика и той, при которой он реально срабатывает, превышает 5%, замените его. Работа мотора при температуре, отличающейся от оптимальной, сильно снижает его ресурс.
Реле вентилятора
Подскажите, как проверить работоспособность реле вентилятора системы охлаждения. Вчера неожиданно потеплело, а одеяло с движка на трассе забыл снять, в итоге почему-то закипел, а вентиляторы не включились. Предохранитель вроде целый.
При включении кондиционера не работают? Почему грешите на реле, может и датчик(рядом с термостатом) помереть, проверяется простым замыканием контактов.
Да, предохранителей по схеме целых три: один общий на оба вентилятора № 17 (7,5а), №57 (20а)на вентилятор радиатора, №56 (20а) на вентилятор конденсатора, а так же по одному реле на каждый моторчик.
Забыл сказать RD-1 1996 г. По мануалу предохранитель в главном блоке предохранителей (№15 подписан как вентилятор системы охлаждения двигателя), реле там тоже рядом – второе справа сверху. Что то других не нашел.
Под капотом в блоке реле два предохранителя №11 и 12 по 20 А каждый на вентиляторы радиаторов и один в салоне на 7.5 А под №17, хотя в разных источниках информация отличается.
К делу относятся предохранители под капотом №41 (ну это общий 100А), затем №42 (40А, но это тоже общий на кучу всего), №57 (20А – вот это основной для вентиллятора охлаждения ДВС), и предохранитель под рулем №17 (7,5А на реле вентиллятора). Собственно само реле расположено в блоке под капотом, зовется RADIATOR FAN RELAY. Проверку я бы начал примерно так: если в машине кондиционер то включил бы его – вентилляторы должны завращаться оба. Если кондиционера нет тогда закорачиваем на корпус датчик температуры отвечающий за вентиллятор (два похожих, вроде под трамблером и ближе к радиатору расположен, нужно отыскать тот к которому подходит зеленый и черный провода, коротить зеленый на корпус или просто провода друг на друга). Если пропеллер не крутится послушать щелкает ли реле. Если реле щелкает, но пропеллер не крутится тогда ощупываем предохранитель №57. Если целый, реле щелкает, но не крутится тогда проверяем напряжение на клеммах вентиллятора. Если нет – тогда проводка и само реле (можно выдернуть его и перемычкой проверить или поставить временно с другого гнезда). Если напряжение подается, а не крутится – разбирать вентиллятор и смотреть щетки и т.п.
Да, кстати нумерация может отличаться предохранителей – верно замечено. Я беру из сервисного мануала под американки, но с моей европейкой совпадает.
Схема расположения предохранителей ВАЗ 2110, 2111, 2112
Многим владельцам автомобилей ВАЗ, знакома ситуация когда неожиданным образом перестаёт работать прикуриватель, поворотник не реагирует на включение, щётки стеклоочистителя перестают очищать стекло. Многие после этого сразу бегут в магазин за новой деталью, ставя при этом неверный диагноз. Скорее всего тут проблема в сгоревшем предохранителе. Эти детали защищают проводку нашего автомобиля от выгорания.
Рассмотрим поподробнее схему предохранителей на ВАЗ 2110, 2111, 2112. Первый блок ВАЗ предохранителей находится в специальной нише, слева от руля.
Рядом с каждым предохранителем вы можете увидеть поясняющую картинку, но на всякий случай предоставим схему расшифровки.
1. 5 Ампер, отвечает за лампы освещения приборов, номеров, освещение багажника, левые габариты. 2. 7.5 Ампер, отвечает включение ближнего света в левой фаре. 3. 10 Ампер, отвечает за включение дальнего света в левой фаре. 4. 10 Ампер свет в передней противотуманной фаре. 5. 30 Ампер работа дверных стеклоподъёмников. 6. 15 Ампер работа прикуривателя и переносной лампы. 7. 20 Ампер работа вентилятора радиатора, звук сигнала. 8. 20 Ампер обогревание заднего стекла. 9. 20 Ампер очищение лобового стекла. 10. 20 Ампер резерв. 11. 5 Ампер правый габарит. 12. 7,5 Ампер работа ближнего света в фаре справа. 13. 10 Ампер работа дальнего света в фаре справа. 14. 10 Ампер противотуманка левая. 15. 20 Ампер подогрев сидений. 16. 10 Ампер работа поворотников и включение аварийки. 17. 7,5 Ампер отвечает за стоп-сигнал, подсветку салона и замка зажигания. 18. 25 Ампер печка, прикуриватель, освещение в бардачке, магнитола. 19. 10 Ампер отвечает за работу сигнала заднего хода, контроллер работы стоп сигнала. 20. 7,5 Ампер задние противотуманки.
у меня вообще чудеса начались.
Всем привет. Обнаружил несколько дней назад, открыв капот, что вентеляторы охлаждения работают рывками. Т.е. работет не равномерно, выкл/выкл и еще с разными скоростями. Причем не важно, горячий двигатель или холодный. Глушу двигатель, вентеляторы работают ещё сек 10, потом выкл. Так и должно быть. Кондер вкл – все работает равномерно, хорошо. Выкл – опять начинаются чудеса. Подскажите, что происходит? Что смотреть. Машина не греется, пока, но боюсь, что проработает вся это система, в таком режиме, не долго.
Сигнал от датчика температуры идет на модуль управления вентиляторов, далее через реле на моторчик. Копать бы начал с реле. имхо.
К делу относятся предохранители под капотом №41 (ну это общий 100А), затем №42 (40А, но это тоже общий на кучу всего), №57 (20А – вот это основной для вентиллятора охлаждения ДВС), и предохранитель под рулем №17 (7,5А на реле вентиллятора). Собственно само реле расположено в блоке под капотом, зовется RADIATOR FAN RELAY. Проверку я бы начал примерно так: если в машине кондиционер то включил бы его – вентилляторы должны завращаться оба. Если кондиционера нет тогда закорачиваем на корпус датчик температуры отвечающий за вентиллятор (два похожих, вроде под трамблером и ближе к радиатору расположен, нужно отыскать тот к которому подходит зеленый и черный провода, коротить зеленый на корпус или просто провода друг на друга). Если пропеллер не крутится послушать щелкает ли реле. Если реле щелкает, но пропеллер не крутится тогда ощупываем предохранитель №57. Если целый, реле щелкает, но не крутится тогда проверяем напряжение на клеммах вентиллятора. Если нет – тогда проводка и само реле (можно выдернуть его и перемычкой проверить или поставить временно с другого гнезда). Если напряжение подается, а не крутится – разбирать вентиллятор и смотреть щетки и т.п.
Да, кстати нумерация может отличаться предохранителей – верно замечено. Я беру из сервисного мануала под американки, но с моей европейкой совпадает.
у меня тоже проблема! вентики не включаются. но когда вкл кондей работают. все предохранители целые, как релюху проверить?
Мы обнаружили неисправность
Область поиска проблем
объяснение
Отсоединяет разъем на пропеллере и подключается непосредственно к батарее. Если вентилятор работает, дисковод работает нормально. Если пропеллер все еще не скручивался, проблема в электродвигателе
Электропроводка и контакты
Если пропеллер не работает, вы должны проверить состояние проводки и убедиться, что контакты датчика работают правильно
Найти эти два элемента можно в моторном отсеке слева ближе к драйверу внутри монтажного блока. В вентилятор входит предохранитель с обозначением F4 с номинальным током 20А. Тест можно выполнить, нажав кнопку звукового сигнала. Зачем? Да, потому что он также связан с этим предохранителем. Или проверьте тестер
Он расположен в том же месте, что и предохранитель. Для эффективной проверки лучше всего использовать реле, в работоспособности которого вы на 100% уверены, установите его вместо старого и проверьте
Чтобы проверить датчик, отключите питание от датчика. Если он работает, пропеллер начнет работать в аварийном режиме, то есть он будет дуть постоянно. Отсоедините разъем и включите зажигание. Если винт поворачивается, значит, датчик сломан. Нужна замена
Схема Подключения Вентилятора Охлаждения
В конструкции используется двухконтактный датчик, который в зависимости от температуры питает электродвигатель напрямую либо через сопротивления; комбинацией параллельного и последовательного включения. Вентилятор разгоняет тепло, пропуская необходимый поток воздуха через радиатор, благодаря чему тепло отводится в атмосферу.
Вентилятор продолжает кратковременно работать даже после выключения зажигания. Если конструкцией автомобиля не предусмотрено реле вентилятора, для принудительного охлаждения радиатора его придется установить самостоятельно. Поэтому вооружившись схемами монтажных блоков чя родного который должен быть на авто Как подключить вентилятор охлаждения через кнопку в салоне В 3-х проводных вентиляторах добавляется тахометрический выход. Но есть и минусы у нее. Для решения данной проблемы, необходимо периодически включать вентилятор на такой отрезок времени, который позволит получить несколько достоверных циклов тахосигнала. Для получения низких оборотов напряжение уменьшается, для получения высоких увеличивается. Доработка схемы включения электродвигателя вентилятора Многие ответственные автолюбители могут часами пропадать в гараже, пытаясь не только устранить появившиеся проблемы, но и предупредить возникновение новых неисправностей путем различных усовершенствований и доработок.
Применение полупроводников
Поэтому вооружившись схемами монтажных блоков чя родного который должен быть на авто В качестве измерителя используется резистивный термодатчик. Вот такие полезные мелочи стоит добавить в свой автомобиль, чтобы выход из строя датчика вентилятора ВАЗ не застал вас врасплох.
Также он может вращаться с разными скоростями при разных рабочих режимах силового агрегата автомобиля. Для этого просто выньте проводной жгут из фиксаторов, размещенных на кожухе. Схема подключения вентилятора с питанием от 12 вольт.
Присоединяйте силовые провода к АКБ проводами с сечением не меньше чем у проводов вентиляторов. Первая: обзавестись каким-нибудь импортным датчиком включения вентилятора с тремя выходами — схема на рис.
Во втором случае, освещение и вытяжная система работают параллельно. Для этого просто выньте проводной жгут из фиксаторов, размещенных на кожухе.
Сегодня рассмотрим причины, по которым не происходит включение вентилятора ВАЗ в автоматическом режиме, замену термодатчика, а также составим небольшую схему принудительного запуска обдува. Это тепло необходимо бесшумно и эффективно удалять из системы. Вентилятор системы охлаждения не включается. В чём причина.
Замена предохранителей на ВАЗ 2115
Подготовительный этап:
- Вороток, головка на «10»;
- Отвертка с плоским наконечником;
- Комплект новых модулей;
- Пластиковые щипцы для извлечения блока реле;
- Ветошь, дополнительное освещение по мере необходимости.
Блок предохранителей ваз 2113-2115
Последовательность действий:
- Глушим двигатель, открываем капот, снимаем клеммы с аккумуляторной батареи;
- В левой части, ближе к лобовому стеклу расположен монтажный блок. Отвинчиваем два болта по периметру;
- Отсоединяем две колодки с проводами, извлекаем БП в сборе;
- Проводим дефектовку, проверяем исправность всех модулей.
Сделать это можно двумя способами:
- Визуально: проверка каждого модуля на целостность плавильного элемента;
- Мультиметром: замер сопротивления на концевиках модуля без его демонтажа.
Каждый из способов применим и эффективен.
После того, как заменили неисправные предохранители, собираем конструкцию в обратной последовательности.
Некоторые автомобилисты практикуют второй способ: без демонтажа монтажного блока. Поочередно извлекаем предохранители, проверяем их на целостность, заменяем новыми по мере необходимости.
Если заметили, что внезапно перестал работать агрегат в автомобиле – не спешите его демонтировать, менять новым. Первым делом, осмотрите монтажный блок, проверьте модули на целостность. Скорее всего, перегорел какой-нибудь предохранитель.
Лишь после того, как замена модуля не помогла устранить поломку, приступайте к диагностике оборудования, проверке целостности цепи электрического питания.
Использование электромагнитного реле
Для привода вентилятора устанавливается электродвигатель постоянного тока с возбуждением от постоянных магнитов МЭ или аналогичные ему.
Также не советуем подключать строить схему так, чтобы после включения зажигания электровентилятор постоянно вращался, так как это значительно снижает его ресурс. Установка и подключение вентилятора Учитывая, что автомобили оборудуются вентиляторами в штатном режиме, повторная установка может понадобиться только в ходе проведения ремонтных работ, то есть после замены сломанных частей старой детали или же при монтаже нового устройства.
Затем, используя все тот же ключ, открутите болты крепления трубки радиатора, которая связывает его с системой кондиционирования если, конечно, такова предусмотрена конструкцией автомобиля и сместите ее в сторону. Я поставил в цепь питания на 30 контакт реле.
Тем не менее только в последние годы технологии управления вентиляторами стали значительно развиваться. Также не советуем подключать строить схему так, чтобы после включения зажигания электровентилятор постоянно вращался, так как это значительно снижает его ресурс. Источник fornk. Реле удобно разместить на боковой поверхности кузова за правой фарой, ближе к АКБ. Штатная работа вентилятора охлаждения осталась на месте. Режимы работы Разбираясь в принципе работы и схеме подключения вентилятора радиатора, следует помнить, что электродвигатели зачастую имеют два скоростных режима.
Конечно, есть определенные границы изменения напряжения питания. Включите аварийную сигнализацию, выжмите педаль сцепления и, используя инерцию автомобиля, постарайтесь осторожно переместиться к краю проезжей части и остановиться как можно правее у обочины, а если возможно, то за пределами проезжей части.
Применение полупроводников Вместо электромагнитного реле можно использовать тиристорный ключ, либо же конструкцию на полевых транзисторах. В колодке применены маленькие разъемы мама 2,8 поэтому, чтобы не портить провод делаем дополнительный провод на одном конце маленький папа 2,8 на другом мама 6,3 используя колодку для маленьких разъемов, подключаем провода между собой и выводим к уже имеющимся проводам. Подключение вентилятора
FakeHeader
Двухрежимный вентилятор имеет ряд преимуществ: Более «мягкий» температурный режим двигателя без сильных колебаний температуры; Снижение нагрузки на систему стартовыми токами электродвигателя путем уменьшения их количества и величины; Снижение шума.
В гидравлическом варианте этого элемента крутящий момент передается или отключается от коленвала за счет изменения количества смазочной жидкости. В ноутбуках большая часть тепла выделяется процессором, в проекторе — источником света. Но когда начал вникать, понял что это оочень сложно для меня.
Очень часто причиной перегрева двигателя, система охлаждения которого оснащена электрическим вентилятором, является выход вентилятора из строя.
Включившийся электровентилятор вращается достаточно быстро даже при низких оборотах двигателя — и этим снижает риск перегрева при больших нагрузках в тяжелых дорожных условиях. Привод вентилятора, который как раз и обеспечивает его вращение, может быть трех видов на одной машине, конечно, устанавливается только один из них : механический, гидромеханический или электрический. Но есть и минусы у нее.
Схема применяется на авто с двумя вентиляторами. Первый способ — наиболее идеологически правильный и наименее затратный.
Выше представлена схема для авто ВАЗ , , , но после г. Кроме того, выполняя такую доработку, нелишним будет прочистить и смазать моторчик вентилятора, а если еще и заменить стандартную крыльчатку с четырьмя лопастями на деталь с восемью лопастями, то проходящий через радиатор поток воздуха существенно увеличится, а значит, и качество охлаждения должно повыситься.




