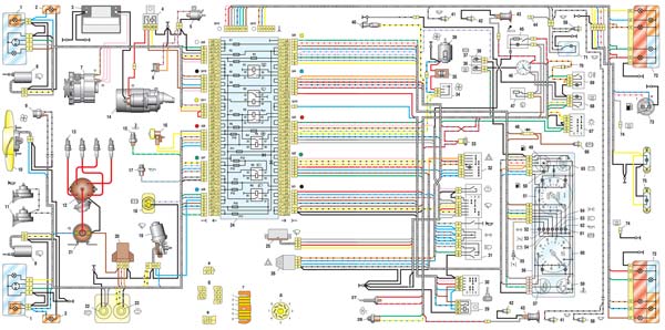
Пояснение обозначений
Знание определений схемы электрооборудования 2107 Лада поможет быстро обнаружить необходимый провод, продиагностировать его, выявит и устранить неисправность. Конечно, при замене салонного фильтра или замена масла такая информация не пригодится, но в профильных делах расшифровка обозначений существенно упростит процесс ремонта.
- 1 – головные фонари ВАЗ 2107;
- 2 – боковые повторители поворота;
- 3 – аккумулятор;
- 4 – реле включения стартера;
- 5 – электропневмоклапан карбюратора;
- 6 – внутренний переключатель карбюратора;
- 7 – система геренратора 37.3701;
- 8 – моторедукторы очистителей фар*;
- 9 – датчик включения электродвигателя вентилятора;
- 10 – электродвигатель вентилятора охлаждения мотора;
- 11 – звуковые сигналы;
- 12 – распределитель зажигания;
- 13 – свечи зажигания;
- 14 – стартер;
- 15 — датчик указателя температуры ОЖ;
- 16 – подкапотное освещение;
- 17 – датчик сигнализатора критичного давления масла;
- 18 – контрольная лампа недостаточного уровня тормозной жидкости;
- 19 – электродвигатель очистителя ветрового стекла;
- 20 – блок управления клапаном системы питания;
- 21 – катушка зажигания;
- 22 – электрический двигатель насоса омывателя фар*;
- 23 – электродвигатель насоса омывателя ветрового стекла;
- 24 – монтажный блок;
- 25 – реле очистителя ветрового стекла;
- 26 – реле аварийной сигнализации и указателей поворота;
- 27 – выключатель стоп-сигнала;
- 28 – выключатель ламп заднего хода;
- 29 – реле зажигания;
- 30 – выключатель зажигания;
- 31 – трехрычажный переключатель;
- 32 – выключатель аварийной сигнализации;
- 33 – штепсельная розетка для переносной лампы**;
- 34 – переключатель вентилятора отопителя печки;
- 35 – дополнительный переключатель электродвигателя отопителя;
- 36 – лампа сигнализатора включения обогрева заднего стекла;
- 37 – лампа сигнализатора недостаточного уровня тормозной жидкости ВАЗ;
- 38 – блок сигнализаторов;
- 39 – электродвигатель вентилятора печки;
- 40 – лампа освещения бардачка;
- 41 – выключатели плафонов на стойках передних дверей;
- 42 – выключатели фонарей сигнализации открытых передних дверей***;
- 43 – фонари сигнализации открытых передних дверей***;
- 44 – соединительная колодка;
- 45 – прикуриватель;
- 46 – часы;
- 47 – выключатель освещения приборов;
- 48 – диод для проверки исправности контрольной лампы недостаточного давления масла и уровня тормозной жидкости;
- 49 – указатель уровня топлива;
- 50 – лампа сигнализатора недостаточного уровня бензина (резерв топлива);
- 51 – спидометр;
- 52 – контрольная лампа включения указателей поворота на приборной панели;
- 53 – лампа сигнализатора приоткрытия воздушной заслонки карбюратора;
- 54 – контрольная лампа сигнализатора заряда аккумуляторной батареи;
- 55 – выключатель сигнализатора приоткрытия воздушной заслонки карбюратора;
- 56 – комбинация приборов;
- 57 – эконометр;
- 58 – выключатели плафона на стойках задних дверей;
- 59 – указатель температуры охлаждающей жидкости;
- 60 – тахометр;
- 61 – лампа сигнализатора включения ручника;
- 62 – датчик указателя недостаточного давления масла;
- 63 – лампа сигнализатора включения дальнего света фар;
- 64 – сигнализатор включения габаритов;
- 65 – вольтметр;
- 66 – выключатель сигнализатора стояночного тормоза;
- 67 – выключатель наружного освещения;
- 68 – выключатель обогрева заднего стекла;
- 69 – выключатель заднего противотуманного света с сигнализатором включения*;
- 70 – предохранитель цепи противотуманного света;
- 71 – плафон освещения салона****;
- 72 – задние фары;
- 73 – датчик указателя уровня топлива и резерва топлива;
- 74 – колодки для подключения к элементу обогрева заднего стекла*;
- 75 – фонари освещения номерного знака.
* В некоторых моделях очистители фар и ветрового стекла устанавливаются совместно. **Модели до 2000-го года выпуска. ***Машины, сошедшие с конвейера до 1998-го года. ****Один фонарь по центру крыши (до 2000-го года) или два плафона расположенные в стойках кузова после этой даты.
Отказ основных систем автомобиля
Причиной внезапного отказа многих узлов автомобиля ВАЗ 2107 могут быть повреждения и выход из строя элементов электрической проводки.
Наиболее частые поломки проводки приведены ниже:
- Частым дефектом является перегорание плавкой вставки предохранителя, вызываемое перегрузкой цепи или коротким замыканием. Поскольку в электросхеме ВАЗ 2107 часто применяются предохранители старого образца, то часто встречаются окисления или ослабевание зажимов контактов в монтажном блоке. Для исправления этих неисправностей следует заменить предохранитель или очистить контакты. На последних выпусках автомобилей применялись монтажные блоки с ножевыми предохранителями, которые обеспечивают лучший контакт и более надежную работу электрической цепи.
- Более сложным случаем является отгорание или окисление токопроводящих дорожек в монтажном блоке. Для ремонта блок снимают с автомобиля, пропаивают повреждённые участки и покрывают их защитным лаком. В случае критических повреждений блок подлежит замене.
- При замыкании участка проводки будет происходить постоянное выгорание плавкой вставки. Для поиска поврежденного элемента необходимо прозвонить цепь мультиметром. Замененные провода следует аккуратно проложить по штатному маршруту. Обрыв цепи также определяется прозвонкой проводов.
- При неполадках в компонентах системы впрыска возможно включение индикаторной лампы Check Engine на комбинации приборов. Причиной могут стать выход из строя датчиков или обрывы цепей. Для поиска причин повреждения следует произвести диагностику системы впрыска при помощи тестового прибора, подключаемого к разъему диагностики. Имеющиеся в системе коды ошибок могут быть расшифрованы и на основе этих данных производится ремонт.
- Причиной полной неработоспособности электрической системы может стать разряд батареи или окисление минусового провода, который подключается к кузову. На разряд батареи указывает тусклое свечение контрольных ламп и полное их отключение при подключении нагрузки (клаксон или попытка прокрутить двигатель стартером).
- Горящая лампа зарядки батареи на работающем двигателе указывает на неисправность генератора или обрыв цепи, связывающей генератор с батареей.
- Пульсации света при работающем двигателе являются симптомом выгорания регулировочного реле на генераторе. Реле подлежит замене, поскольку эксплуатация автомобиля с повышенным напряжением в бортовой сети недопустима.
В ролике, предоставленном каналом Автоэлектрика ВЧ, показан ремонт проводки фонарей заднего хода на ВАЗ 2107.

Условная нумерация штекеров в колодках
Дополнительно для ремонта или тюнинга ВАЗ потребуется знание порядковых номеров штекеров в колодках. Схема электрооборудования ВАЗ 21074 дает следующие обозначения:
- Фары головного света, очистители ветрового стекла и фар, блок управления клапаном системы питания, реле очистителя лобового стекла.
- Монтажный блок и трехрычажный переключатель.
- Сигналка и поворотники.
- Задние блок-фары.
- Выключатель сигнализации.
Карбюраторный двигатель
Работа двигателя с карбюратором имеет классическую схему:
- Когда ключ в замке зажигания поворачивают в положение «Стартер», электронная система подает к нему питание.
- Начинает свою работу генератор.
- Генератор передает электрический ток на катушку. Она служит для получения высоковольтных токов. На катушку поступают токи низкого напряжения. Проходя через модуль, они трансформируются в высоковольтные и передаются по высоковольтному проводу на трамблер.
- С помощью высоковольтных токов привод трамблера вращает коленчатый вал силового агрегата. Он в порядке очередности замыкает контакты и подает на свечи электрический разряд.
Принцип работы отражает электросхема двигателя с карбюратором.
Электросхема классики — карбюратор
Классическое зажигание
В контактную систему входят следующие элементы:
- выключатель;
- катушка;
- распределитель;
- высоковольтные провода;
- свечи.
Благодаря распределителю прерывается цепь первичной обмотки модуля зажигания, а затем высоковольтный ток распределяется в нужной последовательности на свечи. С помощью катушки низковольтный ток преобразуется в высоковольтный ток. Свечи воспламеняют топливную смесь в цилиндрах мотора.
Классическая система зажигания
Если при повороте ключа зажигания мотор не запускается, то причина может быть в следующем:
- Разрыв в электрической цепи между генератором и катушкой. В этом случае нужно проверить все контакты и целостность электропроводки.
- Неисправна катушка. Ее можно проверить с помощью искры: из трамблера вынуть провод и прикоснутся к металлической детали. Если при работе силового агрегата искра появляется, значит, модуль исправен.
- Разрыв в электроцепи между трамблером и свечами. В этом случае нужно проверить внутри крышки трамблера, находящийся там бегунок, проводку высокого напряжения, соединяющую крышку трамблера со свечами.
Это интересно: Почему шины быстро спускаются
После выявления и устранения неисправности в карбюраторе двигатель должен завестись без проблем, если остальные узлы автомобиля исправны.
Электронное зажигание
На некоторых моделях ВАЗ 2107, которые были выпущены после 1987 года, была установлена бесконтактная система зажигания. Хотя автомобиль стоил дороже, но пользовался спросом. Новшество состояло в том, что между трамблером и катушкой устанавливался электронный коммутатор.
Бесконтактная система зажигания включает в себя:
- коммутатор;
- выключатель зажигания;
- катушку;
- датчик распределитель;
- высоковольтные провода;
- свечи.
Безконтактная система зажигания
С помощью датчика распределителя передаются управляющие сигналы на коммутатор для образования искры и распределяются импульсы высоковольтного тока по свечам. Функция коммутатора — преобразовывать управляющие импульсы от бесконтактного датчика в импульсный ток, который поступает на первичную обмотку катушки. Таким образом, он улучшает образование искры, если мотор работает на обедненной топливной смеси.
Проверяется коммутатор искрой. Если при проверке трамблер не получает импульс высокого напряжения, значит, коммутатор не исправен и требует замены.
Если после замены коммутатора на новый проблема осталась, то необходима замена электропроводки на ВАЗ 2107. Скорее всего, причина кроется в высоком сопротивлении жил проводки, это влечет за собой слабое образование искры.

Дополнительные обозначения
При подключении генератора или вмешательстве в проводку и систему зажигания ВАЗ следует знать расположение блока предохранителей в авто. Всего их 17-ть, из которых 2 резервных.
- задние лампы реверсной передачи;
- электродвигатели насосов омывателей фар и стекла;
- обогрев заднего стекла;
- указатели поворотов, аварийной сигнализации;
- противотуманные фонари;
- тахометр, вольтметр, контрольные лампы на приборке;
- прикуриватель и часы;
- звуковой сигнал;
- освещение салона, лампы тормоза;
- дальний свет фар;
- контрольная лампа дальнего света;
- подкапотное освещение и освещение номерного знака;
- подсветка бардачка;
- ближний свет справа;
- ближний свет слева.
Электрическая схема автомобиля ВАЗ 2021 поможет в ремонте и обслуживании. Скачать картинку в высоком разрешении можно по ссылке.
Схема подключения генератора на ваз 2107 карбюратор
Генератор как вам известно неотъемлемая часть любого автомобиля, он необходим для зарядки автомобильного аккумулятора, а также для питания всех элементов электрооборудования во время движения вашего ваз 2107. Но к сожалению как и все, в любом автомобиле любой марки, генератор может выйти из строя, для его ремонта вам понадобится подробная схема подключения всех элементов цепи генератора. Ниже вы найдете подробную схему с описанием
Схема подключения генератора на ваз 2107 карбюратор
