Система смазки двигателя — ключевой элемент, обеспечивающий надежную работу автомобилей ВАЗ. В статье рассмотрим принципы работы этой системы, ее основные компоненты и функции, а также важность регулярного обслуживания и замены масла. Понимание работы системы смазки поможет владельцам автомобилей ВАЗ избежать поломок, продлить срок службы двигателя и обеспечить его производительность.
Система смазки двигателя ВАЗ
Система смазки двигателя обеспечивает подачу масла к трущимся поверхностям, что приводит к следующим преимуществам:
- снижению трения и увеличению механического КПД двигателя;
- уменьшению износа деталей, находящихся в контакте;
- охлаждению элементов двигателя;
- удалению продуктов износа из соединений деталей.
Система смазки двигателей ВАЗ является комбинированной, что подразумевает использование двух методов смазывания: под давлением и разбрызгиванием. При температуре масла в 85 °С и частоте вращения коленчатого вала 5600 об/мин, давление в системе смазки колеблется от 3,5 до 4,5 кгс/см². При минимальной частоте вращения коленчатого вала (от 850 до 900 об/мин) давление не должно опускаться ниже 0,5 кгс/см². Вместимость системы смазки, включая масло в фильтре, составляет 3,75 литра.
Система смазки двигателя ВАЗ включает в себя следующие компоненты:
- масляный картер;
- указатель уровня масла;
- масляный насос;
- приемный патрубок насоса с мелкой фильтрующей сеткой;
- полнопоточный масляный фильтр;
- редукционный клапан;
- указатель давления масла;
- датчики давления масла;
- контрольная лампа недостаточного давления масла в системе;
- каналы для подачи масла.
Под давлением смазываются подшипники коленчатого и распределительного валов, подшипники вала привода вспомогательных агрегатов, а также подшипник шестерни привода масляного насоса и распределителя зажигания.
Разбрызгиванием смазываются стенки цилиндров, поршни с поршневыми кольцами, поршневые пальцы в бобышках поршня, цепь привода распределительного вала, опоры рычагов привода клапанов и стержни клапанов в направляющих втулках.
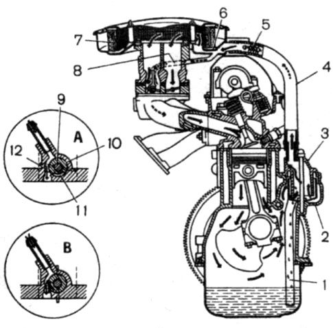
Циркуляция масла в системе осуществляется масляным насосом. Он забирает масло из картера и подает его через канал в блоке цилиндров в полнопоточный фильтр. Очищенное масло, выходя из фильтра, через главную масляную магистраль и каналы в блоке цилиндров, поступает к коренным подшипникам и подшипникам вала привода вспомогательных агрегатов. От коренных подшипников масло через внутренние каналы в коленчатом валу направляется к шатунным подшипникам. Часть масла разбрызгивается через отверстия в нижних головках шатунов, смазывая цилиндры и детали поршневой группы. Через каналы в блоке и головке цилиндров, а затем через магистральный канал в распределительном валу масло подается к подшипникам и кулачкам вала. Цепь привода распределительного вала получает смазку от масла, выходящего из передних опор распределительного вала и вала привода вспомогательных агрегатов.
На блоке цилиндров установлены датчики давления масла и контрольной лампы недостаточного давления. Эти датчики соединены с главной масляной магистралью. При запуске двигателя контрольная лампа загорается из-за недостаточного давления масла в системе. Когда двигатель работает, лампа должна погаснуть. В некоторых случаях она может продолжать гореть даже при нагретом двигателе, если он работает на малых оборотах при холостом ходе.
Эксперты в области автомобильной техники подчеркивают важность системы смазки двигателя автомобилей марки ВАЗ. Они отмечают, что качественная смазка обеспечивает надежную работу двигателя, снижая трение между движущимися частями и предотвращая их износ. Важным аспектом является выбор масла, которое должно соответствовать рекомендациям производителя. Специалисты также акцентируют внимание на регулярной замене масла и фильтров, что способствует поддержанию оптимального состояния системы смазки. Кроме того, они советуют следить за уровнем масла и состоянием системы, чтобы избежать серьезных поломок и продлить срок службы двигателя. Правильная эксплуатация системы смазки является залогом долговечности и надежности автомобиля.

Масляный насос
В картере двигателя размещается шестеренчатый насос, который оснащен маслоприемником и редукционным клапаном, встроенным в крышку. Насос фиксируется к блоку цилиндров с помощью двух болтов.
Внутри корпуса насоса находятся шестерни: ведущая шестерня жестко закреплена на валике насоса, а ведомая шестерня свободно вращается на оси, которая запрессована в корпус. Привод насоса осуществляется через цепную передачу от звездочки коленчатого вала к звездочке вала, который отвечает за приведение в действие вспомогательных агрегатов и установлен в блоке цилиндров в сталеалюминиевых втулках. Валик насоса оборудован винтовой шестерней, которая взаимодействует с шестерней привода масляного насоса и распределителя зажигания, вращающейся в металлокерамической втулке. На последних моделях автомобилей валик привода вспомогательных агрегатов также устанавливается в металлокерамических втулках.
| Элемент системы смазки | Функция | Возможные неисправности |
|---|---|---|
| Масляный насос | Создает давление в системе, подает масло к трущимся деталям | Износ шестерен, засорение маслоприемника, неисправность редукционного клапана |
| Масляный фильтр | Очищает масло от механических примесей и продуктов износа | Засорение, повреждение фильтрующего элемента, негерметичность корпуса |
| Масляный радиатор | Охлаждает масло, предотвращая его перегрев | Засорение сот, утечка масла, повреждение трубок |
| Масляный поддон | Служит резервуаром для масла | Деформация, трещины, утечка масла через прокладку |
| Маслопроводы | Каналы и трубки для циркуляции масла | Засорение, утечки, повреждение |
| Датчик давления масла | Контролирует давление масла в системе | Неисправность датчика, обрыв проводки, ложные показания |
| Редукционный клапан | Поддерживает оптимальное давление масла, сбрасывая излишки | Заедание, износ пружины, неправильная регулировка |
| Маслоуловитель (сапун) | Отделяет масляные пары от картерных газов | Засорение, повреждение, утечка масла |
| Щуп уровня масла | Позволяет контролировать уровень масла в двигателе | Повреждение, неправильное использование |
Интересные факты
Вот несколько интересных фактов о системе смазки двигателя автомобилей ВАЗ:
-
Масляный насос: В автомобилях ВАЗ используется шестеренчатый масляный насос, который обеспечивает циркуляцию масла по системе. Этот насос работает на основе принципа механического привода от коленчатого вала, что обеспечивает стабильное давление масла даже при высоких оборотах двигателя.
-
Система фильтрации: В системе смазки ВАЗ предусмотрены масляные фильтры, которые очищают масло от загрязнений и металлических частиц. Это особенно важно для продления срока службы двигателя, так как чистое масло снижает износ деталей и предотвращает образование отложений.
-
Типы масла: В зависимости от модели и года выпуска, автомобили ВАЗ могут использовать как минералку, так и синтетическое масло. Синтетические масла обеспечивают лучшую защиту при высоких температурах и нагрузках, что особенно важно для современных двигателей с высокими требованиями к смазке.

Масляный фильтр
Фильтр является полнопоточным и неразборным, он крепится к штуцеру блока цилиндров и соединяется с масляным насосом и главной масляной магистралью через специальные каналы. Для его демонтажа применяется устройство А.60312. При установке рекомендуется закручивать фильтр вручную, без использования дополнительных инструментов. Внутри стального корпуса фильтра располагается фильтрующий элемент, изготовленный из специального картона. У данного фильтра имеются противодренажный и перепускной клапаны. Противодренажный клапан предотвращает утечку масла из системы при остановке двигателя, а перепускной клапан обеспечивает обход масла в главную масляную магистраль в случае засорения фильтрующего элемента.
Вентиляция картера двигателя
Вентиляция картера двигателя ВАЗ осуществляется принудительно и в закрытом режиме, что исключает выброс картерных газов в атмосферу. Этот процесс происходит благодаря созданию разрежения в цилиндрах двигателя.
Система вентиляции картера состоит из следующих компонентов:
- шланг 4;
- маслоотделитель 2;
- вытяжной коллектор 6, расположенный под воздушным фильтром.
Во время работы двигателя картерные газы отводятся в вытяжной коллектор через маслоотделитель 2 с крышкой 3, где происходит отделение масла, которое затем стекает вниз по трубке 1. В шланге 4 установлен пламегаситель 5, который предотвращает попадание пламени в картер при возможных «хлопках» в карбюраторе.
Из вытяжного коллектора газы могут следовать двумя направлениями:
- в воздушный фильтр, минуя фильтрующий элемент 7, и затем через карбюратор в цилиндры двигателя вместе с горючей смесью;
- через шланг 8 в золотниковое устройство карбюратора, а затем в задроссельное пространство карбюратора.
Золотниковое устройство контролирует процесс отсоса картерных газов при различных оборотах коленчатого вала и состоит из золотника 10, установленного на оси 9 дроссельной заслонки первой камеры, и калиброванного отверстия 12. Золотник имеет канавку 11.
При низких оборотах коленчатого вала (дроссельные заслонки закрыты) разрежение на входе в карбюратор минимально, и основная часть газов отсасывается через шланг 8 через калиброванное отверстие 12 в задроссельное пространство карбюратора. Калиброванное отверстие ограничивает объем отсасываемых газов, и вентиляция оказывает незначительное влияние на уровень разрежения за дроссельной заслонкой.
С увеличением оборотов коленчатого вала и открытием дроссельной заслонки золотник 10 поворачивается, открывая дополнительный путь для газов через канавку 11. Газы начинают отсасываться как через шланг 8, так и в воздушный фильтр, что приводит к увеличению общего объема отсасываемых газов.
При высоких оборотах коленчатого вала (дроссельные заслонки открыты) основная часть газов отводится в воздушный фильтр, попадая в пространство за фильтрующим элементом.

Типы моторных масел для системы смазки
Система смазки двигателя является одной из ключевых составляющих, обеспечивающих его надежную и эффективную работу. Важнейшим элементом этой системы является моторное масло, которое выполняет несколько критически важных функций, включая смазку, охлаждение, очистку и защиту от коррозии. В зависимости от условий эксплуатации и конструктивных особенностей двигателя, моторные масла могут различаться по своему составу и характеристикам.
Существует несколько основных типов моторных масел, которые используются в системах смазки двигателей автомобилей ВАЗ:
- Минеральные масла: Эти масла получают из нефти и подвергаются минимальной переработке. Они обладают хорошими смазывающими свойствами и подходят для большинства стандартных условий эксплуатации. Однако их эффективность может снижаться при высоких температурах и нагрузках.
- Полусинтетические масла: Это масла, которые представляют собой смесь минеральных и синтетических компонентов. Они обеспечивают лучшую защиту двигателя по сравнению с чисто минеральными маслами, обладают высокой термостойкостью и стабильностью при изменении температуры. Полусинтетические масла рекомендуются для автомобилей, которые эксплуатируются в более жестких условиях.
- Синтетические масла: Синтетические масла производятся из химически синтезированных компонентов, что позволяет им иметь более стабильные характеристики и высокую производительность. Они обеспечивают отличную защиту двигателя, особенно при высоких температурах и нагрузках, а также способствуют экономии топлива. Синтетические масла идеально подходят для современных двигателей с высокими требованиями к смазке.
- Масла с добавками: Многие производители добавляют в моторные масла специальные присадки, которые улучшают их свойства. Эти добавки могут включать антифрикционные, моющие, противозадирные и антикоррозионные компоненты. Они помогают продлить срок службы масла и защитить двигатель от износа и загрязнений.
При выборе моторного масла для системы смазки двигателя ВАЗ важно учитывать не только тип масла, но и его вязкость, которая обозначается двумя числами, например, 10W-40. Первое число указывает на вязкость масла при низких температурах, а второе — при высоких. Правильный выбор вязкости масла обеспечивает оптимальную работу двигателя в различных температурных условиях.
Также следует учитывать рекомендации производителя автомобиля, указанные в руководстве пользователя. Это поможет выбрать наиболее подходящее масло, которое обеспечит надежную работу двигателя и продлит его срок службы.
Вопрос-ответ
Как проявляются неисправности смазочной системы?
Внешними признаками неисправностей смазочной системы являются повышенный расход материала, загрязнение масла, повышенное или пониженное давление системы и нагрев смазки в узлах трения.
Как смазываются поршни двигателя?
Поршни двигателя смазываются с помощью моторного масла, которое циркулирует по системе смазки. Масло подается из картера через масляный насос, проходит через масляные каналы и достигает поршней, где образует тонкую пленку, уменьшающую трение между поршнями и цилиндрами, а также способствует охлаждению и защите от износа.
Советы
СОВЕТ №1
Регулярно проверяйте уровень масла в двигателе. Это поможет избежать недостатка смазки, что может привести к серьезным повреждениям двигателя. Используйте щуп для контроля уровня и добавляйте масло при необходимости.
СОВЕТ №2
Меняйте масло и масляный фильтр в соответствии с рекомендациями производителя. Это обеспечит оптимальную работу системы смазки и продлит срок службы двигателя. Обычно замена масла рекомендуется каждые 5-10 тысяч километров пробега.
СОВЕТ №3
Обратите внимание на качество используемого масла. Выбирайте масла, соответствующие спецификациям вашего автомобиля, и отдавайте предпочтение проверенным брендам. Это поможет обеспечить надежную защиту двигателя от износа.
СОВЕТ №4
Следите за состоянием системы смазки. Регулярно проверяйте на наличие утечек масла, а также состояние шлангов и уплотнений. Раннее выявление проблем поможет избежать дорогостоящего ремонта в будущем.

