В любом автомобиле каждая деталь имеет важное значение и выполняет предназначенную ей роль. Такие функции есть и карбюратора. Являясь прибором для дозировки топлива и приготовления горючей смеси, он подготавливает топливо в цилиндрах к более полному сгоранию. Вся подготовка обычно заключается в том, что жидкое топливо распыляется на мелкие капли и испаряется, перемешиваясь с воздухом.
В машинах марки ГАЗ-53 на двигателях ЗМЗ-53 установлены карбюратор К-126 и К-135. Если сравнивать такие же детали, которыми оснащались в свое время ЗИЛ-130 и Москвич-412, то можно увидеть, что они очень похожи. Разница здесь очевидна в габаритах и возможностях его регулировки. Именно это и определяет некоторые особенности, которые обладают карбюраторы для ГАЗ-53.
Виды карбюраторов К-126
Карбюратор ГАЗ 53
Любой автомобиль — это целая конструкция, в которой отведена роль для каждой детали. Особенно важным элементом в транспортном средстве является карбюратор. С его помощью удается отрегулировать количество поступающего в двигатель топлива. Подготовка смеси происходит в цилиндрах. Внутри элементы устройства распыляют его на мелкие капли и испаряют под воздействием высоких температур, чтобы они смешались с воздухом и воспламенились. На автомобиле ГАЗ 53 установлен карбюратор модели К-126. Детали устройства чем-то напоминают элементы, которые были предусмотрены в конструкции карбюратора ЗИЛ-130.



Различия в подходе к К-126 и К-151
Регулировка карбюратора 4178 на уаз
Основные принципы ремонта и регулировки практически не отличаются для обеих линеек карбюраторов К-151 и К-126, за исключением специфики работы пневмоклапана и электронного блока К-151. Больше проблем возникает при неграмотной замене некоторых узлов карба запчастями иной модели.
Зачастую, после замены карбюратора К-151 более простой моделью К-126, возникает ряд проблем. Прежде всего плохое качество нижнего блока карбюратора приводит к образованию трещин, подсосу воздуха и резкому переобеднению смеси. Чтобы предупредить поломку, необходимо тщательно выровнять привалочную плоскость на наждачной бумаге, наклеенной на стекло.
В ряде случаев регулировка и ремонт карбюратора К-126 вообще не имеет смысла из-за значительного износа в местах сопряжения механических частей, например, в опорных отверстиях оси заслонок или штоков, резьбы регулировочных винтов. В таких местах может происходить подтекание и испарение бензина с одновременным подсосом воздуха. Их легко узнать по образовавшемуся обледенению корпуса карбюратора К-126.

Как работают системы?
Чтобы мотор работал эффективно, должна быть обеспечена надежная эксплуатация каждой системы:
- Поплавковая отвечает за состояние топлива и его количество. Впоследствии она организует передачу смеси в поплавковую камеру, где происходит ее обработка.
- Ускорительный насос способствует увеличению количества подаваемого топлива, что предотвращает остановку двигателя во время разгона.
- Система холостого хода является ответственной за сокращение подачи топлива в случае перехода на холостые обороты.
- Переходная система отвечает за включение соответствующего режима.
- Дозирующая система является ответственной за образование газовоздушного тумана. С ее помощью обеспечивается подача топлива внутрь мотора, когда транспортное средство переходит на движение со средними скоростями.
Дополнительно можно отметить систему экономайзера. Она организует подачу обогащенной воздухом смеси в двигатель при возрастании нагрузки.
Устройство карбюратора К126
Рассмотрим устройство карбюратора к126. Карбюратор к126н устроен аналогично. Карбюратор К-126 — эмульсионный, двухкамерный, с падающим потоком, с последовательным открытием дроссельных заслонок и сбалансированной поплавковой камерой.
Карбюратор имеет две смесительные камеры: первичную и вторичную. Первичная камера работает на всех режимах двигателя. Вторичная камера включается в работу при большой нагрузке (примерно после 2/3 хода дроссельной заслонки первичной камеры).
Для обеспечения бесперебойной работы двигателя на всех режимах карбюратор имеет следующие дозирующие устройства: систему холодного хода первичной камеры, переходную систему вторичной камеры, главные дозирующие системы первичной и вторичной камер, систему экономайзера, систему пуска холодного двигателя и систему ускорительного насоса. Все элементы дозирующих систем расположены в корпусе поплавковой камеры, ее крышке и корпусе смесительных камер. Корпус и крышка поплавковой камеры отлиты из цинкового сплава ЦАМ-4-1. Корпус смесительных камер отлит из алюминиевого сплава АЛ-9. Между корпусом поплавковой камеры, ее крышкой и корпусом смесительных камер установлены уплотнительные картонные прокладки.
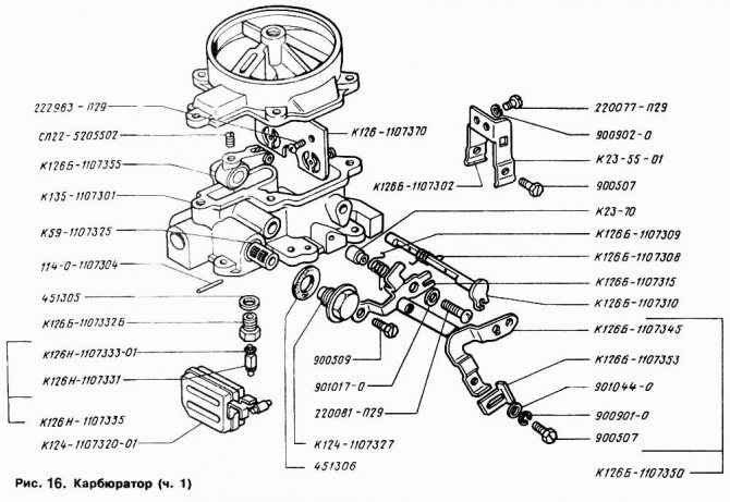
Устройство карбюратора К-126
В корпусе поплавковой камеры расположены: два больших 6. и два малых диффузора 7, два главных топливных жиклера 28, два воздушных тормозных жиклера 21 главных дозирующих систем, две эмульсионные трубки 23, расположенные в колодцах, топливный 13 и воздушный жиклеры системы холостого хода, экономайзер и направляющая втулка 27, ускорительный насос 24 с нагнетательным и обратным клапанами.
Распылители главных дозирующих систем выведены в малые диффузоры первичной и вторичной камер. Диффузоры запрессованы в корпус поплавковой камеры. В корпусе поплавковой камеры имеется окно 15 для наблюдения за уровнем топлива и работой поплавкового механизма.
Особенности конструкции
Особенность карбюратора ГАЗ 53 — это наличие двух отдельных камер. В модели также предусмотрен экономайзер, в котором удалось расположить привод и насос, ускоряющий подачу топлива. Корпус карбюратора делится на три части.
Соединение частей обеспечивается за счет крепежных винтов. Сетчатый фильтр способствует подаче топлива в поплавковую камеру, где происходит его обработка. Еще одним преимуществом модели является воздушная заслона, используемая в качестве пускового устройства. В ней установлен воздушный клапан. Он отвечает за предотвращение образования обогащенной газами смеси во время запуска двигателя.
Как регулировать холостой ход на К-126?
Эту процедуру следует проводить при двигателе, который прогрет до температуры 80 градусов Цельсия. Именно в этом случае карбюратор покажет оптимальные результаты. Перед тем как будет проведена подобная регулировка, следует обратить внимание на то, чтобы все детали системы зажигания находились в исправном состоянии, а зазоры обязательно соответствовали вышеприведенным требованиям.
Впервую очередь, заворачиваем до отказа винт регулировки смеси и выворачиваем его на 2,5 или 3 оборота. После этого нужно запустить двигатель и установить посредством упорного винта среднюю частоту вращения примерно до 600 оборотов в минуту.
Если регулировка карбюратора-126 была произведена правильно, то двигатель не будет глохнуть даже при резком открытии заслонки карбюратора — наоборот, он начнет набирать максимальные обороты.
Схема верхней части карбюратора ГАЗ-53
Устройство К-126
В конструкции карбюратора предусмотрены две камеры, каждая из которых имеет режим падающего потока топлива. Обе камеры не зависят друг от друга, и каждая обеспечивает цилиндры двигателя необходимым количеством топлива, которое поступает через впускную трубу.
Внутри поплавковой камеры находится воздушная заслона. В ней также предусмотрено два клапана, открывание которых происходит в автоматическом режиме.
Каждая камера дополнительно оборудована:
- двумя системами — холостого хода и дозирующей;
- распылителями.
Обе камеры похожи конструкцией. В каждой имеется система пуска холодного двигателя и насос, ускоряющий подачи смеси. Экономайзер один, поэтому соединение его с камерами осуществляется посредством предусмотренных клапанов. Механизмы привода отвечают за своевременную подачу топлива в цилиндры.
В системе холостого хода установлены жиклеры, которые делятся на топливный и воздушный. В каждом из этих элементов предусмотрены специальные отверстия, ведущие к камере, где происходит создание смеси.
Отверстие в нижней части жиклеров оборудовано винтом с уплотнительным кольцом из резины. Винт отвечает за регулировку состава подаваемой смеси. Уплотнитель предназначен для предотвращения проникновения воздуха.
Задача воздушного жиклера — эмульсирование смеси. В холостой системе также предусмотрена система дозировки топлива. Состав этой системы включает большой и малый диффузоры, ответственные за распределение топлива перед его отправкой в двигатель.
Главная дозирующая система
Является основой карбюратора. ГДС отвечает за своевременную транспортировку топливной смеси к двигателю и тщательно отслеживает ее состав. В результате такой работы топливо не обедняется и не обогащается излишними газами на средних оборотах двигателя. Камеры системы имеют по два жиклера: один топливный, второй — воздушный.
Система холостого хода
С ее помощью удается организовать стабильную работу силового агрегата при включении режима холостых оборотов. В конструкции системы есть дроссельная заслонка. Чтобы во впускной тракт поступала бензиновая смесь на холостом ходу транспортного средства, заслона немного приоткрывается.
Регулировкой смеси занимается дроссель, положение оси которого устанавливается посредством винта количества. Также имеется винт качества, он отвечает за обогащение или обеднение смеси.
Поплавковая камера
Для нее предусмотрено место в основном корпусе устройства. Основная задача — отслеживание уровня топлива и его поддержка, посредством чего удастся организовать эффективную работу систем питания силового агрегата.
Конструкция камеры включает:
- поплавок;
- запорный механизм.
Последний состоит из иглы, оборудованной мембраной, и седла клапана.
Экономайзер
Посредством работы данного элемента обеспечивается обогащение топливной смеси воздухом на больших оборотах двигателя внутреннего сгорания при увеличении нагрузки на устройство. Конструкция экономайзера включает клапан, максимальной открытие которого запускает порцию дополнительного топлива.
Ускорительный насос
Представляет собой маленький поршень, оборудованный манжетой. Он установлен внутри цилиндрического канала. Устройство отвечает за ускорение подачи топлива. Достигается это следующим образом: когда происходит резкое нажатие на педаль газа, привод дроссельной заслонки передает давление на поршень, и тот начинает быстро двигаться.
Система пуска
Одна из основных систем, посредством действия которой удается организовать эффективную работу холодного двигателя. Конструкция системы включает:
- несколько пневмоклапанов;
- систему рычагов.
Последние связывают две заслонки. Запуск холодного двигателя в ГАЗ 53 приводит к открытию заслонов и добавлению воздуха в карбюраторе. Это приводит к бесперебойной работе силового агрегата.
Принципы работы у систем К-135
Основные системы у карбюратора К-135 будут работать по принципу пневматического торможения бензина (воздушного). А вот его экономайзер будет работать уже без торможения. Система же холостого хода и главная дозирующая есть в каждой камере.
Управление на ГАЗ-53 будет осуществляться с педалью на полу кабины и системой тяги рычагов привода. Как вспомогательные элементы есть тяга ручного управления для дроссельных заслонок и такая же для воздушной заслонки.
Схема нижней части карбюратора ГАЗ-53
Основные неисправности
В процессе эксплуатации ГАЗ 53 в работе силового агрегата и карбюратора возникают проблемы. Большая часть неисправностей происходит из-за увеличенного расхода топлива независимо от того, какая смесь поступает в цилиндры — обедненная или обогащенная. Среди распространенных поломок выделяют:
- появление черного дыма из выхлопной трубы;
- неустойчивую работу двигателя на холостых оборотах;
- отсутствие развития оборотов;
- провал в работе ДВС во время резкого ускорения;
- небольшой разгон транспортного средства;
- отсутствие необходимой мощности.
Также одной из распространенных неисправностей является образование рывков при движении автомобиля. В любом случае при обнаружении проблемы в первую очередь стоит заглянуть в карбюратор, так как большая часть поломок происходит именно в этом устройстве из-за отказа той или иной системы. При желании можно исправить проблему самостоятельно, но лучше обратиться за помощью профессионалов.
Неисправности карбюратора
Не соблюдение условий периодичности технического обслуживания автомобиля может привести к поломкам. Неисправности подачи топлива карбюраторным устройством газ 53, прекращает нормальную работу при различных причинах и условиях. При выявлении неисправности узлов, необходимо определить какой именно агрегат дает сбои при работе. Случаются моменты, когда поломки вызваны не корректной работы системы зажигания. Перед ремонтом, необходимо проверить систему зажигания на наличие искры. Карбюратор к 135 стоит открывать только при случаях, если проверена система топливоподачи. Подача топлива может быть затруднена засорением топливо провода или шлангов.
Основные неисправности в работе карбюратора газ 53, может быть обогащение либо пере обеднение смеси. Оба фактора могут быть следствием неправильной регулировки к135му, отсутствие герметичности в работе системы или засорение системы подачи топлива.
Основные моменты:
- Большой расход топлива, неустойчивая работа на холостом ходу;
- Провалы при разгоне или повышенных нагрузках, следствие заклинивания поршня привода ускорительного насоса;
- Засорение жиклеров. Происходит при агрессивной среде эксплуатации, неисправных фильтрах;
- Разгерметизация корпуса поплавковой камеры к135 приводит к обеднению смеси, когда неустойчиво работает ДВС на определенных режимах;
- Перелив топлива в камеру сгорания за счёт неисправностей иглы поплавковой системы приводит к затрудненному запуску автомобиля.
Промывка и продувка систем потоком воздуха, агрегатов производится при выявлении одной из причин нестабильной работы, а также, качестве профилактики. Обычно ремонт карбюратора газ 53 рекомендуется доверить специалистам, они снабжены необходимым инструментом, навыками для качественной работы. Отрегулировать паз холостого хода своими руками можно сняв воздушный фильтр.

Регулировка карбюратора
Подразумевает выполнение следующих настроек:
- холостого хода;
- уровня топлива, которое находится в поплавковой камере;
- хода поршенька, предусмотренного в насосе-ускорителе;
- момента включения системы экономайзера.
Практически все регулировки проводятся с разборкой устройства. Единственная, которая не требует проведения подобных работ, — это регулировка холостого хода двигателя. Эта процедура является наиболее распространенной, и выполнить ее можно самостоятельно.
Остальные виды регулировок рекомендуется доверить профессионалам, у которых есть опыт работы и знания об устройстве карбюратора. Специалисты смогут правильно разобрать и собрать конструкцию устройства, а также обеспечат его надежную работу.
Регулировка холостого хода
Так как данный вид настроек можно провести самостоятельно, стоит подробнее рассмотреть, как это делать. Все, что потребуется владельцу транспортного средства — это:
- Заглушить двигатель и убедиться, что все системы не работают.
- Завернуть винты качества, установленные в обеих камерах, до конца.
- Открутить каждый винт примерно на 3 оборота.
- Запустить мотор и дождаться, пока он прогреется до рабочего состояния.
- В процессе работы двигателя выставить количество оборотов. Приблизительное количество оборотов должно составлять 600. Тахометр в ГАЗ 53 отсутствует, поэтому устанавливать обороты придется на слух. Нельзя, чтобы они были слишком высокими или низкими, так как тогда регулировка будет неэффективной.
- Закрутить один из винтов до момента, пока в работе ДВС не появятся перебои. Как только этого удастся достичь, необходимо отвести винт назад примерно на одну восьмую оборота. Это необходимо, чтобы работа двигателя была устойчивой.
- То же самое проделать с другой камерой, устанавливая нужное число оборотов на каждом винте.
Иногда за счет винта качества можно поднять обороты. Обычно такая необходимость возникает, когда при сбросе педали газа мотор начинает глохнуть или вовсе выходит из строя.
Когда все работы будут выполнены, останется проверить работоспособность карбюратора и комфортность эксплуатации транспортного средства. Если никаких посторонних шумов или проблем с работой двигателя не возникает, значит, регулировка выполнена верно.
ЗИЛ Помощник по хозяйству › Бортжурнал › Регулировка и настройка кабюратора (карб газ 53).
Всем привет! Стоит у меня такой карб газоновский визуально на фото он, номер не знаю на самам карбе 2 надписи уровень, и на обороте сделано в России. Вот такая проблемка вроде мелочь но и в тоже время не мелочь собрал мотор и теперь время настройки мотора. свечи перебрал крышка трамблера и провода новые, зажигание выставлено. На холостых вроде работает чисто, но нажимаешь педаль газа и провал или глохнет или подгазнешь пару раз разгазовывается максимальные обороты не развивает, тронутся не получается нормально машина не едет, в общем кошмар, карб чистил можно сказать слегка частичной разборкой тоесть снял верхнюю крышку уровень в норме, жиклеры продул вроде везде дуется. Хотя до ремонта не чихало и не кашляло ехало вроде пормально. Бензин вроде нормальный фирмы ГАЗПРОМ. В общем помогайте раскажите что в нем чистить то еще что крутить можно а куда не лезть.
П.С. С карбюратором вопрос решен, вылечил путем полной разборки, чистки вэдэшкой + компрессор и настройкой по мануалу.
Регулировка поплавка
Чтобы проверить правильность работы карбюратора, следует сначала определить количество топлива. Для этого рекомендуется взглянуть на положение поплавка конструкции. Важно, чтобы его перемещение на оси было свободным, а также была обеспечена герметичность корпуса.
Игла клапана поплавка должна двигаться свободно, без каких-либо заеданий в процессе перемещения. Если такое движение отсутствует, будет нарушена конструкция детали.
Проверка герметичности поплавка осуществляется посредством извлечения его из карбюратора и погружения в кипяток. Если на поверхности образуются пузырьки газа, значит, герметичность нарушена. Для устранения неисправности:
- Делают прокол в обнаруженном месте.
- Удаляют воду и топливо, скопившееся внутри поплавка.
- Просушивают поплавок.
- Герметизируют отверстие.
Такая регулировка обеспечит надежную работу элемента.
[~DETAIL_TEXT] =>
А.Н.Тихомиров КАРБЮРАТОРЫ К-126, К-135 АВТОМОБИЛЕЙ ГАЗ ПАЗ
А.Н.Тихомиров
КАРБЮРАТОРЫ К-126, К-135 АВТОМОБИЛЕЙ ГАЗ ПАЗ
Канд. техн. наук А.Н.Тихомиров
Карбюраторы серии К-126 представляют собой целое поколение карбюраторов, выпускавшихся Ленинградским карбюраторным , впоследствии ставшим АО «ПЕКАР» (Петербургские карбюраторы), почти сорок лет. Они появились в 1964 году на легендарных автомобилях ГАЗ-53 и ГАЗ-66 одновременно с новым тогда еще двигателем ЗМЗ-53. Эти двигатели, Заволжского моторного завода заменили собой знаменитый ГАЗ-51 вместе с применявшимся на нем однокамерным карбюратором.
Чуть позже с 1968 года Павловский автобусный завод начал выпуск автобусов ПАЗ-672, в семидесятых годах появилась модификация ПАЗ-3201,позднее ПАЗ-3205 и на всех устанавливается двигатель, сделанный на базе того же, что применялся на грузовиках, но с дополнительными элементами. Система питания не изменялась, и карбюратор тоже был, соответственно, семейства К-126.
Следует помнить, что карбюратор является лишь частью сложного комплекса, именуемого двигатель. Если, например, должным образом не работает система зажигания, мала компрессия в цилиндрах, негерметичен впускной тракт, то возлагать ответственность за «провалы» или большой расход топлива только на карбюратор, по крайней мере, нелогично. Необходимо отличать дефекты, относящиеся именно к системе питания, их характерные проявления во время движения, узлы, которые могут нести за это ответственность. Для понимания процессов, происходящих в карбюраторе, начало книги отводится описанию теории регулирования искровых ДВС и карбюрации.
В настоящее время Павловские автобусы являются практически единственными потребителями восьмицилиндровых двигателей ЗМЗ. Соответственно, карбюраторы семейства К-126 все реже встречаются в практике ремонтных служб. При этом эксплуатация карбюраторов продолжает задавать вопросы, на которые требуются ответы. Последний раздел книги посвящен выявлению возможных неисправностей карбюраторов и способам их устранения. Не надейтесь, однако, что найдете универсальную «отмычку» по устранению каждого возможного дефекта. Оцените ситуацию сами, прочтите то, что сказано в первом разделе, «приложите» это к вашей конкретной проблеме. Проведите полностью комплекс работ по регулировке узлов карбюратора. Книга рассчитана, прежде всего, на рядовых водителей и лиц, проводящих обслуживание или ремонт систем питания в автобусных или автомобильных парках. Надеюсь, что после изучения книги у них не возникнет более вопросов касающихся данного семейства карбюраторов.
Это интересно: Регулировка карбюратора лодочного мотора
Мощность двигателей внутреннего сгорания определяется энергией, которая заключена в топливе и высвобождается при сгорании. Для достижения большей или меньшей мощности необходимо, соответственно, подавать в двигатель большее или меньшее количество топлива. В то же время для сгорания топлива необходим окислитель — воздух. Именно воздух фактически засасывается поршнями двигателя на тактах впуска. Педалью «газа», связанной с дроссельными заслонками карбюратора, водитель может только ограничить доступ воздуха в двигатель или напротив разрешить двигателю наполняться до предела. Карбюратор в свою очередь должен автоматически отслеживать расход воздуха, поступающий в двигатель, и подавать пропорциональное количество бензина.
Таким образом, расположенными на выходе карбюратора дроссельными заслонками регулируется количество приготовленной смеси воздуха и топлива, а значит и нагрузка двигателя. Полная нагрузка соответствует максимальным открытиям дросселя и характеризуется наибольшим поступлением горючей смеси в цилиндры. На «полном» дросселе двигатель развивает наибольшую мощность, достижимую при данной частоте вращения. Для легковых автомобилей доля полных нагрузок в реальной эксплуатации невелика — около 10. 15%. Для грузовиков, наоборот, режимы полных нагрузок занимают до 50% времени работы. Противоположным полной нагрузке является холостой ход. Применительно к автомобилю это работа двигателя с отключенной коробкой передач, независимо от того, какова частота вращения двигателя. Все промежуточные режимы (от холостого хода до полных нагрузок) попадают под определение частичные нагрузки.
Изменение количества смеси, проходящей через карбюратор, происходит и при постоянном положении дросселя в случае изменения частоты вращения двигателя (количества рабочих циклов в единицу времени). В целом нагрузка и частота вращения определяют режим работы двигателя.
Автомобильный двигатель работает в огромном разнообразии эксплуатационных режимов вызванных изменяющейся дорожной обстановкой или желанием водителя. Каждый режим движения требует своей величины мощности двигателя, каждому режиму работы соответствует определенный расход воздуха и должен соответствовать определенный состав смеси. Под составом смеси понимается соотношение между количеством воздуха и топлива, поступающего в двигатель. Теоретически полное сгорание одного килограмма бензина произойдет в том случае, если при этом будет участвовать чуть меньше 15 килограммов воздуха. Величина эта определяется химическими реакциями горения и зависит от состава самого топлива. Однако в реальных условиях оказывается выгоднее поддерживать состав смеси хотя и близко к названной величине, но с отклонениями в ту или иную сторону. Смесь, в которой топлива меньше чем теоретически необходимо, называется бедной; в которой больше — богатой. Для количественной оценки принято использовать коэффициент избытка воздуха а, показывающий избыток воздуха в смеси:
Карбюратор ГАЗ 53
Любой автомобиль — это целая конструкция, в которой отведена роль для каждой детали. Особенно важным элементом в транспортном средстве является карбюратор. С его помощью удается отрегулировать количество поступающего в двигатель топлива.
Подготовка смеси происходит в цилиндрах. Внутри элементы устройства распыляют его на мелкие капли и испаряют под воздействием высоких температур, чтобы они смешались с воздухом и воспламенились.
На автомобиле ГАЗ 53 установлен карбюратор модели К-126. Детали устройства чем-то напоминают элементы, которые были предусмотрены в конструкции карбюратора ЗИЛ-130.
Смотрите также
-
Как правильно обкатать новый автомобиль
- Специальные автомобили на шасси советских автомобилей
- Система торможения автомобиля
-
Специальные автомобили на шасси советских автомобилей - Предрейсовые осмотры водителей
- Какая резина лучше на зиму шипы или липучка
- Жидкость для промывки дроссельной заслонки
- Как вывести полноприводный автомобиль из заноса
- Замена тормозных задних колодок тойота
- Разрешена ли парковка на тротуаре
- Сигнализация на авто самая лучшая
Как работают системы?
Чтобы мотор работал эффективно, должна быть обеспечена надежная эксплуатация каждой системы:
- Поплавковая отвечает за состояние топлива и его количество. Впоследствии она организует передачу смеси в поплавковую камеру, где происходит ее обработка.
- Ускорительный насос способствует увеличению количества подаваемого топлива, что предотвращает остановку двигателя во время разгона.
- Система холостого хода является ответственной за сокращение подачи топлива в случае перехода на холостые обороты.
- Переходная система отвечает за включение соответствующего режима.
- Дозирующая система является ответственной за образование газовоздушного тумана. С ее помощью обеспечивается подача топлива внутрь мотора, когда транспортное средство переходит на движение со средними скоростями.
Дополнительно можно отметить систему экономайзера. Она организует подачу обогащенной воздухом смеси в двигатель при возрастании нагрузки.
______________________________________________________________________________
Система питания двигателя ГАЗ-53
Система питания ГАЗ-53 (рис.1) состоит из топливного бака, топливопровода, фильтра отстойника, фильтра тонкой очистки топлива, топливного насоса, карбюратора, воздушного фильтра, впускной трубы и системы управления карбюратором.
Рис.1. Топливная система (система питания) ГАЗ-53 1, 18, 28 — топливопроводы;2 — топливный бак; 3 — штифт;4 — сетчатый фильтр;5 — прокладка; б — шайба алюминиевая; 7 — винт; 8 — трубка топливозаборная с фланцем; 9 — пружина; 10 — чашки фильтра; 11,14 — трубки; 12, 26—хомуты; 20, 13—шланги; 15 — карбюратор; 16 — фильтр тонкой очистки топлива; 17 — трубка; 19 — топливный насос; 21 — скоба; 22 — муфта трубки; 23 — гайка накидная; 24 — трубка; 25— винт хомута; 27 — гайка хомута Топливный бак ГАЗ-53 штампованный из двух половин и свариваемый по фланцам, изготавливается из листовой освинцованной стали. Заправочная емкость топливного бака 90 л. Не вырабатываемый остаток топлива не превышает 0,5 л. Сливные пробки топливных баков оборудованы устройством, позволяющим их пломбирование, для обеспечения сохранности топлива. На запорном устройстве пробок также имеются отверстия для установки пломб. Топливный бак автомобиля ГАЗ-53 расположен под полом кабины и крепится к раме автомобиля посредством кронштейнов и хомутов с прокладками. На верхней половине бака имеются фланцы, на которые устанавливаются фланец с топливозаборной трубкой 22 и датчик указателя уровня топлива 4.
В нижней половине бака имеется сливное отверстие, которое закрывается пробкой 21 с конической резьбой. Заливная горловина 1 топливного бака ГАЗ-53 крепится к кабине посредством стремянки и накладки соединяется с патрубком бака резиновым формованным (маслобензостойким) шлангом 24. Для обеспечения заправки бака топливом в заливную горловину впаяна воздуховыводная трубка, которая также соединяется с воздушной трубкой 19 резиновым шлангом 29. Соединения шлангов затягиваются хомутами. Заливная горловина закрывается пробкой, которая крепится и поджимается к горловине посредством трех пластинчатых пружинных ланок. Соединение уплотняется резиновой (маслобензостойкой) прокладкой. Для нормальной работы топливного бака пробка заливной горловины оборудована впускным (воздушным) и выпускным (паровым) клапанами. Выпускной клапан открывается под давлением 0,39 — 1,62 кПа, впускной — при разрежении в баке 0,44 — 3,53 кПа. Топливопровод ГАЗ-53 состоит из линии всасывания и линии нагнетания. Топливопроводы 1и 28 (см. рис.1) от топливного бака 2 до бензонасоса 19 (линия всасывания), а также входящую в трубопровод 28 трубку 24, изготавливают из латунных трубок наружным диаметром 10 мм. Топливопроводы 18, 17 и трубки 11, 14 (линия нагнетания) изготавливаются из латунных трубок наружным диаметром 8 мм. Тол щи н а стенок тру бок 0,8—1,0 мм. Увеличение диаметра топливопровода ГАЗ-53 на линии всасывания до 10 мм вызывается улучшением работы системы питания в условиях высоких (35 °С и более) температур окружающего воздуха. Места подсоединений топливопроводов ГАЗ-53 к штуцерам фильтра-отстойника, бензонасоса, фильтра тонкой очистки топлива и карбюратора уплотняются посредством конических муфт 22 и накидных гаек 23. Топливопроводы крепятся к раме автомобиля посредством скоб 21. В целях компенсации колебаний двигателя относительно рамы в месте подсоединения топливопровода к бензонасосу устанавливается маслобензостойкий резиновый с внутренней оплеткой шланг 20, соединение которого с латунными трубками уплотняется хомутами 26 с винтом 25 и гайкой 27. Топливозаборная трубка имеет сетчатый фильтр 4 с латунной сеткой № 016 (1420 ячеек на 1 см2). Фланец топливозаборной трубки, а также датчика уровня топлива уплотняются резиновыми маслобензостойкими прокладками 5 и крепятся пятью(на каждый) винтами 7, под головки которых устанавливаются алюминиевые уплотняющие шайбы. Топливный фильтр-отстойник ГАЗ-53 (рис.2). Фильтр-отстойник устанавливается на левом лонжероне автомобиля. Фильтр с пластинчатым фильтрующим элементом и штампованным стальным корпусом (стаканом отстойником). Рис.2. Фильтр-отстойник ГАЗ-53 1 — прокладка крышки; 2—крышка; 3— стяжной болт с прокладкой; 4 — топливоподводящий штуцер; 5 — прокладка фильтрующего элемента;6 — фильтрующий элемент; 7 — стойки (две); 8 — корпус отстойника; 9 — пробка коническая ; 10 — выходной штуцер; 11 — пластина фильтрующего элемента; 12 — отверстия для прохода топлива; 13 — выступы на пластине; 14 — отверстия (два) для стоек; 15—пружина; 16 — шайба элемента; 17 — тарелка верхняя элемента Крышка фильтра 2 изготавливается из чугуна. Корпус фильтра со стойкой в сборе посредством болта 3 подсоединяется к крышке 2. Между корпусом и крышкой устанавливается паронитовая прокладка 1. Внутри корпуса фильтра-отстойника ГАЗ-53 на стержне установлен фильтрующий элемент 6, состоящий из 170 кольцевых алюминиевых пластин 11 толщиной 0,15 мм. Пластины собраны на двух стойках 7 и зажаты пружиной 15 между шайбой 16 и тарелкой 17. Одновременно пружина прижимает фильтрующий элемент 6 к крышке 2 фильтра. Между тарелкой и крышкой поставлена прокладка 5. В пластинах 11 фильтрующих элементов имеются отверстия 12, которые у всех пластин совпадают и образуют таким образом ряд вертикальных каналов, а также два ряда штампованных выступов 13 высотой по 0,05 мм, благодаря которым между пластинами образуются зазоры, равные высоте выступов. Таким образом, фильтрующий элемент может задерживать частицы размером более 0,05 мм. Бензонасос ГАЗ-53 (рис.3) типа Б9Д, диафрагменный, с механическим приводом от эксцентрика, укрепленного на кулачковом валу двигателя, крепится двумя болтами к крышке распределительных шестерен в передней правой части двигателя. Между фланцем бензонасоса ГАЗ-53 и привалочной площадкой крышки установлена паронитовая прокладка толщиной 0,6 мм. В корпусе топливного насоса ГАЗ-53 (Б9Д) имеются: диафрагма 6 в сборе с верхней 7 и нижней 5 чашками, уплотняющимися к тяге 16 медной шайбой; уплотнитель 3 с располагаемым на нем стальным держателем и пружиной 15, рычаг привода насоса с осью, втулкой 20 и пружиной 18, рычаг ручного привода 1 с валиком 17 в сборе и возвратной пружиной. Ось рычага 21 плавающего типа уплотняется в корпусе с двух сторон резьбовыми заглушками. Валик ручного привода уплотняется в корпусе кольцевым резиновым уплотнителем. В головке 8 бензонасоса ГАЗ-53, имеющей всасывающую и нагнетательную полости, установлены, посредством запрессовки обоймы, два впускных 9 и один нагнетательный 14 клапаны. Клапан состоит из обоймы, изготавливаемой из цинкового сплава, резинового клапана и латунной пластины, поджимаемых пружиной (из бронзовой проволоки) 3. Пластина клапана предназначена для исключения коробления клапана при отсутствии топлива в топливной системе ГАЗ-53. Над впускными клапанами в головке 8 (см. рис.3) устанавливается сетчатый фильтр 10, изготовляемый из латунной сетки № 016, завальцованной в каркас. Крышка головки 12 двумя винтами 11 крепится к головке 8. Между крышкой и головкой установлена бензостойкая резиновая уплотнительная прокладка 13. Для исключения попадания на диафрагму из двигателя горячего масла и картерных газов на тяге 16 диафрагмы имеется резиновый маслобензостойкий уплотнитель 5. Сверху на уплотнителе устанавливается стальное кольцо (держатель), в которое упирается нижний конец пружины 15. Под вильчатый конец рычага 19 на тяге 16 диафрагмы устанавливаются две упорные шайбы 2: нижняя стальная, а верхняя текстолитовая. Шайбы устанавливаются перед высадкой конца тяги. Для контроля течи топлива при прорыве диафрагмы или нарушения ее уплотнения в месте крепления к тяге 16 в корпусе бензонасоса ГАЗ-53 имеется контрольное отверстие с установленным в нем сетчатым фильтром 4. Рабочая поверхность рычага 19, изготавливаемого методом штамповки из стального листа, соприкасаемая с эксцентриком кулачкового вала двигателя, подвергается нитроцементации и закалке до твердости 45-58. После длительных стоянок для заполнения карбюратора топливом следует пользоваться устройством ручной подкачки.
Рис.3. Бензонасос ГАЗ-53 Фильтр тонкой очистки топлива ГАЗ-53 (рис.4) крепится к кронштейну, устанавливаемому на двигателе перед карбюратором. Рис.4. Фильтр тонкой очистки топлива ГАЗ-53 1 — корпус; 2 — прокладка; 3 — элемент фильтрующий; 4 — пружина; 5 — стакан-отстойник; 6 — коромысла; 7—гайка-барашек; 8 — держатель стакана; 9 — каркас фильтрующего элемента; 10 — сетка фильтрующего элемента; 11 — пружина поджимная сетки Фильтрующий элемент разборной конструкции, включающий в себя: алюминиевый каркас элемента 9 с проточенными в его стенках кольцевыми канавками, внутри которых просверлены отверстия для прохода топлива, латунную фильтрующую сетку 10 (1400 ячеек на 1 см), которая в два слоя обернута вокруг каркаса, и пружину 11, прижимающую сетку к каркасу. Корпус 1 фильтра ГАЗ-53 отливается литьем под давлением из цинкового сплава. Стакан-отстойник пластмассовый изготавливается из фенопласта. Фильтрующий элемент 3 поджимается к корпусу 1 пружиной 4, упирающейся в стакан-отстойник 5. Между корпусом фильтра, стаканом-отстойником и фильтрующим элементом устанавливается объединенная формованная из маслобензостойкой резины прокладка 2. На отдельных автомобилях устанавливался фильтр тонкой очистки топлива с керамическим фильтрующим элементом взамен сетчатого. В отличие от сетчатого этот фильтр, кроме фильтрующего элемента, отличается применением двух отдельных прокладок между корпусом и стаканом-отстойником, а также корпусом и фильтрующим элементом, вместо одной (объединенной) у сетчатого фильтра. Воздушный фильтр ГАЗ-53 (рис.5) — инерционно-масляного типа предназначен для очистки воздуха, поступающего в двигатель. Рис.5. Воздушный фильтр ГАЗ-53 1 — фильтрующий элемент с крышкой в сборе; 2 — винт крепления фильтра к карбюратору; 3 — прокладка (резиновая); 4 — шайба; 5 — карбюратор; 6 — воздухонаправляющий патрубок; 7 — прокладка; 8 — отверстие вывода картерных газов; 9 — прокладка; 10 — патрубок поддона отвода картерных газов; 11— корпус фильтра; 12 — набивка фильтрующего элемента Воздушный фильтр ГАЗ-53 состоит из двух основных неразборных узлов: корпуса фильтра 11 со специально выштампованной масляной ванной и поддоном с патрубком для системы вентиляции, и фильтрующего элемента 1с крышкой в сборе. В качестве набивки 12 фильтрующего элемента применяются интенсивно закрученные и термофиксированные капроновые нити диаметром 0,23 — 0,3 мм. Активность масляной ванны заключается в том, что при повышении нагрузок двигателя скоростной воздушный поток захватывает и доносит масло из маслованны в набивку, которое, разбрызгиваясь по всему ее объему, активно участвует в очистке воздуха от пыли. Фильтр крепится к карбюратору 5 винтом 2 и дополнительным кронштейном для исключения поломок карбюратора. Впускная труба автомобиля ГАЗ-53 (рис.6). Труба одноярусная (с расположением впускных каналов в один ряд) отлита из алюминиевого сплава. Кроме основного назначения — подвода горючей смеси от карбюратора к цилиндрам двигателя,— она служит одновременно крышкой полости толкателей, а также корпусом фильтра полнопоточной очистки масла.
Рис.6. Впускная труба ГАЗ-53 1, 34,— выпускные коллекторы; 2 — штуцер к водяному насосу, 3 — шланг; 4, 5, 6 — хомут стяжной шланга; 7 — штуцер перепускной; 8 — труба впускная; 9 — термостат; 10 — гайка; 11 — бобышка; 12 — кран-отопитель кабины; 13 — заглушка; 14 — прокладка; 15 — патрубок отводящий; 16, 17, 18 — детали крепления патрубка; 19 — шпильки крепления трубы; 20 — шайба; 21 — датчик указателя температуры охлаждающей жидкости и двигателе; 22, 23 — шпильки крепления впускной трубы; 24 —шпилька крепления грузовой гайки: 25 —шайба; 26 — грузовая спецгайка; 27, 29. 36 — прокладки впускной трубы; 28 — прокладка выпускных коллекторов; 30, 31, 32, 33 — шпильки с гайками и шайбами крепления выпускных коллекторов; 35 — кожух теплозащитный генератора Впускные каналы трубы разделены на правый и левый ряды. Правый ряд питается от правой камеры карбюратора ГАЗ-53 и соединяет его с 1, 2,3 и 4-м цилиндрами двигателя; левый соединяет левую камеру карбюратора с 5,6, 7 и 8-м цилиндрами двигателя. Для обеспечения более равномерного распределения разрежения в каналах левого и правого рядов в перемычке, разделяющей ряды, имеются три соединительных балансировочных отверстия: одно в зоне под карбюратором и два других в передней и задней ее части. Для подогрева горючей смеси впускная труба имеет полость, сообщаемую с водяной рубашкой двигателя. Охлаждающая жидкость через соединительные каналы поступает из головок двигателя, омывает впускные каналы трубы и через выходной патрубок, в котором устанавливается термостат, выходит в радиатор или при закрытом термостате в водяной насос. На приливе трубы в зоне выхода охлаждающей жидкости в выходной патрубок имеется бобышка с коническим резьбовым отверстием, в которое ввертывается штуцер 7, соединяющий водяную полость трубы с водяным насосом ГАЗ-53 для обеспечения перепуска охлаждающей жидкости при закрытом клапане термостата. Между трубой и головками, а также трубой и блоком двигателя расположены четыре резиновые прокладки: две боковые, передняя и задняя. Карбюратор К-135 Карбюратор К-135 (рис.7) эмульсионный, двухкамерный с падающим потоком, с одновременным открытием дроссельных заслонок и балансированной поплавковой камерой. Карбюратор К135 двигателя ГАЗ-53 от карбюратора К-126 отличается регулировочными параметрами. Установлен с одновременным введением на двигателе головок цилиндров с винтовыми впускными каналами. Без изменения регулировочных параметров использование карбюратора К-135 на двигателях с обычными, ранее выпускавшимися головками цилиндров неприемлемо.
Рис.7. Схема карбюратора К-135 двигателя ГАЗ-53 и датчика ограничителя частоты вращения 1 — ускорительный насос; 2 — крышка поплавковой камеры; 3—воздушный жиклер главной системы; 4 — малый диффузор; 5 — топливный жиклер холостого хода; 6 — воздушная заслонка; 7 — распылитель ускорительного насоса; 8 — калиброванный распылитель экономайзера; 9—нагнетательный клапан; 10—воздушный жиклер холостого хода; 11— клапан подачи топлива; 12 — сетчатый фильтр; 13 — поплавок; 14 — клапан датчика; 15 — пружина; 16 — ротор датчика; 17 — регулировочный винт; 18 — смотровое окно; 19 — пробка; 20 — диафрагма; 21 — пружина ограничителя; 22 — ось дроссельных заслонок; 23 — вакуумный жиклер ограничителя; 24 — прокладка; 25 — воздушный жиклер ограничителя;26 — манжета; 27 — главный жиклер; 28 — эмульсионная трубка; 29 — дроссельная заслонка; 30 — регулировочный винт холостого хода; 31 — корпус смесительных камер; 32 — подшипники; 33 — рычаг привода дроссельных заслонок; 34 — обратный клапан ускорительного насоса; 35 — корпус поплавковой камеры; 36 — клапан экономайзера От каждой камеры карбюратора ГАЗ-53 горючая смесь подается независимо от другой через впускную трубу на свой ряд цилиндров: левая камера карбюратора (по ходу автомобиля) подает горючую смесь в 5, 6, 7 и 8 цилиндры, правая—в 1,2,3 и 4 цилиндры. В крышке поплавковой камеры карбюратора К135 (ГАЗ-53) расположена воздушная заслонка 6 с двумя автоматическими клапанами. Привод воздушной заслонки соединен с осью дроссельных заслонок системой рычагов и тяг, которые обеспечивают при пуске холодного двигателя открытие последних на угол, необходимый для поддержания пусковой частоты вращения коленчатого вала двигателя. Эта система состоит из рычага 5 (рис8) привода воздушной заслонки, который одним плечом действует на рычаг оси воздушной заслонки 6 , а другим — на рычаге привода ускорительного насоса, соединенного с рычагом дроссельных заслонок тягой 2. Рис.8. Регулировка карбюратора К-135 (ГАЗ-53) для угла открытия дроссельных заслонок при закрытой воздушной заслонке (пуск холодного двигателя) 1 — рычаг дроссельных заслонок; 2 — тяга; 3 — регулировочная планка; 4 — рычаг привода ускорительного насоса; 5—рычаг привода воздушной заслонки, 6 — ось воздушной заслонки Основные системы карбюратора К135 работают по принципу пневматического (воздушного) торможения бензина. Система экономайзера работает без торможения как элементарный карбюратор. Система холостого хода и главная дозирующая система имеются в каждой камере карбюратора. Ускорительный насос и система пуска холодного двигателя — общие на обе камеры карбюратора. Экономайзер имеет общий на обе камеры клапан экономайзера и отдельные распылители, выведенные в каждую камеру. Система холостого хода каждой камеры карбюратора К135 состоит из топливного жиклера 5 (см. рис.7), воздушного жиклера 10 и двух отверстий в смесительной камере: верхнего и нижнего. Нижнее отверстие снабжается винтом 30 для регулирования состава горючей смеси. Винт холостого хода для исключения подсоса воздуха уплотняется резиновым кольцом. На головке винта имеется накатка для возможности установки ограничителя поворота винта с обеспечением постоянства отрегулированного качественного состава смеси. Эмульсирование бензина обеспечивается воздушным жиклером 10. Главная дозирующая система состоит из большого и малого 4 диффузоров, эмульсионной трубки 28, главного топливного 27 и воздушного 3 жиклеров. Система холостого хода и главная дозирующая система обеспечивают необходимый расход бензина на всех основных режимах работы двигателя. В экономайзер карбюратора К135 входят детали как общие для обеих камер, так и отдельные для каждой камеры. К первым относятся механизм привода и клапан 36 экономайзера с жиклером, а ко вторым — жиклеры, расположенные в блоке распылителей (по одному на каждую камеру). Ускорительный насос 1 с механическим приводом состоит из поршня, механизма привода, обратного 34 и нагнетательного 9 клапанов и распылителей 7 в блоке. Распылители выведены в каждую камеру карбюратора и объединены с жиклерами и распылителями экономайзера в отдельный блок. Привод ускорительного насоса и экономайзера совместный. Он осуществляется от оси 22 дроссельных заслонок. Система пуска холодного двигателя ГАЗ-53 состоит из воздушной заслонки 6 с двумя автоматическими клапанами и системы рычагов, соединяющих воз-душную и дроссельную заслонки. Работа карбюратора ГАЗ-53 при пуске холодного двигателя. При пуске холодного двигателя горючую смесь необходимо обогащать. Это достигается прикрытием воздушной заслонки 6 (см. рис.7) карбюратора, что создает значительное разрежение у распылителей главных дозирующих систем в малых диффузорах и у выходных отверстий системы холостого хода в смесительной камере. Под действием разрежения бензин из поплавковой камеры карбюратора К135 (ГАЗ-53) через главные топливные жиклеры 27 поступает к эмульсионной трубке 28 и жиклерам 5 холостого хода. Через воздушные жиклеры 3 главной дозирующей системы и отверстия в эмульсионных трубках 28, а также через воздушные жиклеры 10 системы холостого хода в каналы поступает воздух, который, смешиваясь с бензином, образует эмульсию. Эмульсия через распылители малых диффузоров 4 и выходные отверстия систем холостого хода поступает в смесительные камеры карбюратора и далее во впускную трубу двигателя. Переобогащение горючей смеси после пуска двигателя при закрытой воздушной заслонке 6 предотвращается автоматическими воздушными клапанами карбюратора К-135 (ГАЗ-53), которые, открываясь, впускают дополнительный воздух и обедняют смесь до нужных пределов. Дальнейшее обеднение смеси достигается при открыванием воздушной заслонки 6 с места водителя. При полностью закрытой воздушной заслонке 6 дроссельные заслонки 29 автоматически приоткрываются на угол 12°. Работа карбюратора ГАЗ-53 с малой частотой вращения коленчатого вала на режиме холостого хода двигателя. При малой частоте вращения коленчатого вала двигателя на режиме холостого хода дроссельные заслонки 29 (см. рис.7) приоткрыты на угол 1-2°, а воздушная заслонка 6 открыта полностью. Разрежение за дроссельными заслонками достигает при этом 61,5—64,1 кПа. Это разрежение через отверстия, прикрытые регулировочными винтами 30 системы холостого хода, по каналам передается к топливным жиклерам 5 системы холостого хода. Под действием разрежения бензин из поплавковой камеры карбюратора К-135 (ГАЗ-53), пройдя главные жиклеры 27, через топливные жиклеры 5 системы холостого хода поступает в смесительную камеру, по пути смешиваясь с воздухом, поступающим через воздушные жиклеры 10 системы холостого хода. На режиме малой частоты вращения коленчатого вала двигателя воздух поступает также через верхние переходные отверстия системы холостого хода. Выходя из отверстий холостого хода, эмульсия дополнительно распыливается в смесительной камере воздухом, проходящим с большой скоростью через узкую щель, образованную стенкой смесительной камеры и дроссельными заслонками 29. Полученная таким образом горючая смесь поступает во впускную трубу двигателя. На этом режиме разрежение у распылителей главной дозирующей системы в малых диффузорах 4 незначительно, поэтому главные дозирующие системы не работают. Работа карбюратора К-135 (ГАЗ-53) на частичных нагрузках. При малых нагрузках необходимый состав смеси обеспечивается только системой холостого хода, а на частичных нагрузках — совместной работой главных дозирующих систем и системы холостого хода. Работа карбюратора К-135 (ГАЗ-53) на полных нагрузках двигателя. Для получения максимальной мощности двигателя дроссельные заслонки 29 (см. рис.7) карбюратора необходимо открыть полностью. За 5 — 7° до полного открытия дроссельных заслонок открывается клапан 36 экономайзера и дополнительное количество бензина, поступающего через систему, обогащает горючую смесь до пределов, обеспечивающих получение максимальной мощности. Система экономайзера работает по принципу элементарного карбюратора. При работе бензин поступает из поплавковой камеры к жиклеру мощности, расположенному в корпусе клапана 36 экономайзера, и далее к отдельно расположенному блоку распылителей, имеющему жиклеры, помимо распылителя главной дозирующей системы. Отдельный вывод экономайзера карбюратора ГАЗ-53 позволяет обеспечить своевременное (примерно при 1500 мин-1 коленчатого вала двигателя при полном открытии дроссельных заслонок) вступление в работу этой системы, что необходимо для правильного протекания внешней скоростной характеристики двигателя. Главная дозирующая система в это время также продолжает работать. Через систему холостого хода на режиме полных нагрузок двигателя поступает очень незначительное количество бензина. При разгоне автомобиля работа карбюратора К-135 (ГАЗ-53) обеспечивается впрыском в воздушный поток дополнительной порции бензина. Впрыск осуществляется ускорительным насосом через распылители 7 (см. рис.7). При резком открытии дроссельных заслонок 29 поршень ускорительного насоса 1 перемещается вниз. Под давлением бензина обратный клапан 34 закрывается, а нагнетательный клапан открывается и дополнительное количество бензина через распылители 7 впрыскивается в воздушный поток. При медленном открытии дроссельных заслонок карбюратора ГАЗ-53 бензин успевает перетекать из подпоршневой полости в поплавковую камеру через зазор между поршнем и стенками цилиндра ускорительного насоса. Лишь незначительная часть бензина, открывая нагнетательный клапан 9, попадает в воздушный поток. Клапан 9 и воздух, проходящий через отверстия для снятия разрежения с распылителя, предотвращают подсос бензина через систему ускорительного насоса во время работы двигателя с большой частотой вращения коленчатого вала двигателя на постоянном режиме. Остальные системы карбюратора К-135 (ГАЗ-53) работают при этом, как обычно. Управление карбюратором ГАЗ-53 (рис.9) осуществляется педалью 8 с резиновой накладкой 1, кронштейн 5 которой закреплен на полу кабины, и системой тяги рычагов привода. Дополнительно имеются тяга 31 ручного управления дроссельными заслонками и тяга 16 ручного управления воздушной заслонки.
Рис.9. Управление карбюратором ГАЗ-53 на двигателе ГАЗ-53 1 — накладка педали; 2 —ось рычага педали; 3 — болт(два)крепления кронштейна педали;4 — втулки пластмассовые; 5 — кронштейн педали; 6 — прокладка; 7 — втулка резиновая тяги; 8 — педаль; 9, 10, 11 — тяги с шарнирными наконечниками; 12 — пружина; 13 — кронштейн оттяжной пружины; 14 — регулировочный винт; 15 — сухарь; 16 — тяга воздушной заслонки; 17 — винт; 18 — закладка уплотнителя, 19 — уплотнитель тяг; 20 — наконечник; 21 — шаровой палец; 22 — тяга компенсатора; 23 — гайка; 24 — пружина компенсатора; 25 — корпус компенсатора; 26 — рычаг тяги компенсатора; 27, 37 — болты; 28 — винт зажима тяги ; 29 — кронштейн зажима оболочки тяги ручного управления карбюратора; 30 — зажим оболочки; 31 — тяга ручного управления карбюратором; 32 — винт зажима тяги; 33 — палец; 34 — рычаг ручного управления карбюратором; 35 — в гулка валика; 36— крон-штейн валика привода; 38 — валик привода Регулировка карбюратора ГАЗ-53 для минимально устойчивой частоты вращения на режиме холостого хода осуществляется путем резкого открытия дроссельной заслонки и сброса газа. Двигатель при этом не должен глохнуть. Если двигатель глохнет, надо несколько увеличить частоту вращения, ввернув упорный винт, а затем снова проверить правильность регулировки. Регулировку карбюратора К-135 для момента включения экономайзера производят при снятых крышке и прокладке поплавковой камеры. Нажатием пальца планка 1 (рис.10) устанавливается так, чтобы расстояние между ней и плоскостью поплавковой камеры находилось в пределах 14,8 — 15,2 мм. При этом регулировочной гайкой 2 штока устанавливают зазор между торцом гайки 2 и планкой 1 в пределах 2,8 — 3,2 мм. После регулировки гайку следует обжать. Необходимо следить за тем, чтобы дроссельные и воздушная заслонки поворачивались совершенно свободно и без всяких заеданий плотно прикрывали свои каналы. Допускаются зазоры между корпусами и заслонками не более 0,06 мм для дроссельных и 0,2 мм для воздушных заслонок. Допустимые зазоры проверяют щупами. Для проверки работы ускорительного насоса замеряют его производительность, которая должна быть не менее 12 см3 на 10 полных ходов поршня. Темп качения должен быть при этом 20 полных качений/мин. Ускорительный насос должен работать плавно, без заеданий. При этом обращают внимание на чувствительность ускорительного насоса. Это значит, что подача топлива через распылитель ускорительного насоса должна начинаться одновременно с началом хода дроссельных заслонок. Допустимое запаздывание не более 5°. При большем запаздывании следует подобрать новый поршень к колодцу ускорительного насоса или заменить резиновую манжету поршня ввиду их износа. Если производительность насоса меньше заданной величины, то это значит, что не плотны клапаны (обратный или нагнетательный) или засорился распылитель. Это повреждение ликвидируется промывкой и продувкой распылителя и седел клапанов, а также их протиркой (при необходимости). Рис.10. Регулировка карбюратора ГАЗ-53 для момента включения клапана экономайзера При регулировке карбюратора К-135 на необходимый угол открытия дроссельных заслонок при полностью закрытой воздушной заслонке, поступают следующим образом (см. рис.8). Ослабив крепление передвижной планки 3, размещенной на рычаге 4 привода ускорительного насоса, полностью закрывают рычагом 5 воздушную заслонку карбюратора. Далее приоткрывают рычагом 1 дроссельные заслонки так, чтобы зазор между стенкой смесительной камеры и кромкой заслонки был 1,2 мм (этому зазору соответствует угол открытия заслонок, равный 12°), и перемещают передвижную планку 3 до тех пор, пока она не упрется в выступ рычага, после чего закрепляют ее. Открыв и снова закрыв воздушную заслонку, проверяют правильность регулировки карбюратора К-135 путем замера указанного выше зазора. Малая частота вращения коленчатого вала на режиме холостого хода двигателя в карбюраторе К-135 регулируется с помощью двух винтов 2 качества смеси (по одному на каждую камеру) и одного упорного винта 1 дроссельных заслонок (винт количества смеси). Причем при завертывании каждого винта 2 смесь обедняется, а в случае отвертывания обогащается. Регулировочный винт количества смеси регулирует минимальное открытие дроссельной заслонки, при котором двигатель устойчиво работает без нагрузки.
______________________________________________________________________________
______________________________________________________________________________
- Сцепление ГАЗ-3308, 3309
- Разборка КПП ГАЗ-3308, 3309
- Ведущие мосты ГАЗ-3308
- Раздатка и карданы ГАЗ-3308
- Карданы ГАЗ-3307, 3309
- Задний мост ГАЗ-3309, 3307
- Подвеска ГАЗ-3309
- Рулевое управление ГАЗ-3309
______________________________________________________________________________
______________________________________________________________________________
- Сцепление ГАЗ-53, 3307
- КПП ГАЗ-53, 66
- Задний мост ГАЗ-53
- Рулевое управление ГАЗ-53, 66
- Установка зажигания ГАЗ-53
- Сцепление ГАЗ-66
- Ведущие мосты ГАЗ-66
- Тормозная система ГАЗ-66
- Лебедка и коробка отбора мощности ГАЗ-66
- Рабочие системы двигателя ГАЗ-66, ГАЗ-3307
- Двигатель ЗМЗ-402 Газель ГАЗ-2705
- Сцепление Газель ГАЗ-2705
- Коробка передач Газель ГАЗ-2705
- Передний мост Газель ГАЗ-2705
- Головка блока цилиндров и распредвал Камминз ISF 2.8
- Топливная система двигателя Газель Cummins ISF 2.8
- Блок цилиндров и поршневая группа двс Cummins ISF 2.8
- Коленвал двс Камминз ISF 2.8 Газель
- Двигатель Камминс Валдай ГАЗ-33106
- Сцепление и КПП Валдай
- Мосты Валдай
- Рулевое управление Валдай
Каталоги запасных частей и сборочных деталей
Особенности конструкции
Особенность карбюратора ГАЗ 53 — это наличие двух отдельных камер. В модели также предусмотрен экономайзер, в котором удалось расположить привод и насос, ускоряющий подачу топлива. Корпус карбюратора делится на три части.
Соединение частей обеспечивается за счет крепежных винтов. Сетчатый фильтр способствует подаче топлива в поплавковую камеру, где происходит его обработка. Еще одним преимуществом модели является воздушная заслона, используемая в качестве пускового устройства. В ней установлен воздушный клапан. Он отвечает за предотвращение образования обогащенной газами смеси во время запуска двигателя.
Немного о регулировке К-135
Регулировка К-135 на ГАЗ-53 при моменте включения экономайзера производится обязательно при снятых крышках и прокладке поплавковой камеры. Нажатием пальца планка будет устанавливаться таким образом, чтобы между ней и поплавковой камерой расстояние было не менее 14,8 и не более 15,2 мм.
Также при регулировке нужно обязательно отжать регулировочную гайку, чтобы между ней и поплавковой камерой был зазор в пределах 2,8 — 3,2 мм
Какие еще важные моменты имеет регулировка модели карбюратор К-135 для машины ГАЗ-53? Обязательно нужно следить за тем, чтобы дроссельные и воздушная заслонки свободно поворачивались и прикрывали собственные каналы без всяких заеданий. Зазоры допустимы и здесь, но не более 0,06 мм для дроссельных и 0,2 мм для воздушных заслонок. Соответствие обязательно нужно проверить щупами.
Следует обратить внимание и на работу ускорительного насоса. Его регулировка подразумевает замер производительности, которая должна быть не менее, чем 12 см3 на 10 полных ходов поршня. Сам же насос должен работать без заеданий. Важна и его чувствительность, которая подразумевает, что подача топлива должна идти одновременно с тем, как начинают работать дроссельные заслонки. Здесь разрешено запаздывание не больше, чем на 5°. Если запаздывание гораздо больше, что речь идет об износе — в этом случае подберите новый поршень к колодцу ускорительного насоса или замените резиновую манжету поршня.
А если производительность при проверке получилась гораздо меньшей величины? Значит, неплотно сидят клапаны или же просто засорился распылитель. Проблему в этом случае можно решить обычной продувкой или протиркой этих деталей.
При соблюдении всех вышеуказанных рекомендаций карбюратор будет работать как швейцарские часы.

Устройство К-126
В конструкции карбюратора предусмотрены две камеры, каждая из которых имеет режим падающего потока топлива. Обе камеры не зависят друг от друга, и каждая обеспечивает цилиндры двигателя необходимым количеством топлива, которое поступает через впускную трубу.
Внутри поплавковой камеры находится воздушная заслона. В ней также предусмотрено два клапана, открывание которых происходит в автоматическом режиме.
Каждая камера дополнительно оборудована:
- двумя системами — холостого хода и дозирующей;
- распылителями.
Обе камеры похожи конструкцией. В каждой имеется система пуска холодного двигателя и насос, ускоряющий подачи смеси. Экономайзер один, поэтому соединение его с камерами осуществляется посредством предусмотренных клапанов. Механизмы привода отвечают за своевременную подачу топлива в цилиндры.
В системе холостого хода установлены жиклеры, которые делятся на топливный и воздушный. В каждом из этих элементов предусмотрены специальные отверстия, ведущие к камере, где происходит создание смеси.
Отверстие в нижней части жиклеров оборудовано винтом с уплотнительным кольцом из резины. Винт отвечает за регулировку состава подаваемой смеси. Уплотнитель предназначен для предотвращения проникновения воздуха.
Задача воздушного жиклера — эмульсирование смеси. В холостой системе также предусмотрена система дозировки топлива. Состав этой системы включает большой и малый диффузоры, ответственные за распределение топлива перед его отправкой в двигатель.
Главная дозирующая система
Является основой карбюратора. ГДС отвечает за своевременную транспортировку топливной смеси к двигателю и тщательно отслеживает ее состав. В результате такой работы топливо не обедняется и не обогащается излишними газами на средних оборотах двигателя. Камеры системы имеют по два жиклера: один топливный, второй — воздушный.
Система холостого хода
С ее помощью удается организовать стабильную работу силового агрегата при включении режима холостых оборотов. В конструкции системы есть дроссельная заслонка. Чтобы во впускной тракт поступала бензиновая смесь на холостом ходу транспортного средства, заслона немного приоткрывается.
Регулировкой смеси занимается дроссель, положение оси которого устанавливается посредством винта количества. Также имеется винт качества, он отвечает за обогащение или обеднение смеси.
Поплавковая камера
Для нее предусмотрено место в основном корпусе устройства. Основная задача — отслеживание уровня топлива и его поддержка, посредством чего удастся организовать эффективную работу систем питания силового агрегата.
Конструкция камеры включает:
- поплавок;
- запорный механизм.
Последний состоит из иглы, оборудованной мембраной, и седла клапана.
Экономайзер
Посредством работы данного элемента обеспечивается обогащение топливной смеси воздухом на больших оборотах двигателя внутреннего сгорания при увеличении нагрузки на устройство. Конструкция экономайзера включает клапан, максимальной открытие которого запускает порцию дополнительного топлива.
Ускорительный насос
Представляет собой маленький поршень, оборудованный манжетой. Он установлен внутри цилиндрического канала. Устройство отвечает за ускорение подачи топлива. Достигается это следующим образом: когда происходит резкое нажатие на педаль газа, привод дроссельной заслонки передает давление на поршень, и тот начинает быстро двигаться.
Система пуска
Одна из основных систем, посредством действия которой удается организовать эффективную работу холодного двигателя. Конструкция системы включает:
- несколько пневмоклапанов;
- систему рычагов.
Последние связывают две заслонки. Запуск холодного двигателя в ГАЗ 53 приводит к открытию заслонов и добавлению воздуха в карбюраторе. Это приводит к бесперебойной работе силового агрегата.
Общее устройство
Схема карбюратора К 135 достаточно проста. Фактически он представляет собой два независимых узла, собранных в одном корпусе и объединенных общей поплавковой камерой. Соответственно, имеются и две дозирующие системы. В их состав входит основной диффузор, в сужении которого расположен распылитель топлива. Ниже находится смесительная камера, выход смеси из которой регулируется заслонкой газа.
Заслонки имеют общую ось, чем обеспечивается практически одинаковый объем воздуха, проходящего через камеры карбюратора. Ось заслонок связана тягами с педалью акселератора автомобиля.
Дозирующая система обеспечивает подачу топлива в пропорциональном отношении к подающемуся воздуху. Ключевым элементом системы является диффузор с узким каналом. При прохождении через него воздуха создается пониженное давление, зависящее от скорости проходящего потока. За счет этого явления осуществляется забор топлива через главный топливный жиклер из поплавковой камеры. Доступ к этим жиклерам возможен без разборки карбюратора и осуществляется через винтовые пробки в корпусе поплавковой камеры.
Основные неисправности
В процессе эксплуатации ГАЗ 53 в работе силового агрегата и карбюратора возникают проблемы. Большая часть неисправностей происходит из-за увеличенного расхода топлива независимо от того, какая смесь поступает в цилиндры — обедненная или обогащенная. Среди распространенных поломок выделяют:
- появление черного дыма из выхлопной трубы;
- неустойчивую работу двигателя на холостых оборотах;
- отсутствие развития оборотов;
- провал в работе ДВС во время резкого ускорения;
- небольшой разгон транспортного средства;
- отсутствие необходимой мощности.
Также одной из распространенных неисправностей является образование рывков при движении автомобиля. В любом случае при обнаружении проблемы в первую очередь стоит заглянуть в карбюратор, так как большая часть поломок происходит именно в этом устройстве из-за отказа той или иной системы. При желании можно исправить проблему самостоятельно, но лучше обратиться за помощью профессионалов.
Неисправности, влияющие на расход топлива
Признаки
Неисправности карбюратора негативно влияют на работу мотора. Признаки неполадок с карбюратором:
- Нестабильная работа ДВС на холостом ходу, или мотор на этих оборотах регулярно глохнет;
- Провалы на средних оборотах;
- При резком нажатии на педаль акселератора двигатель дергается и захлебывается;
- ДВС не развивает больших оборотов;
- Из трубы глушителя идет черный дым;
- Из карбюратора или из выхлопной трубы слышны хлопки и выстрелы;
- Двигатель работает только при полузакрытой воздушной заслонке;
- Мотор «троит» и заливает свечи;
- Двигатель трудно запускается, и только при нажатой педали газа.
Нужно отметить, что практически любая неполадка карбюратора сопровождается повышенным расходом топлива.
О допустимой норме здесь не может быть и речи, и при таком расходе стрелка датчика уровня топлива в салоне автомобиля стремительно приближается к нулю даже на скорости 60 км/ч по ровной дороге.
Возможные неисправности
- Самая простая неисправность, которая легко выявляется – это прохудившийся поплавок в поплавковой камере. Такая неполадка видна сразу, стоит только открыть капот моторного отсека. В таком случае пахнет бензином и залит весь карбюратор. Если неисправна запорная игла в поплавковой камере, то такой дефект не так явно выражен, но холостой ход уже не поддается регулировке.
Так выглядит поплавок карбюратора
Вообще различных причин неисправностей у карбюратора может быть много, ремонт такого непростого устройства лучше доверить хорошему грамотному специалисту.
Регулировка карбюратора
Подразумевает выполнение следующих настроек:
- холостого хода;
- уровня топлива, которое находится в поплавковой камере;
- хода поршенька, предусмотренного в насосе-ускорителе;
- момента включения системы экономайзера.
Практически все регулировки проводятся с разборкой устройства. Единственная, которая не требует проведения подобных работ, — это регулировка холостого хода двигателя. Эта процедура является наиболее распространенной, и выполнить ее можно самостоятельно.
Остальные виды регулировок рекомендуется доверить профессионалам, у которых есть опыт работы и знания об устройстве карбюратора. Специалисты смогут правильно разобрать и собрать конструкцию устройства, а также обеспечат его надежную работу.
Регулировка холостого хода
Так как данный вид настроек можно провести самостоятельно, стоит подробнее рассмотреть, как это делать. Все, что потребуется владельцу транспортного средства — это:
- Заглушить двигатель и убедиться, что все системы не работают.
- Завернуть винты качества, установленные в обеих камерах, до конца.
- Открутить каждый винт примерно на 3 оборота.
- Запустить мотор и дождаться, пока он прогреется до рабочего состояния.
- В процессе работы двигателя выставить количество оборотов. Приблизительное количество оборотов должно составлять 600. Тахометр в ГАЗ 53 отсутствует, поэтому устанавливать обороты придется на слух. Нельзя, чтобы они были слишком высокими или низкими, так как тогда регулировка будет неэффективной.
- Закрутить один из винтов до момента, пока в работе ДВС не появятся перебои. Как только этого удастся достичь, необходимо отвести винт назад примерно на одну восьмую оборота. Это необходимо, чтобы работа двигателя была устойчивой.
- То же самое проделать с другой камерой, устанавливая нужное число оборотов на каждом винте.
Иногда за счет винта качества можно поднять обороты. Обычно такая необходимость возникает, когда при сбросе педали газа мотор начинает глохнуть или вовсе выходит из строя.
Когда все работы будут выполнены, останется проверить работоспособность карбюратора и комфортность эксплуатации транспортного средства. Если никаких посторонних шумов или проблем с работой двигателя не возникает, значит, регулировка выполнена верно.
Регулировка и ремонт
Регулировка карбюратора
Без полной разборки устройства, возможно отрегулировать своими руками только уровень холостого хода. Расход топлива зависит напрямую от частоты вращения коленчатого вала. Принцип действия представляет регулировку карбюратора газ 53 винтами качества и количества.
Имеется несколько регулировок:
- Количество бензина в поплавковой камере;
- Настройка работы экономайзера;
- Ход поршня ускорительного насоса;
- Количество оборотов, жиклер холостого хода.
Правильное регулирование холостого хода производиться на исправном двигателе. Обычно процедуру производят после профилактики, чтобы исключить другие возможные причины нестабильной работы.
Вид карбюратора без крышки: 1 шток экономайзера; 2 планка привода эхономайзера и ускорителя; 3 — поршень ускорителя; 4 — главные воздушные жиклеры; 5 — тотивоподводящий винт ускорительного насоса; 6 — винты «качества»; 7 — винт «количества»
Процесс и схема регулировки ХХ на 53 карбюраторе представляет собой следующий принцип действия:
- Регулировочные винты холодного двигателя закручиваются до упора, после открутить на 3 полных оборота. Настроить карб возможно шлицевой отверткой;
- Прогреть двигатель до рабочей температуры;
- Количество оборотов к135му регулируется винтом на слух, так как автомобиль не оснащен тахометром. Обороты должны держаться между высокими и низкими, недопустимы протраивания и дергания;
- Винт качества к135 закручивается до начала уровня перебоев работы двигателя, настраивать необходимо постепенно, отрегулировать паз своими руками, до достижения нормальной, стабильной работы.
- Регулировка количества производится на обеих камерах, параллелью друг другу;
- В тех случаях, когда автомобиль глохнет при сбросе газа, возможно поднять рабочие обороты.
Ремонт карбюратора газ 53 производится при существенном повреждении узлов или выявленном загрязнении. Промывка производится по требованию, слишком частая процедура может забыть каналы топливной подачи, вывести приборы из строя. Наиболее распространенным методом является очистка поплавковой камеры. Отложения удаляются только верхним слоем, так как прикипевшая грязь может попасть во впускную часть каналов и нарушить работу всех систем. Причины нагара и отложений – некачественные или старые топливные фильтры. Карбюратор газ 53 при промывке, стоит сразу заменить все фильтра очистки топлива и воздуха.
В процессе разборки необходимо проверить состояние всех элементов системы. Отремонтируем жиклеры, заслонки и ускорительный насос, которые имеют тонкие каналы, при засорении, влияют на работу двигателя.
Техническое обслуживание и возможная регулировка карбюратора газ 3307, установленного на автомобиле газель, не требует полного снятия с двигателя. Завод предусмотрел, что демонтаж воздушного фильтра дает возможность плановой проверки состояния, регулировки холостого хода. При полной очистке и замене узлов производится снятие узла с двигателя. Правильная техническая эксплуатация, замена фильтров делают необходимость в полном ремонте минимальной. Достаточно производить профилактику по мере загрязнения в виде промывки карбюратора к-135.
Промывка производится с помощью горючей жидкости. Существуют специальные средства, принцип действия которых позволяет под давлением воздуха доставить жидкость в труднодоступные места, пазы. Наружная мойка производиться кисточкой до полного удаления отложений, грязи
Следует с осторожностью производить промывку внутренних деталей, так как существует вероятность нарушить уплотнения или засорить каналы грязью
Ремонт
Разборка и ремонт карбюратора К 135 осуществляется при повреждении деталей или сильном загрязнении устройства. Однако не следует злоупотреблять промывкой и чисткой. Ведь есть риск забить грязью каналы внутри карбюратора и нарушить приработавшиеся соединения.
Одной из самых частых операций является промывка поплавковой камеры. При этом убирают только легко удаляющиеся отложения. Плотно прикипевшую к стенкам грязь очищать не следует. Отложения в камере – следствие плохого состояния системы фильтрации топлива. Поэтому очистку следует совместить с заменой и чисткой фильтров.
При разборке карбюратора следует обратить внимание на состояние жиклеров, при необходимости их следует промыть. Проверяется состояние поплавков (они бывают двух типов – латунные и пластиковые), осей заслонок, ускорительного насоса. Все поврежденные детали следует заменять новыми.
Отдельно контролируют состояние поверхностей сопрягаемых деталей корпуса. В случае необходимости их притирают на поверочной плите.
По завершении работ производят обратную сборку, настройку и установку карбюратора на двигатель.
Карбюратор К135 1107010 ГАЗ-53, 3307; ПАЗ; КаВЗ, САЗ
Показать оптовые цены
Заказ только по телефону
- График работы
- Адрес и контакты
Карбюратор К135 1107010 (ГАЗ-53, 3307; ПАЗ; КаВЗ, САЗ)
Карбюратор К-135 устанавливается на автомобили ГАЗ-53, 3307, автобусы ПАЗ с двигателями ЗМЗ 511 серии. Карбюратор является важной составляющей топливной системы двигателя. Основной задачей карбюратора является смешивание горючего топлива с воздухом и подача получившейся смеси в цилиндры двигателя. Карбюраторы получили широкое использование на автомобилях советского производства второй половины 20 века. На свои бензиновые моторы карбюраторы устанавливали такие производители как ГАЗ, ЗИЛ, ПАЗ, ЛиаЗ, КаВЗ, САЗ и другие.Технически карбюратор является достаточно простым устройством, не требующий инновационных технологий для проектирования и производства. Ближе к концу 20 века карбюраторы стали вытеснятся инжекторными системами. Так как при простоте конструкции и удобстве использования имелись некоторые минусы использование карбюратора: расход топлива, относительная динамика, устаревшая технология. С 80 годов 20 века инженеры начали гонку за снижение расхода топлива и экономичностью автомобилей, а эти параметры плохо применимы при использовании карбюраторов. Тем не менее на территории СНГ и сегодня в строю достаточно большое количество автомобилей в которых применен карбюратор. Автомобиль ГАЗ-53 (3307) входит в число лидеров по произведенным грузовым машинам на территории постсоветского пространства и получил широкое применение во многих отраслях. Как и любой другой узел карбюратор со временем может выйти из строя.
Признаками того, что с вашим карбюратором не все в порядке являются:
Повышенный расход топлива
Отказ машины заводиться на холодную (горячую)
Провал тяги при нажатии на педаль газа
Мелкие рывки, следующие один за одним
Диагностику карбюратора всегда лучше доверить специалисту. Часто бывает, что карбюратор достаточно легко и дешево привести в рабочее состояние: чистка, установка ремонтного комплекта, замена иглы, настройка. Но на это не всегда есть время или нужный специалист. Так же карбюратор просто может отслужить свой срок службы и не подлежать настройке и ремонту. В данном случае карбюратор необходимо заменить.
На сегодняшний день на рынке представлены несколько производителей которые выпускают карбюраторы К-135 серии для автомобилей ГАЗ и ПАЗ:
- Торговая марка «Пекар» — широко известна, как производитель карбюраторов для советской техники.
- Московский карбюраторный завод — производство, ремонт и регулировка карбюраторов.
- А так же другие производители из стран Азии, которые производят некачественные подделки под именитых производителей.
Почему покупать карбюратор К-135 выгодно у нас:
- Мы сотрудничаем с ведущими производителями и крупными оптовыми компаниями
- Низкая цена и высокое качество предлагаемой детали
- Товар в наличии на складе
- Наши специалисты проконсультируют и подберут оптимальный вариант карбюратора для вашего автомобиля
Заказав карбюратор К-135 в нашей компании, вы получите качественную деталь, которая не требует дополнительных настроек и будет экономить топливо вашего автомобиля и обеспечивать уверенную и стабильную работу вашего двигателя.
VESKO-TRANS.RU
АвтоНовости / Обзоры / Тесты
Как Отрегулировать Карбюратор Газ 53
ГАЗ-53 регулировка карбюратора
Карбюратор ГАЗ 53 имеет двухкамерную систему, каждая из которых работает на 4 цилиндрах. Дроссель оборудован приводом непосредственно в обе камеры, поэтому топливо дозируется одновременно во все цилиндры. Для оптимального расхода топлива в различных режимах двигателя в карбюраторе предусмотрено несколько систем контроля состава карбюратора.
Вот так выглядит карбюратор, установленный на ГАЗ 53
Первоначально карбюратор имел марку K126B, его последующая модификация была K135 (K135M). В принципе, модели практически не отличаются, изменилась только схема управления устройством, а в последних выпусках из поплавковой камеры было удалено удобное смотровое окно. Сейчас нереально увидеть уровень бензина.
устройство
К-135 эмульгируется, имеет 2 камеры и нисходящий поток.
Две камеры независимы друг от друга, благодаря чему топливная консистенция подается в цилиндры через впускную трубу. Одна камера служит от 1-го до 4-го цилиндров, а другая. для остальных.
Воздушная заслонка расположена внутри поплавковой камеры и оснащена двумя автоматическими клапанами. Основные системы, используемые в карбюраторе, работают по принципу воздушного торможения бензином, не считая экономайзера.
Кроме того, каждая камера имеет собственную систему холостого хода, базовую систему дозирования и распылители. В 2 камерах карбюратора выдвинута только система крутого пуска, ускорительный насос, частично экономайзер, имеющий один клапан на две камеры, также имеет приводной механизм. Отдельно форсунки, расположенные в блоке распылителя и связанные с экономайзером, установлены на них.
Любая отдельная система содержит струи топлива и воздуха и два отверстия в смесительной камере. Резиновый кольцевой винт установлен в нижнем отверстии. Винт предназначен для контроля состава горючей консистенции. А резиновое уплотнение предотвращает просачивание воздуха через отверстие для винта.
Воздушная струя, в свою очередь, играет роль эмульгирующего бензина.
Система холостого хода не может обеспечить адекватный расход топлива для всех режимов работы двигателя, поэтому в дополнение к ней карбюратор имеет базовую систему дозирования, которая состоит из диффузоров: больших и малых, топливных и воздушных форсунок и эмульгированной трубки.
Основная система дозирования
Основой карбюратора является основная система дозирования (сокращенно GDS). Он обеспечивает постоянный состав автомобиля и не позволяет ему быть слабее или богаче на средних оборотах бензинового двигателя (ДВС). Одна топливная и одна воздушная форсунки установлены в каждой из камер системы.
Система холостого хода
система холостой ход Он предназначен для обеспечения измеренной производительности двигателя на отдельных оборотах двигателя. Дроссель карбюратора всегда должен быть слегка отклонен, и неработающая газовая смесь (XX) поступает во впускной тракт в обход GDS. Положение оси дросселя установлено количество винтов, а фирменные винты (по одному на каждую камеру) позволяют обогатить или исчерпать смесь в двадцать раз. Расход топлива автомобиля во многом зависит от регулирования.
Поплавковая камера
Поплавковая камера расположена в основном корпусе и поддерживает уровень газа в карбюраторе, необходимый для нормальной работы системы питания двигателя. Основными элементами в нем являются поплавок и запорный механизм, состоящий из иглы с мембраной и седлом клапана.
экономайзер
ГАЗ-66. регулирование ОПАСНОСТЬ. V-образный двигатель.
Гвоздь Пороша скажет и еще раз покажет, что процесс поиска «деревенщина» ХХ, что относится к любому карбюратору.
О карбюраторе К-135 (обзор возможных повреждений ацетона)
Видео может быть особенно интересным для всех автовладельцев карбюратор
К-135. А в остальном как.
Система экономайзера обогащает автомобиль на высоких оборотах двигателя при повышенной нагрузке. В экономайзере есть клапан, который при максимальном открытии дроссельной заслонки позволяет частям дополнительного топлива течь через каналы, минуя ГРС.
Ускорительный насос
В карбюраторе K126 (K135) ускоритель представляет собой поршень с манжетой, которая проходит в цилиндрическом канале. При резком нажатии на акселератор (газ) привод дроссельной заслонки, механически связанный с системой акселератора, заставляет поршень быстро перемещаться по каналу.
Схема карбюратора К126 с названием всех элементов
Ограничитель скорости
Система не позволяет коленчатому валу превышать определенную скорость из-за неполного открытия дроссельной заслонки. Пневматическая операция из-за разжижения диафрагмы перемещается в пневматическом клапане устройства, вращая ось дроссельных клапанов, механически соединенных с ограничительным узлом.
Система запуска
Стартерная система обеспечивает стабильную работу холодного двигателя. Система состоит из воздушных клапанов, расположенных в воздушной заслонке, и системы рычагов, соединяющих дроссель и воздушную заслонку. Потянув всасывающий трос, воздушная заслонка закрывается, тяги тянут дроссель вперед и открывают его.
Когда запускается холодный двигатель, газ 53 клапана в воздушной заслонке открывается под вакуумом и добавляет воздух в карбюратор, предотвращая задержку двигателя на слишком богатой смеси.
Неисправности карбюратора
В карбюраторе GAS 53 может быть много разных неисправностей, но все они связаны с увеличением расхода топлива, независимо от того, поступает ли обогащенная или обедненная смесь в цилиндры. Помимо увеличения расхода топлива, характерны следующие признаки неисправности:
- Черный дым исходит из выхлопной трубы. Это особенно заметно при резком увеличении оборотов двигателя. В этом случае выстрелы могут быть сделаны в глушитель;
- Двигатель работает на холостых оборотах, также может остановиться на двадцатых;
- Мотор не развивает вращение, дроссели, попсы переходят во впускной коллектор;
- При резком ускорении двигателя внутреннего сгорания происходит сбой;
- Медленное ускорение автомобиля, но на высоких скоростях автомобиль едет нормально;
- Недостаток мощности, двигатель не развивает скорость;
- Прыжки при вождении особенно заметны при наборе скорости.




