Основные сведения о контроллере положения коленчатого вала
Теперь предлагаем ознакомиться с основной информацией касательно датчика коленвала. Где находится это устройство, как проверить девайс, какие бывают типы? Ответы ищите ниже.
Место монтажа, назначение и устройство
ДПКВ или датчик коленчатого вала представляет собой небольшой по размерам девайс, предназначенный для передачи информации о положении коленвала. Информация отправляется на модуль управления, то есть блок. Регулятор отвечает за впрыск. От работоспособности ДПКВ зависит правильная работа форсунок двигателя, которые отвечают за подачу топлива. Также ДПКВ влияет на работоспособность системы зажигания в целом. Что касается места расположения, то найти контроллер не трудно — он находится в моторном отсеке, рядом со шкивом коленвала, зафиксирован датчик на масляном насосе с помощью болта.
Принцип работы
Необходимо учитывать, что в «Четырках» могут использоваться разные ДПКВ и отличаются между собой они не только по конструктивным особенностям, но и по принципу работы. К примеру, если речь идет о контроллере индуктивного типа, то он оснащается стальным стержнем с магнитом, использующимся для намагничивания датчика. Сверху стержня располагается обмотка из медной проволоки. В этом случае принцип действия основан на подаче импульса, если рядом располагается металлический предмет.
Есть также датчики, принцип работы которых основан на эффекте Холла, сам контроллер Холла располагается внутри конструкции. Если к ДПКВ поднести металлическое устройство, то состояние датчика поменяется. Кроме того, в «Четырках» используются и импульсные устройства, которые предназначены для генерирования сигналов определенной частоты.
Возможные неполадки и методы их устранения
Как проверить и определить неработоспособность регулятора? Причин, по которым ДПКВ может сломаться, много, начиная от загрязнения устройства и заканчивая выходом из строя самого девайса или повреждением проводки.
Для начала рассмотрим основные симптомы поломки:
- силовой агрегат автомобиля стал нестабильно работать на холостых оборотах — обороты могут произвольно повышаться и уменьшаться;
- также может снизиться мощность автомобильного мотора;
- когда водитель жмет на газ, могут проявляться провалы, при которых мощность авто не увеличивается;
- возникают трудности с запуском двигателя;
- компьютерная диагностика может показать ошибки 0335 или 0336, при таких проблемах, вероятнее всего, причину нужно искать в повреждении электроцепи рядом с разъемом.
Что касается основных поломок:
- поврежден корпус девайса, тогда единственным выходом будет замена датчика;
- произошло замыкание витков на самой обмотке, из-за чего управляющий модуль получает неверные сигналы — также потребуется замена устройства;
- естественный износ датчика — от этого никуда не уйти, датчик придется менять;
- произошло повреждение зубьев на шкиве коленвала, при такой неисправности нужно менять сам шкив (автор — канал AUTO REPAIR).
Как самостоятельно поменять ДПКВ?
Легче всего проверить работоспособность контроллера путем замены его на заведомо рабочий девайс. Если в результате замены симптомы неисправностей больше проявляются, то можно точно сказать, что установленный ранее датчик коленвала является неработоспособным.
Как поменять устройство своими силами:
- Сначала следует отключить зажигание и открыть капот автомобиля.
- Найдите место монтажа контроллера, ищите его на маслонасосе, рядом со шкивом коленвала.
- Если посадочное место датчика грязное, то перед демонтажем устройства его следует очистить. Проследите за тем, чтобы поверхность вокруг девайса была максимально чистой.
- Затем отключите разъем с проводами, подключенный к датчику, открутите винт, который его фиксирует и извлеките контроллер из места монтажа. Визуально проверьте возможное наличие повреждений на корпусе устройства, а также зубчатый шкив.
- Прежде чем установить новый ДПКВ, еще раз прочистите посадочное место. Установите новый контроллер, закрутите винт, который его крепит. При закручивании будьте внимательны и не переусердствуйте при затяжке.
- Используя щуп, следует также проверить зазор между шкивом и сердечником контроллера. В идеале этот зазор должен быть не более 1 мм, допускается незначительное отклонение в 0.4 мм в большую сторону.
- Когда ДПКВ будет установлен, необходимо завести силовой агрегат и проверить его работу. Если вы заметили, что двигатель завелся быстро и уверенно, то замена была выполнена верно (автор видео — канал IZO)))LENTA).



Как диагностировать код ошибки P0343
Это руководство о том, как будет диагностировать ошибку P0343 профессиональный автомеханик. Это может потребовать некоторых навыков в электропроводке автомобиля и необходимых инструментов. Вы получите информацию о том, как сделать всё правильно, без замены исправных деталей.
Всегда подключайте автомобильное зарядное устройство, когда ищите неисправность. Низкое напряжение может вызывать другие коды ошибок и даже повредить блоки управления.
- Измерьте напряжение на холостом ходу (> 14 Вольт) и при выключенном двигателе (> 12 Вольт).
- Подключите OBD2 сканер для считывания кода P0343.
- Осмотрите датчик положения распределительного вала на наличие внешних повреждений и убедитесь, что он не загрязнен маслом. Осмотрите разъём и проверьте отсутствие коррозии / плохого контакта.
- Измерьте сопротивление между контактами датчика распредвала с помощью цифрового мультиметра. Если между контактами сопротивление бесконечно, то внутри датчика обрыв цепи.
- Снимите разъем с ЭБУ двигателя и по электрической схеме найдите контакты датчика распределительного вала. Выставьте мультиметр в режим измерения сопротивления и проверьте цепь до датчика. Если соединения нет, возможно, в проводке обрыв. Проверьте сопротивление между проводами. Если между проводами есть соединение, значит короткое замыкание в проводке до датчика.
- Проверьте сигнал от датчика коленчатого вала с помощью осциллографа (для продвинутых).
- Замените датчик распредвала, если он неисправен / отремонтируйте проводку.
- Удалите ошибку и сделайте пробную поездку, чтобы убедиться, что проблема исчезла. После нескольких тест-драйвов проверьте ЭБУ, чтобы убедиться, что неисправность устранена.
Если вы не обнаружите никаких повреждений проводов или ДПРВ, то это может быть неисправный блок управления двигателем. Но это случается действительно редко. Перед заменой блока управления убедитесь, что проверили всё остальное, так как они довольно дорогие.


Характерные симптомы неполадки
Как проверить датчик положения распредвала?
Практика показывает, что неисправность датчика положения распределительного вала не ведет к отказу мотора и обездвиживанию транспортного средства. Двигатель продолжает работать с некоторыми отклонениями, мешающими нормальной эксплуатации авто. Симптомы выхода из строя ДПРВ довольно туманны и похожи на неполадки других измерительных элементов:
- Нестабильная работа мотора на холостых оборотах и в процессе движения.
- Вместо динамичного разгона после нажатия педали газа наблюдается серия мелких рывков и вялый набор скорости.
- Мощность силового агрегата снижается. Эффект становится заметен при увеличении нагрузки – на подъеме, резком ускорении, во время буксирования прицепа.
- Индикатор Check Engine на приборной панели загорается не всегда. Но многие водители отмечают, что при неисправном измерителе табло вспыхивает после увеличения оборотов коленчатого вала до 3000 об/мин и более.
- Расход горючего закономерно увеличивается.
Если измерительный элемент неисправен, блок управления готовит и подает в цилиндры обогащенную топливовоздушную смесь. Отсюда возникает увеличение расхода бензина и нестабильная работа на холостом ходу. Рывки и падение мощности обусловлены несвоевременной подачей искры – контроллер «не видит» окончания такта сжатия в цилиндре и не может четко определить угол опережения зажигания.
На различных моделях автомобилей отмечаются дополнительные признаки неисправности датчика распредвала:
- мотор неожиданно глохнет в процессе движения, при этом заводится без проблем;
- холодный пуск двигателя становится затрудненным;
- на машинах, оборудованных роботизированной коробкой передач, возникают сложности с автоматическим переключением скоростей;
- двигатель «троит» – слышны пропуски циклов зажигания, иногда наблюдаются хлопки в выпускном коллекторе;
- на некоторых авто случается отказ силовой установки из-за отсутствия искрообразования.
Езда с поломанным измерителем ДПРВ допустима в течение короткого периода. Рывки, обогащенная топливная смесь и ошибки электроники ускоряют износ свечей зажигания и деталей двигателя. После обнаружения перечисленных симптомов машину стоит отправить на диагностику либо отыскать источник проблемы самостоятельно.
Датчик фаз. Симптомы неисправности и диагностика
Привет. Сегодня хотел поговорить о датчике распредвала(фаз). А точнее о симптомах его поломок. На примере автомобилей семейства ВАЗ.
Датчик фаз. Картинка из свободного доступа интернета.
Датчик фаз – один из элементов системы управления двигателем, отслеживает положение газораспределительного механизма. С помощью этого датчика определяется начало работы двигателя по первому цилиндру и реализуется фазированный впрыск.
Расположение датчика фаз на 16 клап.двигателе автомобилей семейства ВАЗ. Картинка из свободного доступа интернета.
В случае выхода из строя датчика фаз обычно наблюдаются следующие симптомы:
- Для запуска двигателя требуется более длительная прокрутка стартером( к примеру, система с блоком Бош 7.9.7).
- Могут наблюдаться несильные подергивания при ускорениях.
- Загорается лампа неисправности двигателя “Ошибка датчика фаз”.
- Наблюдается увеличение расхода топлива.
При выходе из строя датчика фаз, система управления двигателем переходит на попарно-параллельный впрыск. В этом случае каждая форсунка выполняет впрыск половины дозы топлива дважды за один цикл. Работа в аварийном режиме. Во время просмотра диагностическим оборудованием можно увидеть как время впрыска при этом уменьшается наполовину.
Во время проверки осциллографом индивидуальных катушек зажигания, можно увидеть увеличение частоты пробоя искры.
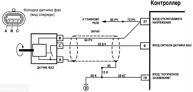
К датчику фаз подходит 3-и провода.
Питание 12В, минус и выходной сигнал прямоугольной формы непосредственно с датчика.
Сигнал прямоугольной формы датчика фаз.
В случае отсутствия питания проверяем проводку на обрыв.
Схема подключения датчика фаз системы управления двигателя с блоками Январь 7.2, Бош 7.9.7, М73.
Питание датчика идет непосредственно с электронного блока( Январь 7.2, Бош 7.9.7, М73).Нередки случаи перегорания плюсовой контактной перемычки внутри блока.
Это происходит, когда при включенном зажигании снятый разъём с датчика фаз касается корпуса двигателя. В таком случае запаиваем перемычку в разъёме эбу или меняем разъем целиком.
Чаще из строя выходит сам датчик.
Сейчас встречается много некачественной продукции. Из большого разнообразия хочу выделить датчик фаз вот этого производителя( не реклама). Просто чтобы не мучались с покупкой и затем с обменом на другой.
Надеюсь статья будет полезна автолюбителям.
Замена датчика распредвала ваз 2114
Симптомы неисправности дмрв ваз 2114: как проверить датчик
Увы, не всегда визуальный осмотр позволяет получить ответ на вопрос о неработающей датчике фаз. Потому вам предстоит провести демонтажные работы, осмотреть и при необходимости заменить устройство.
Демонтированный ДФПриступать к демонтажу ДФ можно только при условии, что аккумуляторная батарея выключена. В противном случае может сгореть не только датчик, но и вся проводка, весь автомобиль.
Приступаем к работе. Процедура замены ДФ на 8-клапанном и 16-клапанном двигателях несколько отличается, потому обе ситуации мы рассмотрим отдельно.
Замена ДФ на 8-клапанном двигателе
- Первым делом определяем, где же наш датчик находится. А располагается он вверху двигателя, справа около воздушного фильтра.
- Фиксация устройства осуществляется с помощью одного болта. Открутить его вам поможет обычный гаечный ключ на 10 миллиметров.
- Открутив крепежный элемент, извлеките датчик распределительного вала.
- Обязательно закройте гнездо, куда вставляется девайс. Это позволит предотвратить попадание мусора и посторонних предметов. Тем самым вы гарантируете себе правильную работу нового устройства.
- Взяв девайс в руки, визуально изучите его текущее состояние согласно инструкциям, приведенным выше.
- Если на поверхности скопилась грязь, пыль, удалите ее, использую обычную сухую ветошь из хлопчатобумажной ткани. Вытрите устройство, избавившись от влаги и загрязнений, после чего попробуйте поставить его на место.
- В случае, если указанные выши ошибки вновь показались на экране вашего бортового компьютера, придется извлекать устройство и ставить на его место новое.
- В некоторых, очень редких ситуациях, даже замена измерителя не позволяет избавиться от проблем. Это связано со сдвигом напрессованной контролирующей шестеренки. Случается редко, но кто знает, может подобная ситуация — это именно ваш случай. Исправить подобную поломку можно только с помощью специализированного оборудования. Решить проблему своими руками даже при желании невозможно.
- Несколько чаще ошибки ДФ возникают из-за того, что ремень ГРМ был неправильно установлен в процессе замены, либо он оказался слишком растянут в результате установки или длительной эксплуатации.
Пробираемся к устройству
Замена ДФ на 16-клапанном двигателе
Если вы имеете дело с 16-клапанным силовым агрегатом, тогда процедура демонтажа и замены поврежденного датчика распределительного вала будет выглядеть несколько иначе.
- Располагается искомый девайс с лицевой части под воздушным коллектором. Ищите устройство в непосредственной близости от шкива первого распределительного вала.
- Теперь, когда местоположение девайса определено, можно приступать к демонтажным работам.
- Снимите решетку радиатора.
- Удлинителем с головкой на 10 миллиметров открутите два крепежных элемента.
- Визуально изучите состояние измерительного устройства, убедитесь в чистоте контактов и целостности проводки.
- При обнаружении дефектов на старом датчике, поставьте на его место новый.
- В процессе замены, ни в коем случае не используйте дополнительные герметики или уплотнительные средства, поскольку датчик постоянно находится в очень агрессивной среде, где регулярно меняется температура. Лишние составы способны спровоцировать поломку масляной системы и даже всего двигателя.
Проверка датчика распредвала ваз 2114
Итак, вам удалось заменить ДФ. Работа не сложная, но имеет свои нюансы. Сложнее всего — добраться до искомого устройства. Все остальное — дело пары движений.
Но поставить новый ДФ — мало. Нужно еще убедиться, что устройство работает и посылает необходимую информацию на ваш электронный блок управления.
Для проверки нужно:
- Вернуть на аккумулятор минусовую клемму;
- Запустить двигатель;
- С помощью сканера или контроллера проверить машину на наличие ошибок;
- Прислушаться к работе силового агрегата, который должен функционировать стабильно без признаков неисправностей;
- Проверить приборную панель, чтобы там не горела лампочка Check;
- Порадоваться в случае правильно проведенной замены.

Практика показывает, что в случае с 16-клапанным двигателем работа занимает несколько больше времени по сравнению с 8-клапанными силовыми агрегатами. В любом случае, на проверку и замену у вас должно уйти не более часа.
Принцип работы датчика
Общий вид датчика распределительного вала
Датчик распределительного вала или датчик фаз – деталь основного силового агрегата автомобиля, которая отвечает за считывания информации о местоположении распределительного вала, а также участвует в регулировке угла зажигания.
Данный измеритель по принципу действия похожий с датчиком Холла .
Считывание происходит при помощи специальной шестерни распределительного вала, на которой отсутствуют зубья. Отсутствующие элементы расположены таким образом, что когда данный промежуток попадает на датчик, то первый поршень находится в мёртвой точке, в верхней или нижней.
Схема работы датчика фаз
Сигнал срабатывает и передается на электронный блок управления двигателя, когда датчик попадает на отсутствующие зубья. В свою очередь, в зависимости от пришедшего показателя, ЭБУ проводит регулировку угла зажигания. Благодаря установке такой системы, двигатели «Самара-2» стали эффективнее и популярнее.
Месторасположение датчика под капотом ВАЗ-2114
Датчик распределительного вала на ВАЗ-2114 расположен возле воздушного фильтра, на очень близком расстоянии от головки блока цилиндров. Это местоположение измерителя почти всегда стандартно для остальных автомобилей инжекторной группы.
Месторасположение датчика распредвала
Основные причины поломки датчика
Прежде чем приступить непосредственно к процессу диагностики, необходимо выяснить причины неисправности датчика фаз ВАЗ-2114.
Итак, перейдем непосредственно к самым прямым и косвенным показателям:
Электрическая схема датчика
- Появление на приборной панели, всем известного – Check Engine , сигнализирует о том, что появились неисправности. В данном случае, старт двигателя происходит, не дожидаясь ответа от датчика распределительного вала, а система зажигания работает на основе последних показателей.
- Повышенный расход топливной смеси , также может послужить косвенным показателем неисправности ДПРВ.
- Автомобиль начинает терять мощность и динамику в целом.
Совокупность данных причин может послужить косвенным показателем неисправности датчика распределительного вала.
Замена прибора
Как проверить датчик массового расхода воздуха на автомобиле ваз 2114 своими руками?
Демонтаж детали не представляет сложности. Находим его за фильтром воздуха. Корпус датчика фазы закрепляется болтом.
Вначале отключим клеммы от аккумуляторной батареи. В этом случае электронный блок будет обесточен. Память блока управления обнуляется.
Если не отключить бортовую сеть, то не почувствуем разницу. После замены блок будет поддерживать режим, как и при неисправном датчике фаз. Управление процессом нормализуется лишь после нескольких пусков двигателя.
Инструмент и материалы для снятия датчика имеются в арсенале каждого автомобилиста. Надо приготовить ключ на десять, герметик, спирт, ветошь. Откручивать болт крепления удобно ключом с накидной головкой. Герметик возьмите фирмы ZOLLEX. Он рассчитан на температуру до 350°С.
Замена датчика займет 10 минут. Первым делом отсоединяем колодку проводов от датчика фаз. Для этого одной рукой необходимо отогнуть фиксатор, а другой — вытянуть проводку. Далее откручиваем единственный болт. Он находится с обратной стороны. Вынимаем корпус запчасти.
Тем более не следует использовать слесарный инструмент ударного типа. Пластмассовый корпус может потрескаться. Остатки попадут внутрь.
Перед установкой нового устройства надо очистить посадочное место. На стыковочное кольцо наносим тонкий слой герметика. Выдерживаем несколько минут. Ставим датчик распредвала на место. Прикручиваем болт.
Смело подключаем провода. Окисленные контакты на штекере очищают спиртом. Распиновка проводов не нарушится. На ВАЗ 2115 предусмотрен замок. При подключении клеммника следите за фиксатором. Защелка должна войти в зацепление.
Вот и все. Не забываем подключить клемму на аккумулятор. Включаем зажигание. Заводим автомобиль и наблюдаем за панелью приборов. Индикатор должен потухнуть через секунду после завода. Это означает, что замена произведена удачно.
Конечно, главный тест ВАЗ 2115 пройдет на дороге. Поэтому включаем передачу и наслаждаемся рычанием мотора. Если проблема решена, то двигатель восстановит былую резвость, а машина — динамику разгона.
Правильная «фазировка» газораспределения — залог стабильной и экономичной работы любого двигателя, особенно инжекторного. Вся система управления впрысковым мотором построена на данных, получаемых от многочисленных датчиков, в том числе и датчика фаз, или датчика положения распределительного вала. Как и любой другой расходник, этот датчик требует периодической проверки, которую лучше проводить с помощью специального оборудования. Несмотря на это, есть несколько способов того, как проверить мультиметром датчик фаз ВАЗ-2114 своими руками в гаражных условиях.
Как проверить датчик коленчатого вала
Перед тем как приступать к проверке датчика синхронизации приборами, необходимо отметить на двигателе его начальное положение. Сняв электронное устройство, осмотрите его на наличие внешних повреждений. Если датчик загрязнен, необходимо его очистить, в том числе и удалить коррозию с контактов, если таковая имеется, при помощи бензина или спирта. При отсутствии внешних повреждений датчика, можно приступать к его диагностике при помощи приборов.
Проверка датчика коленвала на сопротивление
Самым простым, но и наименее надежным, способом проверки датчика коленчатого вала является замер его сопротивления. Проверка проводится при помощи омметра, который имеется в современном мультиметре. По результатам проверки удается выяснить сопротивление катушки индуктивности датчика.
Чтобы провести проверку мультиметром, необходимо его щупы подключить к выводам датчика. Замерив подобным образом сопротивление катушки индуктивности, надо сравнить его с идеальными показателями для датчика конкретной марки автомобиля. Если такие данные обнаружить не удалось, принято считать, что датчик исправен, если его сопротивление находится в диапазоне от 550 до 750 Ом.
Проверка ключевых параметров датчика коленчатого вала
Второй способ диагностики датчика коленчатого вала предполагает замер сразу нескольких его параметров при помощи ряда приборов:
- Омметр. Замер сопротивления производится так же, как описано в инструкции выше, и полученный результат должен находиться в диапазоне от 550 до 750 Ом;
- Измеритель индуктивности. С его помощью потребуется проверить индуктивность датчика, которая на работоспособном устройстве должна находиться на уровне от 200 до 400 мГн;
- Вольтметр и мегаомметр. С их помощью замеряется сопротивление изоляции, которое при напряжении в 500 Вольт не должно превышать 20 МОм.
Обратите внимание, что для снятия идеальных показаний, необходимо проводить процедуру в помещении, температура в котором находится в диапазоне от 20 до 22 градусов.
Важно: Если в процессе ремонта или диагностики датчика был случайно намагничен диск синхронизации, его можно размагнитить с помощью сетевого трансформатора.
Проверка датчика коленвала осциллографом
В сервисных центрах для диагностики параметров датчика синхронизации используют осциллограф, который позволяет замерить стабильность характеристик. На итоговых диаграммах можно четко видеть провалы в получении сигнала, которые указывают на проблемы работы датчика или поломку зубцов синхродиска.
При установке датчика после диагностики, важно пользоваться метками, которые были сняты при его демонтаже. Также следует помнить о расстоянии в 0,5-1,5 мм между его сердечником и диском синхронизации.
Похожие записи
Датчик давления масла: принцип работы и как проверить
Горит давление масла: основные причины срабатывания датчика, диагностика, решение проблемы
Горит лампочка тормозов на панели приборов: причины, диагностика, решение проблемы
- Peugeot
- Автомобильные аксессуары
- Аккумулятор
- База знаний
- ВАЗ
- Генератор
- Датчики Датчик давления масла
- Датчик массового расхода воздуха
- Датчики удара
- Другие датчики
- Двигатель
- Автоматическая
- Стоп-сигналы
- Индикаторы
- Антифриз
- Бензобак
- Двигатель
#ОкейДрайв © 2021 Автомобиль — это просто, и мы это докажем. Статьи по ремонту и эксплуатации автомобилей, а также полезные советы для автолюбителей.
Несанкционированное использование материалов, размещённых на сайте, запрещено законом об авторских правах. При использовании материалов ссылка на сайт обязательна. Политика cookie Политика обработки персональных данных
Всем добрый день! Проверяем датчик положения распредвала (ДПРВ).
Отсоединяем разъем, включаем зажигание, проверяем цепь.
Цепляем ДПРВ напрямую к АКБ. Тестер цепляем к холостому контакту.
Проверяем ДПРВ. Подносим металлический предмет к магниту ДПРВ.
Значение на тестере должно измениться. В нашем случае не меняется. Диагноз: ДПРВ мертв (предполагается).
Последствия неисправности ДПРВ:
1. Затруднительный запуск двигателя, ошибки р0340, р0341.
2. При дальнейшей эксплуатации — появления ошибок трансмиссии (коды не сохранились), пропадает тяга (авто переходит в ограниченный но не аварийный режим работы).
3. При сбросе ошибок — возврат к пункту 1, появляется тяга.
P.S. Материал предоставлен для размышления (это не догма). ДПРВ на момент представления материала не заменен на исправный. Позже будут предоставлены подтверждения либо опровержения данного материала. Кто желает может самостоятельно проверить: на исправном авто отсоедините от бортовой сети ДПРВ и поэксплуатируйте авто.
Проверка Холла тестерами- это оригинально! Питание бог подаст, да? Кончайте тут маразмы плодить, серьезно. P0314 в случае Bosch EDC16C39 НЕ ЗАПИСЫВАЕТСЯ при неисправности датчиков распредвала. Условия записи ИНЫЕ. Хоть бы мануал почитала, писательница




