В статье рассмотрим электросхему инжекторного двигателя 16 клапанов автомобиля ВАЗ Приора. Понимание электрических схем важно для диагностики и ремонта, так как они помогают выявить неисправности в системе питания и управления двигателем. Предоставим информацию о компонентах схемы, их назначении и взаимосвязи, что поможет механикам и автолюбителям лучше ориентироваться в устройстве автомобиля и эффективно решать проблемы.
Электрическая схема автомобиля ЛАДА ПРИОРА
Владельцам легковых автомобилей Lada Priora и автоэлектрикам, занимающимся их ремонтом, предлагаем ознакомиться с качественными цветными электросхемами. В них подробно указаны все предохранители, реле, вентиляторы и другие модули. Модель Lada Priora оснащена 1,6-литровым 16-клапанным двигателем, а также антиблокировочной системой тормозов (АБС) и кондиционером. Данный материал будет полезен специалистам в области электрооборудования и работникам сервисных центров, занимающимся техническим обслуживанием и ремонтом автомобилей, а также может быть использован для обучения сотрудников СТО.
Эксперты отмечают, что электросхема инжекторного двигателя 16 клапанов на ВАЗ Приора является ключевым элементом, обеспечивающим эффективную работу автомобиля. Она отвечает за управление подачей топлива и зажиганием, что напрямую влияет на производительность и экономичность двигателя. Специалисты подчеркивают важность правильной диагностики и обслуживания этой системы, так как неисправности могут привести к снижению мощности и увеличению расхода топлива. Кроме того, наличие качественной схемы подключения позволяет избежать ошибок при ремонте и модернизации. Важно, чтобы владельцы автомобилей имели доступ к актуальной информации и рекомендациям по обслуживанию электросистемы, что поможет продлить срок службы автомобиля и повысить его надежность на дороге.

Принципиальные схемы электрооборудования
LADA PRIORA 21723
Схемы электрических соединений для автомобиля Lada Priora 21723
Соединения блока комбинации приборов
| Элемент электросхемы | Назначение | Расположение |
|---|---|---|
| ЭБУ (Электронный блок управления двигателем) | Управление впрыском топлива, зажиганием, холостым ходом и другими параметрами двигателя | Под панелью приборов, со стороны пассажира |
| Датчик положения коленчатого вала (ДПКВ) | Определение положения и скорости вращения коленчатого вала для синхронизации работы двигателя | На блоке цилиндров, напротив зубчатого шкива коленчатого вала |
| Датчик положения распределительного вала (ДПРВ) | Определение положения распределительного вала для фазированного впрыска топлива | На головке блока цилиндров, со стороны ремня ГРМ |
| Датчик массового расхода воздуха (ДМРВ) | Измерение количества воздуха, поступающего в двигатель | Между воздушным фильтром и дроссельным узлом |
| Датчик температуры охлаждающей жидкости (ДТОЖ) | Измерение температуры антифриза для корректировки топливоподачи и угла опережения зажигания | На корпусе термостата |
| Датчик положения дроссельной заслонки (ДПДЗ) | Измерение угла открытия дроссельной заслонки для определения нагрузки на двигатель | На дроссельном узле |
| Датчик кислорода (лямбда-зонд) | Измерение содержания кислорода в отработавших газах для оптимизации состава топливовоздушной смеси | В выпускном коллекторе или приемной трубе |
| Форсунки | Впрыск топлива во впускной коллектор | На впускном коллекторе, по одной на каждый цилиндр |
| Модуль зажигания (катушки зажигания) | Создание высоковольтного импульса для свечей зажигания | На головке блока цилиндров, по одной на каждый цилиндр (или общий модуль) |
| Свечи зажигания | Воспламенение топливовоздушной смеси в цилиндрах | В головке блока цилиндров |
| Топливный насос | Подача топлива из бака в топливную рампу | В топливном баке |
| Главное реле | Подача питания на ЭБУ и другие компоненты системы управления двигателем | В монтажном блоке под капотом |
| Реле топливного насоса | Включение/выключение топливного насоса | В монтажном блоке под капотом |
| Предохранители | Защита электрических цепей от перегрузок | В монтажных блоках под капотом и в салоне |
| Диагностический разъем (OBD-II) | Подключение диагностического оборудования для считывания ошибок и параметров работы двигателя | В салоне, под панелью приборов |
Интересные факты
Вот несколько интересных фактов о электросхеме инжектора 16 клапанов на ВАЗ Приора:
-
Система управления двигателем: ВАЗ Приора оснащена системой управления двигателем (ECU), которая отвечает за оптимизацию работы инжектора. Она получает данные от различных датчиков (например, датчика положения дроссельной заслонки, датчика температуры охлаждающей жидкости и других) и регулирует подачу топлива и зажигание, что позволяет достичь более эффективного сгорания и снизить выбросы.
-
Диагностика и самодиагностика: Электросхема Приоры включает в себя систему самодиагностики, которая позволяет выявлять неисправности в работе двигателя. При помощи специального сканера можно считать коды ошибок, что значительно упрощает процесс диагностики и ремонта.
-
Модульная структура: Электросхема ВАЗ Приора имеет модульную структуру, что позволяет легко заменять отдельные компоненты, такие как датчики или исполнительные механизмы, без необходимости замены всей системы. Это делает обслуживание и ремонт более удобными и экономичными для владельцев автомобиля.

Назначение контактов колодки комбинации приборов
- К электроусилителю рулевого управления
- К сигнализатору аварийной сигнализации
- К датчику критического давления масла
- К переключателю стояночного тормоза
- К блоку управления иммобилизатором
- К блоку управления системой подушек безопасности
- К выключателю внешнего освещения
- К переключателю указателей поворота (правый бок)
- К переключателю указателей поворота (левый бок)
- К блоку управления системой впрыска топлива
- К датчику отключения подушки безопасности для переднего пассажира
- К датчику непристегнутых ремней безопасности
- К блоку управления электронным распределителем тормозных усилий
- К кнопке «RESET» на подрулевом переключателе (-)
- К датчику уровня тормозной жидкости
- К датчику управления системой антиблокировки тормозов
- К выключателю дальнего света фар
- К выключателю подсветки комбинации приборов
- Корпус
- К клемме «30» аккумулятора
- К клемме «15» выключателя зажигания
- К датчику расхода топлива
- К кнопке переключения режимов маршрутного компьютера по кругу вперед и перевода минут (-)
- К кнопке переключения режимов маршрутного компьютера по кругу назад и перевода часов (-)
- К датчику наружной температуры (-)
- К датчику наружной температуры (+)
- К датчику уровня топлива
- К датчику скорости
- К датчику температуры охлаждающей жидкости
- Низковольтный вход тахометра
- Диагностика при производстве комбинации приборов
- К клемме «L» реле-регулятора генератора
Перечень элементов схемы электрических соединений жгута проводов заднего LADA PRIORA
1 – соединение жгута проводов задней части с жгутом проводов панели приборов;
2 – соединение жгута проводов задней части с жгутом проводов дополнительного 2 (левой задней двери);
3 – соединение жгута проводов задней части с жгутом проводов боковых дверей (правой передней двери);
4 – левый боковой указатель поворота;
5 – контроллер электропакета;
6 – правый боковой указатель поворота;
7 – блок освещения в салоне;
8 – переключатель контрольной лампы ручного тормоза;
9 – левый фонарь;
10 – правый фонарь;
11 – датчик температуры воздуха в салоне;
12 – переключатель плафона освещения в стойке двери водителя;
13 – переключатель плафона освещения в стойке правой передней двери;
14 – переключатель плафона освещения в стойке правой задней двери;
15 – переключатель плафона освещения в стойке левой задней двери;
16 – соединение жгута проводов задней части с жгутом проводов боковых дверей 2 (левой передней двери);
17 – соединение жгута проводов задней части с жгутом проводов дополнительного (правой задней двери);
18 – соединения жгута проводов задней части с правым задним громкоговорителем;
19 – соединения жгута проводов задней части с левым задним громкоговорителем;
20 – прикуриватель;
21 – модуль электробензонасоса;
22, 23 – соединения жгута проводов задней части с жгутами проводов панели приборов 2,3;
24 – фонарь для освещения багажника;
25 – дополнительный тормозной сигнал;
26 – переключатель замка багажника;
27 – плафон освещения в салоне;
28 – соединение жгута проводов задней части с жгутом проводов передней части;
29 – левый задний датчик скорости;
30 – правый задний датчик скорости;
31 – датчик системы автоматической очистки стекол (датчик дождя);
32 – регулятор чувствительности датчика дождя;
33 – соединение жгута проводов задней части с жгутом проводов панели приборов 4;
34 – соединение жгута проводов задней части с жгутом проводов датчиков системы парковки;
35 – блок сигнализации системы безопасной парковки;
36 – преднатяжитель ремня безопасности водителя;
37 – преднатяжитель ремня безопасности пассажира;
38 – соединение жгута проводов задней части с жгутом проводов боковых дверей 3 (правой передней двери);
39 – блок управления подушками безопасности;
40 – блок управления системой парковки;
41 – соединение жгута проводов задней части с жгутом проводов заднего дополнительного (двери багажника);
42 – соединение жгута проводов задней части с жгутом проводов заднего дополнительного 2 (двери багажника);
43 – обогреватель левого сидения;
44 – переключатель электрообогревателей сидений;
45 – обогреватель правого сидения;
46 – соединение жгута проводов задней части с переключателем системы парковки.

Предохранители LADA PRIORA 21723
F1 (зеленый) 30 Электронная система управления двигателем
F2 (синий) 60 Блок управления электропакетом, электровентилятор двигателя, обогрев заднего стекла, реле разгрузки для выключателя зажигания
F3 (синий) 60 Цепь питания электровентилятора системы охлаждения, звуковой сигнал, тревожный сигнал, замок зажигания, комбинация приборов, освещение салона, стоп-сигнал, прикуриватель
F4 (синий) 60 Генератор автомобиля Приора
F5 (красный) 50 Усилитель электромеханического рулевого управления
F6 (синий) 60 Генератор
Блок предохранителей Лада Приора в салоне
F1 (голубой) 15 А Цепь главного реле и блокировка стартера
F2 (коричневый) 7,5 А Цепь питания блока управления
F3 (голубой) 15 А Предохранитель для электробензонасоса
К1 — Реле зажигания
К2 — Реле для электробензонасоса
Блок предохранителей Лада Приора под панелью приборов
F1 25 Электровентилятор радиатора системы охлаждения
F2 25 Обогрев заднего стекла Приоры
F3 10 Дальний свет правой фары
F4 10 Дальний свет левой фары
F5 10 Звуковой сигнал
F6 7.5 Ближний свет (левая фара)
F7 7.5 Ближний свет (правая фара)
F8 10 Сигнал тревоги
F9 25 Отопитель Приоры
F10 7.5 Освещение салона, приборная панель, стоп-сигналы
F11 20 Стеклоочиститель
F12 10 Клемма 15 для приборов
F13 15 Прикуриватель
F14 5 Габаритный свет левой стороны, освещение номерного знака, освещение багажника
F15 5 Габаритный свет правой стороны
F16 10 Клемма 15 для АБС
F17 10 Противотуманная фара (ПТФ) слева
F18 10 Противотуманная фара (ПТФ) справа
F19 15 Обогрев сидений
F31 или F27 30 Блок управления электропакетом
LADA 2170 Схема панели приборов
1, 2, 3 – соединения жгута приборной панели с передним жгутом
4 – соединение жгута приборной панели с задним жгутом
5 – контакты соединительной колодки монтажного блока
6 – переключатель тормозного сигнала
7 – приборная панель
8 – модуль управления освещением
9 – модуль надувной подушки безопасности для водителя
10 – переключатель звукового сигнала
11 – диагностическая колодка
12 – переключатель режимов бортового компьютера
13 – ключ зажигания
14, 15 – соединения к блоку управления электроусилителем
16 – контроллер электропакета
17 – переключатель световой сигнализации
18 – переключатель стеклоочистителей
19 – моторедуктор для распределения воздушного потока
20 – блок управления отоплением
21 – переключатель электродвигателя отопителя
22 – переключатель обогрева заднего стекла
23 – часы
24, 25 – соединения жгута приборной панели с радио
26 – переключатель аварийной сигнализации
27 – светильник для вещевого ящика
28 – переключатель освещения вещевого ящика
29 – соединение жгута приборной панели с жгутом системы зажигания
30 – блок управления системой надувных подушек безопасности
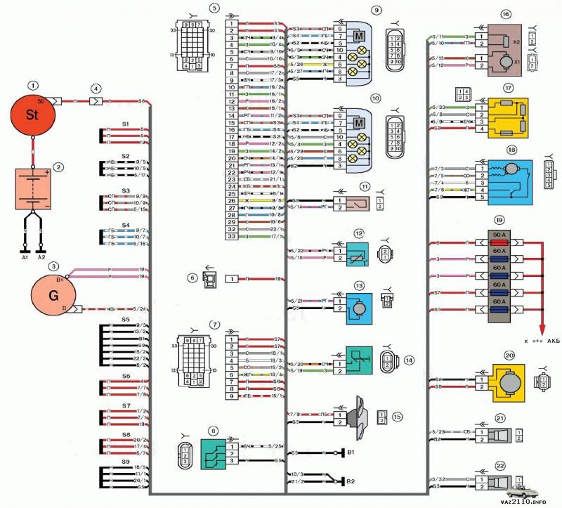
Схема соединений переднего жгута проводов
1 – стартер
2 – аккумулятор
3 – генератор
4 – колодка жгута аккумулятора и стартера, а также переднего жгута
5 – 7 – колодка переднего жгута панели приборов
8 – выключатель лампы под капотом
9 – левая фара
10 – правая фара
11 – датчик уровня тормозной жидкости
12 – датчик температуры воздуха
13 – электродвигатель омывателя
14 – выключатель лампы заднего хода
15 – электровентилятор двигателя
16 – моторедуктор заслонки отопителя
17 – дополнительный резистор
18 – электродвигатель стеклоочистителя
19 – основной блок предохранителей
20 – электродвигатель отопителя
21, 22 – звуковой сигнал
Схема системы зажигания
1 – контроллер
2 – разъем жгута системы зажигания к жгуту приборной панели
3 – основной блок предохранителей
4 – датчик скорости
5 – датчик неровностей дороги
6 – датчик контрольной лампы давления масла
7 – датчик положения дроссельной заслонки
8 – датчик температуры охлаждающей жидкости
9 – датчик для указателя температуры охлаждающей жидкости
10 – датчик массового расхода воздуха
11 – регулятор холостого хода
12 – реле бензонасоса
13 – предохранитель цепи питания бензонасоса (15 А)
14 – реле зажигания
15 – предохранитель реле зажигания (15 А)
16 – предохранитель цепи питания контроллера (7,5 А)
17 – датчик положения коленчатого вала
18 – датчик кислорода
19 – датчик фаз
20 – датчик детонации
21 – электромагнитный клапан для продувки адсорбера
22 – диагностический датчик кислорода
23 – катушка зажигания
24 – свечи зажигания
25 – форсунки
26 – разъем жгута проводов катушек зажигания к жгуту системы зажигания
27 – разъем жгута системы зажигания к жгуту проводов катушек зажигания
28 – разъем жгута системы зажигания к жгуту форсунок
29 – разъем жгута форсунок к жгуту системы зажигания
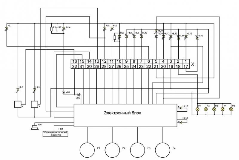
Схема подключения датчиков и исполнительных механизмов инжектора
Электросхема ВАЗ Приора с инжекторным двигателем на 16 клапанов включает в себя множество компонентов, которые обеспечивают правильную работу системы впрыска топлива. Важнейшими элементами этой схемы являются датчики и исполнительные механизмы, которые взаимодействуют друг с другом для оптимизации работы двигателя.
Основные датчики, используемые в системе инжектора, включают:
- Датчик положения дроссельной заслонки (ДПДЗ) — отвечает за определение положения дроссельной заслонки и передает информацию в блок управления двигателем (ЭБУ). Это позволяет ЭБУ регулировать количество подаваемого топлива в зависимости от нагрузки на двигатель.
- Датчик температуры охлаждающей жидкости (ДТОЖ) — измеряет температуру охлаждающей жидкости и помогает ЭБУ корректировать состав топливной смеси в зависимости от температуры двигателя. Это особенно важно при холодном запуске.
- Датчик массового расхода воздуха (ДМРВ) — измеряет количество воздуха, поступающего в двигатель, и передает данные в ЭБУ для точной настройки впрыска топлива.
- Датчик кислорода (Лямбда-зонд) — контролирует содержание кислорода в выхлопных газах, что позволяет ЭБУ корректировать состав топливной смеси для достижения оптимального сгорания.
Исполнительные механизмы, которые работают в связке с датчиками, включают:
- Форсунки — отвечают за распыление топлива в камеру сгорания. Они управляются сигналами от ЭБУ, которые определяют, когда и сколько топлива должно быть впрыскнуто.
- Дроссельный клапан — регулирует поток воздуха в двигатель. Его положение также контролируется ЭБУ на основе данных от ДПДЗ.
- Электронный насос — обеспечивает подачу топлива из бака к форсункам. Он работает в зависимости от потребностей двигателя и управляется ЭБУ.
Схема подключения этих компонентов представляет собой сложную сеть проводов и соединений, которая обеспечивает надежную и эффективную работу системы впрыска. Каждый датчик и исполнительный механизм имеют свои обозначения и подключения, которые можно найти в сервисной документации.
Важно отметить, что правильная работа всей системы зависит от исправности каждого из компонентов. Неполадки в одном из датчиков могут привести к неправильной настройке впрыска, что, в свою очередь, может вызвать ухудшение работы двигателя, увеличение расхода топлива и повышение уровня выбросов.
Для диагностики и устранения неисправностей в системе инжектора рекомендуется использовать специализированное оборудование, такое как сканеры, которые могут считывать коды ошибок и показывать параметры работы датчиков в реальном времени. Это поможет быстро выявить и устранить проблемы, связанные с подключением датчиков и исполнительных механизмов.
Вопрос-ответ
Какие мозги стоят на Лада Приора 16 клапанов?
BOSCH 21124-1411020-20 (M7. 9. 7) предназначен для установки на автомобили семейства Лада Приора, оснащённых 16-клапанным двигателем с рабочим объёмом 1.6 литра. Данные ЭБУ поставляются на конвейер АвтоВАЗа.
Сколько вольт должен выдавать генератор Приора 16 клапанов?
В норме оно должно быть 13,5-14 Вольт.
Как перезапустить иммобилайзер Приора?
На некоторых комплектациях Приоры достаточно включить зажигание, вставив исправный ключ, и дождаться, пока лампа иммобилайзера на панели погаснет. После этого двигатель запускается в обычном режиме.
Советы
СОВЕТ №1
Перед началом работы с электросхемой обязательно ознакомьтесь с руководством по эксплуатации вашего автомобиля. Это поможет вам лучше понять назначение каждого элемента и избежать ошибок при ремонте или диагностике.
СОВЕТ №2
Используйте качественные инструменты и оборудование для работы с электросхемой. Это не только упростит процесс, но и снизит риск повреждения проводки или других компонентов автомобиля.
СОВЕТ №3
При работе с электросхемой делайте фотографии или делайте заметки о том, как были подключены провода и элементы. Это поможет вам восстановить первоначальную конфигурацию в случае необходимости.
СОВЕТ №4
Не забывайте о безопасности: перед началом работы отключите аккумулятор, чтобы избежать короткого замыкания и других электрических проблем. Также используйте защитные перчатки и очки.





