Двухконтурное зажигание на автомобилях ВАЗ улучшает эффективность работы двигателя и его надежность. В статье рассмотрим особенности двухконтурного зажигания, его преимущества перед традиционными системами, а также процесс установки и настройки. Эта информация будет полезна как опытным автолюбителям, так и новичкам, стремящимся повысить производительность и долговечность своего автомобиля.
Двухконтурное зажигание на Классику: правила устройства и схемы
Установка зажигания с двумя контурами, которая может быть оснащена одним или двумя датчиками Холла, подходит для большинства современных автомобилей с новым типом тамблера. Важно иметь в наличии и использовать для этого процесса два коммутатора. Однако возможен и вариант, при котором у водителя имеется только один коммутатор, функционирующий по двухканальному принципу. В таком случае установка двухконтурного зажигания на классические модели автомобилей не вызывает затруднений. Существует несколько способов для реализации установки двухконтурного зажигания.
Эксперты отмечают, что двухконтурное зажигание на автомобилях ВАЗ представляет собой эффективное решение для повышения надежности и стабильности работы двигателя. Основная особенность данной системы заключается в наличии двух независимых контуров зажигания, что позволяет обеспечить бесперебойную работу даже в случае выхода из строя одного из них. Установка такой системы требует определенных навыков и знаний, так как необходимо правильно подключить все элементы и настроить их взаимодействие. Специалисты рекомендуют использовать качественные комплектующие и следовать инструкциям, чтобы избежать проблем в будущем. Кроме того, двухконтурное зажигание может значительно улучшить запуск двигателя в холодное время года и повысить его общую производительность. В целом, переход на двухконтурное зажигание является оправданным шагом для владельцев ВАЗ, стремящихся к улучшению характеристик своего автомобиля.

Преимущества двухконтурного зажигания
В данной системе зажигания присутствует несколько ключевых элементов:
- Трамблер.
- Катушка.
- Коммутатор.
Кроме того, для корректной работы системы необходимы и дополнительные компоненты:
- Качественная проводка, соответствующая требованиям нового зажигания.
- Разнообразные крепежные элементы.
- Свечи зажигания с необходимыми характеристиками.
У этой системы имеются как положительные, так и отрицательные аспекты.
К числу преимуществ можно отнести:
- Повышение максимальной частоты вращения двигателя внутреннего сгорания.
- Отсутствие резонансного контура.
- Увеличение напряжения на свечах до 22 кВ.
- Улучшение процесса искрообразования.
- Исключение центробежного распределителя напряжения.
| Аспект | Описание | Особенности и преимущества |
|---|---|---|
| Что такое двухконтурное зажигание? | Система зажигания, использующая два независимых контура (например, два коммутатора, две катушки зажигания) для подачи искры на свечи. | Повышенная надежность (при отказе одного контура, второй продолжает работать), более стабильная искра, потенциально лучшее сгорание топлива. |
| Зачем устанавливать на ВАЗ? | Улучшение характеристик двигателя, повышение надежности системы зажигания, особенно актуально для старых моделей ВАЗ с одноконтурной системой. | Уменьшение пропусков зажигания, более ровная работа двигателя, улучшенный запуск в холодную погоду, потенциально небольшая экономия топлива. |
| Основные компоненты | Два коммутатора, две катушки зажигания (или одна двухвыводная), комплект высоковольтных проводов, свечи зажигания, возможно, доработка трамблера. | Выбор компонентов зависит от конкретной реализации (например, использование двух стандартных катушек или одной двухвыводной от инжекторных ВАЗ). |
| Принцип работы | Сигнал от датчика Холла (или контактной группы) подается на оба коммутатора, которые поочередно или одновременно управляют катушками зажигания, подавая искру на соответствующие свечи. | Разделение нагрузки на коммутаторы и катушки, что увеличивает их ресурс. Возможность реализации «холостой искры» для более полного сгорания. |
| Схемы реализации | Параллельное подключение коммутаторов, использование двухканального коммутатора, установка двух отдельных систем зажигания. | Выбор схемы зависит от доступности компонентов и желаемой сложности установки. |
| Установка (общие шаги) | Демонтаж старых компонентов, монтаж новых коммутаторов и катушек, прокладка высоковольтных проводов, подключение к штатной проводке, настройка. | Требует базовых знаний электротехники и умения работать с проводкой. Рекомендуется использовать готовые комплекты или проверенные схемы. |
| Возможные трудности | Неправильное подключение, подбор несовместимых компонентов, проблемы с настройкой, необходимость доработки штатной проводки. | Важно тщательно изучить схемы и инструкции, при необходимости обратиться к специалистам. |
| Преимущества для ВАЗ | Улучшение динамики, снижение детонации, более стабильный холостой ход, продление срока службы свечей зажигания. | Особенно заметно на карбюраторных двигателях ВАЗ, где штатная система зажигания часто является слабым звеном. |
| Недостатки | Увеличение сложности системы, потенциально более высокая стоимость, необходимость в дополнительном пространстве под капотом. | Для некоторых водителей преимущества перевешивают недостатки. |
Интересные факты
Вот несколько интересных фактов о двухконтурном зажигании на автомобилях ВАЗ:
-
Повышенная надежность: Двухконтурное зажигание обеспечивает более надежное воспламенение смеси в цилиндрах, особенно при низких температурах и в условиях повышенной влажности. Это достигается за счет наличия двух независимых контуров зажигания, что позволяет избежать проблем с запуском двигателя даже при сбоях в одном из контуров.
-
Экономия топлива: Система двухконтурного зажигания может способствовать более полному сгоранию топливной смеси, что в свою очередь приводит к снижению расхода топлива и уменьшению выбросов вредных веществ. Это особенно актуально для старых моделей ВАЗ, где эффективность зажигания могла быть ниже.
-
Установка и модернизация: Установка двухконтурного зажигания на автомобили ВАЗ может потребовать некоторых доработок, таких как замена распределителя зажигания и настройка системы управления. Однако многие автолюбители рассматривают эту модернизацию как способ улучшить характеристики своего автомобиля, повысить его надежность и продлить срок службы двигателя.

Устанавливаем двухконтурное зажигание
Это изображение поможет вам установить ВМТ.
- Первый этап – установка ВМТ. Этот параметр должен составлять не менее 4 цилиндров. Его можно легко определить по положению специального бегунка. При этом храповик коленвала поворачивается до отметки на шкиве.
- Удаляются старые свечи и катушки с тамблером полностью. Важно запомнить цвет проводов, соединяющих устройства, а также порядок их подключения.
- Далее следует переход к прокладке новой проводки.
- Сначала устанавливается новая высоковольтная катушка.
- Затем устанавливается тамблер. Он должен быть установлен точно так же, как и предыдущий. Между различными моделями могут быть небольшие различия в этом аспекте. Только высота блока цилиндров может варьироваться в разных системах. В зависимости от этого подбирается соответствующая длина приводного вала.
- Следующий шаг – крепление коммутатора. Щит моторного отсека является идеальным местом для установки этого устройства.
- Свечи вкручиваются отдельно. На них одеваются провода, обеспечивающие высокое напряжение.
- Подключается проводка.
Как заменить датчик скорости и в каких случаях это необходимо — читайте в нашем материале.
Как правильно выбрать автомобильные амортизаторы и на что при этом ориентироваться — узнайте здесь.
Об особенностях двухконтурного зажигания
Такой тип зажигания обычно устанавливается на двигатели, которые функционируют и продаются в комплекте с карбюраторами. Это позволяет значительно уменьшить недостатки, присущие соответствующим типам моторов.
Переход от одноконтурного зажигания к двухконтурному считается значительным шагом вперёд. В современных условиях первая версия устарела и больше не отвечает требованиям времени.
Изменения становятся заметными сразу после установки новой системы. Но стоит ли обновлять систему? Чтобы ответить на этот вопрос, необходимо углубиться в детали.
Как функционирует двухконтурная система с одним датчиком Холла — смотрите в этом видео:
Некоторые коммутаторы изначально оснащены устройствами и системами, которые позволяют отслеживать моменты пиковых нагрузок и контролировать работу устройства, когда энергия начинает терять свою эффективность. Режим перехода активируется автоматически, чтобы предотвратить перегрев катушек. Например, в обычном режиме коммутатор выдает около 10 А. При ограниченной работе этот показатель уменьшается примерно вдвое.
В таком состоянии устройство остаётся до тех пор, пока не поступит специальный сигнал. Существуют и другие важные правила:
- Время накопления энергии зависит от величины тока, проходящего через катушку.
- Напряжение само по себе не имеет фиксированного временного значения. Оно определяется тем, на каком уровне работает бортовая система.
Например, когда двигатель запущен, бортовая сеть выдает среднее напряжение в 14 вольт.
В стандартной катушке максимальное напряжение накапливается примерно за три миллисекунды.
Это происходит в момент замыкания цепи, когда катушка полностью заряжается. Затем приходит время подавать сигнал для искрообразования.
Результаты расчетов показывают следующее:
- При оборотах двигателя в 1000 единиц происходит 33 искры в секунду.
- 30 миллисекунд — это время от одной искры до следующей.
- Три миллисекунды требуется для зарядки катушки, а на процесс горения искры уходит всего одна миллисекунда.
- Таким образом, общий цикл составляет 4 миллисекунды, что позволяет быстро подавать дополнительные заряды в катушку.
Катушки работают лучше всего при оборотах до 6000 единиц. В этом случае устройство срабатывает примерно 200 раз в секунду, что соответствует циклу в 5 миллисекунд. Это время вполне достаточно для быстрого зажигания и эффективной работы устройства.
Однако могут возникнуть сложности при работе на 7500 оборотов и выше.

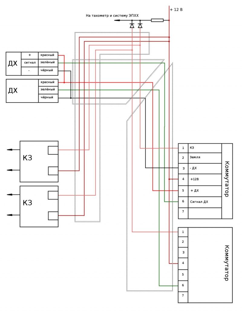
Проверенные схемы зажигания
Основное при выполнении работы – это сверка с установленными схемами. Либо с тем вариантом, который выбрал сам пользователь в конкретной ситуации. Только после тщательной проверки можно переходить к запуску двигателя. Важно удостовериться, что расположение и функционирование всех деталей полностью соответствуют схеме.
Для лучшего понимания вы можете обратиться к этой схеме.
Большинство задач в этой области связано с элементами электрической сети. Это подразумевает, что без базовых знаний в этой сфере начинать работу не рекомендуется.
Также представлен еще один вариант схемы двухконтурного зажигания.
Подведем итог
Некоторые люди выступают в поддержку двухконтурных систем, в то время как другие относятся к ним с определенной долей критики. Эта система может служить промежуточным решением между различными устройствами, доступными на рынке. В основном, она применяется для улучшения существующего мотора и как альтернатива инжекторным двигателям. Со временем двухконтурные устройства становятся всё более надежными и качественными. При увеличенной степени сжатия они также могут стать отличным вариантом, обеспечивая высокую эффективность в любых условиях.
Советы по настройке и обслуживанию двухконтурного зажигания
Настройка и обслуживание двухконтурного зажигания на автомобилях ВАЗ требуют внимательного подхода и знания некоторых нюансов. Правильная настройка системы зажигания обеспечивает надежную работу двигателя, улучшает его производительность и снижает расход топлива. Вот несколько советов, которые помогут вам в этом процессе.
1. Проверка состояния компонентов системы
Перед началом настройки важно убедиться в исправности всех компонентов системы зажигания. Проверьте свечи зажигания на наличие нагара и износа. Если они имеют значительные повреждения или загрязнения, их следует заменить. Также обратите внимание на высоковольтные провода: они должны быть целыми, без трещин и других повреждений.
2. Регулировка зазора свечей зажигания
Зазор между электродами свечи зажигания должен соответствовать рекомендациям производителя. Для большинства моделей ВАЗ этот зазор составляет 0,7-0,9 мм. Используйте щуп для точной настройки зазора. Неправильный зазор может привести к перебоям в работе двигателя и увеличению расхода топлива.
3. Настройка угла опережения зажигания
Угол опережения зажигания — это важный параметр, который влияет на эффективность работы двигателя. Для автомобилей ВАЗ рекомендуется устанавливать угол опережения в пределах 5-10 градусов до верхней мертвой точки (ВМТ) для оптимальной работы. Для его настройки используйте стробоскоп, который позволяет точно определить момент зажигания.
4. Проверка и замена катушек зажигания
Двухконтурное зажигание подразумевает наличие двух катушек, каждая из которых отвечает за свою группу цилиндров. Регулярно проверяйте их работоспособность. Если одна из катушек выходит из строя, это может привести к потере мощности и увеличению расхода топлива. При необходимости замените неисправные катушки на новые, соответствующие спецификациям вашего автомобиля.
5. Обслуживание распределителя зажигания
Распределитель зажигания также требует регулярного обслуживания. Проверьте состояние контактной группы и крышки распределителя. Если они имеют признаки износа или коррозии, их следует заменить. Также важно следить за чистотой внутри распределителя, так как загрязнения могут привести к сбоям в работе системы зажигания.
6. Использование качественного топлива
Качество топлива напрямую влияет на работу системы зажигания. Используйте бензин с рекомендованным октановым числом, чтобы избежать детонации и обеспечить стабильную работу двигателя. Некачественное топливо может привести к образованию отложений на свечах и других компонентах системы зажигания.
7. Регулярная диагностика системы
Проводите регулярную диагностику системы зажигания с использованием специализированного оборудования. Это поможет выявить возможные неисправности на ранних стадиях и предотвратить серьезные поломки. Современные диагностические приборы могут предоставить информацию о состоянии всех компонентов системы зажигания и помочь в их настройке.
Следуя этим советам, вы сможете поддерживать двухконтурное зажигание вашего автомобиля ВАЗ в исправном состоянии, что обеспечит надежную работу двигателя и продлит срок его службы.
Вопрос-ответ
Что такое двухконтурное зажигание и как оно работает?
Двухконтурное зажигание — это система, в которой используются два отдельных контура для подачи искры на свечи зажигания. Это позволяет улучшить стабильность работы двигателя, повысить его мощность и снизить расход топлива. В такой системе один контур отвечает за основной запуск двигателя, а второй — за резервный, что обеспечивает надежность и безопасность работы.
Какие преимущества дает установка двухконтурного зажигания на ВАЗ?
Установка двухконтурного зажигания на ВАЗ может значительно улучшить характеристики автомобиля. К основным преимуществам относятся: более стабильная работа двигателя на разных режимах, уменьшение выбросов вредных веществ, улучшение запуска в холодную погоду и возможность более точной настройки угла опережения зажигания. Это также может привести к увеличению мощности и экономии топлива.
Каковы основные этапы установки двухконтурного зажигания на ВАЗ?
Основные этапы установки двухконтурного зажигания включают: выбор подходящей системы зажигания, демонтаж старой системы, установка новых компонентов (катушек, распределителей и проводов), подключение проводки и настройка угла опережения зажигания. Важно следовать инструкциям производителя и при необходимости обратиться к специалистам для корректной установки.
Советы
СОВЕТ №1
Перед установкой двухконтурного зажигания на ВАЗ, внимательно изучите схему подключения и особенности работы системы. Это поможет избежать ошибок при монтаже и обеспечит надежную работу двигателя.
СОВЕТ №2
Обратите внимание на выбор качественных комплектующих для системы зажигания. Использование оригинальных или проверенных аналогов повысит долговечность и эффективность работы вашего автомобиля.
СОВЕТ №3
Не забывайте о регулярной проверке и обслуживании системы зажигания. Замена свечей, проверка проводов и катушек поможет избежать проблем с запуском и работой двигателя в будущем.

