В статье рассмотрим распиновку замка зажигания автомобилей ВАЗ 2109 с инжекторным двигателем, а также моделей 2101-2107 и 2110. Понимание распиновки замка зажигания важно для диагностики и ремонта электрооборудования, что помогает избежать неисправностей и экономить время и деньги на обслуживание. Знание схемы подключения будет полезно как опытным автолюбителям, так и новичкам при решении проблем с запуском двигателя и работой электроники.
Распиновка замка зажигания ВАЗ
Замок зажигания в автомобилях марки ВАЗ иногда выходит из строя из-за ослабления контактных стоек или подгорания внутренних контактов. Также причиной может стать износ кулачков пластикового валика. Хотя замок можно разобрать и очистить, разумнее будет заменить его на новый, так как его стоимость значительно ниже, чем у импортных аналогов.
Если соединение проводов не привело к запуску стартера (или он срабатывает не с первого раза), стоит проверить втягивающее реле на стартере. На этом элементе также могут подгорать контактные пятаки, что мешает нормальному замыканию цепи. В качестве проверки можно замкнуть два крупных вывода на втягивающем реле с помощью отвертки (предварительно поставив автомобиль на нейтраль и активировав ручной тормоз). Если стартер начинает уверенно крутить, значит, реле требует замены. Если же стартер работает «вяло», необходимо снять его и проверить состояние щеток.
Все эти действия можно выполнить самостоятельно, без привлечения специалистов автосервиса. Тем более, что стоимость замка зажигания для модели ВАЗ2106 составляет всего около 100 рублей. Для замены вам нужно знать распиновку проводов, и редакция сайта 2 Схемы.ру подготовила обширный справочный материал по этому вопросу.
Замок зажигания выполняет не только функцию запуска двигателя, но и ряд других задач:
- подает напряжение в бортовую сеть автомобиля, замыкая цепи системы зажигания, освещения, звуковой сигнализации и дополнительных устройств;
- по команде водителя активирует стартер для запуска двигателя и отключает его;
- отключает питание бортовой цепи, сохраняя заряд аккумулятора;
- защищает автомобиль от угона, фиксируя рулевой вал.
Эксперты в области автомобильной электроники отмечают, что распиновка замка зажигания на моделях ВАЗ 2109 и других автомобилях семейства 2101-2110 имеет свои особенности, которые важно учитывать при ремонте или модернизации. Правильная распиновка обеспечивает надежное соединение всех необходимых цепей, что, в свою очередь, влияет на стабильность работы двигателя и системы зажигания. Специалисты рекомендуют внимательно изучить схемы подключения, так как ошибки в распиновке могут привести к серьезным неисправностям. Кроме того, использование качественных материалов и соблюдение рекомендаций производителя помогут избежать проблем в будущем. Важно помнить, что даже небольшие изменения в подключении могут существенно повлиять на работу автомобиля, поэтому к этому процессу следует подходить с максимальной ответственностью.

Распиновка замка зажигания ВАЗ-2101 — ВАЗ-2107
Замок зажигания в этих автомобилях расположен слева от рулевой колонки и крепится к ней с помощью двух болтов. Большая часть механизма устройства, за исключением верхней части с замочной скважиной, закрыта пластиковым кожухом.
На видимой части замка зажигания имеются специальные метки, которые помогут неопытным водителям разобраться в режимах работы замка, когда ключ вставлен:
- «0» – метка, указывающая на то, что все системы и приборы, управляемые замком, отключены (к ним не относятся прикуриватель, освещение салона, стоп-сигналы и в некоторых случаях магнитола);
- «I» – метка, сигнализирующая о том, что бортовая сеть автомобиля подключена к аккумулятору. В этом положении ключ фиксируется автоматически, и электричество поступает на систему зажигания, электродвигатели отопителя и омывателя стекла, а также на приборы и фары;
- «II» – метка, предназначенная для запуска двигателя. Она показывает, что на стартер подается напряжение. Ключ в этом положении не фиксируется, и если его отпустить, он вернется в положение «I». Это сделано для предотвращения перегрузки стартера;
- «III» – метка для стояночного режима. Если ключ вынуть из замка зажигания в этом положении, рулевая колонка будет заблокирована фиксатором. Разблокировать ее можно, вставив ключ обратно и переведя его в положение «0» или «I».
Замок зажигания имеет пять контактов, каждый из которых отвечает за подачу напряжения на соответствующий узел. Для удобства они пронумерованы, а каждому контакту соответствует провод определенного цвета:
- «50» – контакт, отвечающий за подачу тока на стартер (красный или пурпурный провод);
- «15» – контакт, через который подается напряжение на систему зажигания, электродвигатели отопителя и омывателя, а также на приборную панель (двойной провод голубого цвета с черной полосой);
- «30» и «30/1» – постоянный «плюс» (провода розового и коричневого цвета соответственно);
- «INT» – наружное освещение и световая сигнализация (двойной черный провод).
Распиновка замка ВАЗ-2108, ВАЗ-2109, ВАЗ-21099
Цоколёвка по старому типу
| Номер контакта | Обозначение | Назначение |
|---|---|---|
| 15 | IGN | Зажигание (+12В при включенном зажигании) |
| 30 | B+ | Постоянный плюс (+12В от аккумулятора) |
| 50 | ST | Стартер (+12В при повороте ключа в положение «Старт») |
| INT | ACC | Аксессуары (+12В при включенном зажигании и в положении «ACC») |
| 30/1 | B+ (дополнительный) | Дополнительный постоянный плюс (+12В от аккумулятора, часто для магнитолы) |
| 50а | ST (дополнительный) | Дополнительный выход на стартер (не всегда используется) |
| 30/2 | B+ (резервный) | Резервный постоянный плюс (не всегда используется) |
| 15а | IGN (дополнительный) | Дополнительный выход зажигания (не всегда используется) |
Интересные факты
Вот несколько интересных фактов о распиновке замка зажигания для автомобилей ВАЗ, включая модели 2109 и другие:
-
Совместимость моделей: Замок зажигания на ВАЗ 2109 имеет схожую распиновку с другими моделями, такими как ВАЗ 2101-2107 и 2110. Это позволяет использовать одни и те же схемы подключения, что облегчает ремонт и замену замка зажигания на разных моделях.
-
Функции замка: Замок зажигания не только включает зажигание, но и управляет различными системами автомобиля, такими как освещение и стартер. В зависимости от положения ключа, замок может активировать разные цепи, что делает его важным элементом системы безопасности автомобиля.
-
Электронные системы: На инжекторных моделях, таких как ВАЗ 2109, замок зажигания может быть связан с электронными системами управления двигателем. Это означает, что неправильная распиновка или неисправность замка могут привести к проблемам с запуском двигателя или его работой, что требует внимательного подхода при ремонте или замене.

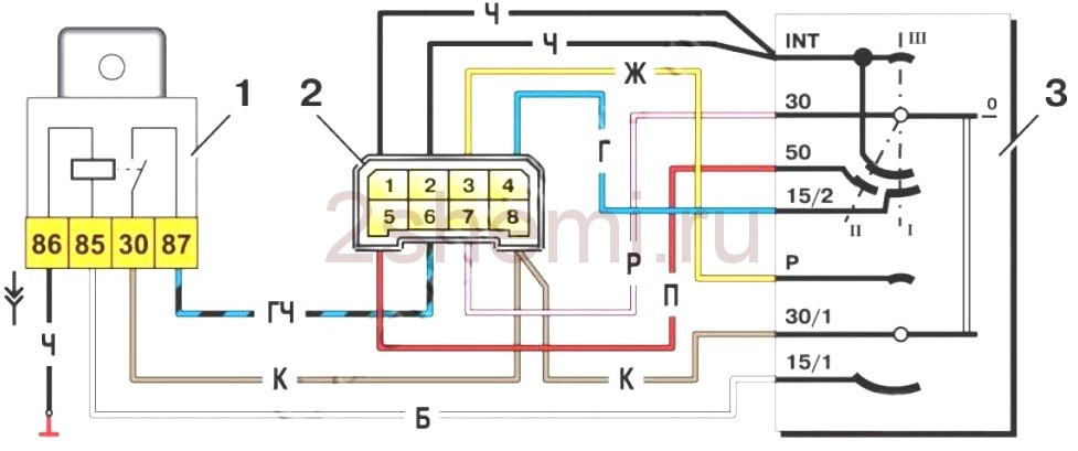
Распиновка замка зажигания ВАЗ-2109 с разгрузочным реле:
- Находится +12В в положениях I, II, III (стоянка)
- Находится +12В в положениях I, II, III (стоянка)
- Находится +12В в положении III (стоянка)
- В положении I, уходит +12В после активации зажигания (контакт 15/2), исчезает при запуске (II);
- В положении I, уходит +12В на стартер (контакт 50);
- В положении I, уходит +12В после активации зажигания (контакт 15), при запуске II не исчезает;
- Находится +12В от аккумулятора (контакт 30);
- Находится +12В постоянно.
Цоколёвка по новому типу

Распиновка замка зажигания ВАЗ-2109 нового образца:
- На контакт приходит постоянное напряжение +12В.
- На контакт приходит постоянное напряжение +12В.
- На контакт подается +12В после активации зажигания (контакт 15), при старте II напряжение не исчезает.
- На контакт подается +12В после активации зажигания (контакт 15/2), напряжение исчезает при старте (II).
- В положении I на стартер уходит +12В (контакт 50).
- На контакт подается +12В после активации зажигания (контакт 15), при старте II напряжение не исчезает.
- На контакт приходит +12В от аккумулятора (контакт 30).
- На контакт приходит постоянное напряжение +12В.
- Распиновка замка зажигания для моделей ВАЗ-2110, ВАЗ-2111, ВАЗ-2112.
Распиновка замка зажигания ВАЗ-2110:
- поступает +12В для микросхемы датчика, когда ключ вставлен;
- поступает масса при открытой двери водителя;
- уходит +12В на стартер (контакт 50);
- уходит +12В после активации зажигания (контакт 15);
- уходит +12В на 5 контакт БСК при вставленном ключе;
- поступает +12В для подсветки личинки замка;
- поступает +12В от аккумулятора (контакт 30);
- не используется.
Распиновка замка ВАЗ-2113, ВАЗ-2114, ВАЗ-2115
Распиновка замка зажигания автомобилей ВАЗ-2113, 2114, 2115:
- подается +12В для микровыключателя датчика ключа;
- поступает масса при открытой двери водителя;
- уходит +12В на стартер (контакт 50);
- уходит +12В после активации зажигания (контакт 15);
- уходит +12В на 5 контакт БСК при вставленном ключе;
- подается +12В для подсветки личинки замка;
- поступает +12В от аккумулятора (контакт 30);
- не используется.
Схема ВАЗ и замка зажигания автомобиля
Строение замка зажигания авто
- Запорный стержень
- Корпус
- Валик
- Контактный диск
- Контактная втулка
- Колодка
- Выступ контактной части
Механизм замка соединён с множеством проводов, которые идут от аккумулятора и образуют единую цепь для всех электрических устройств автомобиля. При повороте ключа зажигания происходит замыкание электрической цепи от клеммы «—» аккумулятора к катушке зажигания. В результате ток проходит по проводам к замку зажигания, через его контакты поступает к индукционной катушке, а затем возвращается обратно на клемму «+». Когда электричество проходит через катушку, в ней создаётся высокое напряжение, которое передаётся на свечу зажигания. Таким образом, ключ замыкает контакты цепи зажигания, что запускает двигатель автомобиля.
Замена замка зажигания на авто ВАЗ
Для выполнения замены замка зажигания на автомобилях ВАЗ вам понадобятся: отвертка, тестер и тонкое шило. Убедившись, что все инструменты под рукой, можно приступать к работе. Замок зажигания на классических моделях ВАЗ располагается снизу, с левой стороны рулевой колонки. Для его замены выполните следующие шаги:
- Отключите аккумулятор.
- Снимите пластиковый кожух, предварительно открутив крепежные винты.
- Далее открутите два винта, фиксирующих замок зажигания к кронштейну.
- Вставьте ключ и переведите его в положение 0, чтобы отключить противоугонное устройство.
- Используя шило, нажмите на фиксатор через отверстие в кронштейне и извлеките замок.
- Рекомендуется пометить провода контактов, чтобы избежать путаницы при повторном подключении.
Процесс снятия замка зажигания на ВАЗ-2106 начинается с разборки кожуха рулевой колонки. Открутите пять болтов и снимите половинки кожуха. Прежде чем разбирать электрическую часть замка, желательно отключить аккумулятор, сняв минусовую клемму или открутив болт выключателя. Затем извлеките пружинное стопорное кольцо из задней части корпуса замка и аккуратно выньте контактную группу, отводя её в сторону.
Замок крепится к кронштейну рулевого вала двумя болтами. После их откручивания замок не вынимается, так как существует специальный стопор, расположенный под кронштейном. Чтобы его активировать, используйте тонкую отвертку, вдавливая стопор через маленькое отверстие в кронштейне. По идее, замок должен легко извлекаться, но на практике это может вызвать трудности.
Неожиданной преградой становится противоугонный стержень, который, даже находясь в «отключенном» состоянии, может зацепляться за рулевой вал. Для извлечения замка необходимо манипулировать ключом: в различных положениях личинки замка противоугонка перемещается и максимально утапливается, когда ключ находится в положении «Стартер». После нескольких попыток замок удается извлечь из кронштейна.
Теперь важно отметить, что сборку узла следует производить в обратном порядке. Сначала вставьте новый замок в кронштейн, утопив фиксатор и удерживая ключ в положении «Стартер», закрутите крепежные болты, затем подключите провода. Обратите особое внимание на правильность подключения контактной группы, так как неверное соединение может привести к поломке стартера или системы зажигания. Провода со старой группы подключайте к новой по одному, сверяя номера на контактах. После этого соберите кожух рулевой колонки.
На автомобиле замок зажигания находится со стороны водителя, прикреплен с левой стороны руля на кронштейне рулевого механизма, под панелью приборов.
Сначала необходимо снять декоративный кожух вала рулевого управления, открутив винты крепления. Эти действия аналогичны тем, что выполнялись при замене вала рулевого управления.
После снятия кожуха, открутите два винта, фиксирующих замок зажигания к корпусу, затем вставьте ключ и переведите его в положение «0», чтобы отключить противоугонное устройство. Через отверстие в кронштейне нажмите тонким шилом на фиксатор замка и извлеките его из посадочного гнезда. На этом процесс снятия замка зажигания завершен.
На моделях ВАЗ 2108 и выше замок подключен к пакетнику с проводами, что исключает необходимость маркировки и минимизирует риск перепутать провода при установке нового выключателя. В то время как на моделях ВАЗ 2107 и ниже каждый провод подключен отдельно, и их следует маркировать при снятии, чтобы избежать путаницы при установке.
Для замены контактной группы замка зажигания, аккуратно подденьте стопорное кольцо с края с помощью тонкой отвертки или шила и снимите контактную часть. При установке новой контактной группы ориентируйте её так, чтобы клеммы «15» и «30» находились со стороны запорного стержня.
На этом работы по ремонту завершены. Установите новый замок зажигания в обратном порядке, подключите провода, перенесите маркировку со старого выключателя на новый. Схема подключения проводов замка зажигания ВАЗ достаточно проста и понятна, что позволяет каждому автолюбителю самостоятельно выполнить ремонт или замену детали без обращения в автосервис.
Проблемы и неисправности замка зажигания ВАЗ
Замок зажигания является одним из ключевых элементов системы управления автомобилем ВАЗ, и его неисправности могут привести к серьезным проблемам с запуском двигателя и общей работоспособностью автомобиля. Рассмотрим наиболее распространенные проблемы, которые могут возникнуть с замком зажигания на моделях ВАЗ 2109, а также их возможные причины и способы устранения.
1. Неисправность контактов замка зажигания
Контакты замка зажигания могут окисляться или загрязняться, что приводит к плохому контакту и, как следствие, к невозможности запуска двигателя. В этом случае рекомендуется снять замок зажигания и тщательно очистить контакты с помощью специального очистителя или мелкой наждачной бумаги. Если контакты сильно изношены, их следует заменить.
2. Поломка ключа
Ключ замка зажигания может сломаться или потеряться, что также приводит к невозможности запуска автомобиля. В случае поломки ключа необходимо обратиться к специалистам для его восстановления или изготовить новый ключ по оригинальному образцу. Если ключ потерян, рекомендуется заменить замок зажигания для обеспечения безопасности автомобиля.
3. Проблемы с электропроводкой
Неисправности в электропроводке, соединяющей замок зажигания с другими системами автомобиля, могут вызвать сбои в работе замка. Это может проявляться в виде мигания приборной панели, отсутствия питания на стартере или других электрических системах. Для диагностики необходимо проверить целостность проводов, разъемов и соединений, а также убедиться в отсутствии коррозии.
4. Износ механизма замка
Со временем механизм замка зажигания может изнашиваться, что приводит к затруднениям при повороте ключа. В этом случае можно попробовать смазать механизм специальной смазкой, но если проблема не устраняется, лучше заменить замок зажигания на новый. Замена замка позволит избежать дальнейших проблем с запуском автомобиля.
5. Неисправность реле зажигания
Реле зажигания отвечает за подачу питания на систему зажигания и стартер. Если реле выходит из строя, это может привести к тому, что двигатель не будет запускаться. Для диагностики необходимо проверить работоспособность реле и при необходимости заменить его на новое.
Каждая из перечисленных проблем может существенно повлиять на работу автомобиля, поэтому важно своевременно выявлять и устранять неисправности замка зажигания. Регулярное техническое обслуживание и внимательное отношение к состоянию замка помогут избежать серьезных поломок и обеспечат надежную работу автомобиля в любых условиях.
Вопрос-ответ
Как правильно подключить замок зажигания на ВАЗ 2109?
Для правильного подключения замка зажигания на ВАЗ 2109 необходимо следовать схеме распиновки, которая включает в себя такие контакты, как «старт», «зажигание» и «аккумулятор». Убедитесь, что каждый провод подключен к соответствующему контакту, чтобы избежать короткого замыкания и неправильной работы системы.
Какие симптомы указывают на неисправность замка зажигания?
Неисправность замка зажигания может проявляться в виде трудностей при запуске двигателя, отсутствии питания на приборной панели или невозможности перевести ключ в положение «старт». Если вы заметили такие симптомы, рекомендуется проверить распиновку и состояние самого замка зажигания.
Можно ли заменить замок зажигания самостоятельно?
Да, замену замка зажигания можно выполнить самостоятельно, если у вас есть базовые навыки работы с электрикой и инструментами. Важно следовать инструкции и схемам распиновки, чтобы избежать ошибок при подключении. Если у вас нет уверенности в своих силах, лучше обратиться к специалисту.
Советы
СОВЕТ №1
Перед началом работы обязательно отключите аккумулятор. Это поможет избежать короткого замыкания и защитит электронные компоненты автомобиля от повреждений.
СОВЕТ №2
Используйте схему распиновки, соответствующую вашему автомобилю. Разные модели могут иметь различные конфигурации, поэтому убедитесь, что у вас есть правильная информация для вашего конкретного замка зажигания.
СОВЕТ №3
При подключении проводов следите за их состоянием. Если вы заметили износ или повреждение изоляции, замените провода, чтобы избежать проблем с электрической системой автомобиля в будущем.
СОВЕТ №4
После завершения работы проверьте все соединения и убедитесь, что замок зажигания работает корректно. Проведите тестирование, прежде чем собирать все обратно, чтобы избежать повторного разбора в случае ошибки.








