В статье рассмотрим подключение сигнализации на автомобиле ВАЗ 2107, что повысит безопасность вашего транспортного средства. Установка сигнализации защитит автомобиль от кражи и несанкционированного доступа, обеспечив вам спокойствие. Подробно разберем необходимые инструменты, этапы подключения и советы по выбору сигнализации, чтобы вы могли выполнить эту задачу самостоятельно.
Точки монтажа любых сигналок в классических машинах ВАЗ: модель 2107
Подключение датчика дверей в автомобилях ВАЗ-2107 – это довольно простая задача. Существует один провод, который замыкается на «массу» при открытии любой двери. Шнур от датчика ручного тормоза направлен на «приборную панель», а рядом находится контакт таходатчика. Таким образом, установить стандартную сигнализацию, не имеющую функции автозапуска, владелец автомобиля сможет самостоятельно, без посторонней помощи. Мы также рассмотрим более сложный вариант, связанный с подключением к замку зажигания. Кстати, в первом случае можно использовать турботаймер. Давайте подробнее разберем этот вариант.
Подключение сигнализации на ВАЗ 2107 требует внимательного подхода и знаний в области автомобильной электроники. Эксперты рекомендуют начать с выбора качественной сигнализации, которая соответствует требованиям безопасности. Важно ознакомиться с инструкцией к устройству, так как разные модели могут иметь свои особенности подключения.
При установке необходимо правильно определить места подключения к проводке автомобиля, чтобы избежать коротких замыканий и других неисправностей. Специалисты советуют использовать мультиметр для проверки целостности проводов и их назначения. Также стоит обратить внимание на дополнительные функции сигнализации, такие как датчики удара и движения, которые значительно увеличивают уровень защиты.
Не менее важным аспектом является скрытое размещение блока сигнализации, что затруднит доступ злоумышленникам. В случае отсутствия опыта в установке, лучше обратиться к профессионалам, чтобы избежать ошибок и обеспечить надежную защиту автомобиля.

Особенности штатной электропроводки
Сначала необходимо уточнить, какие именно компоненты нужно подключить, если установка будет производиться без автоматического запуска:
- Контроль зажигания;
- Питание сигнализации;
- Концевики дверей;
- Концевик ручного тормоза;
- Сигнальные лампы (два провода).
Как вы можете заметить, количество элементов здесь минимально. Однако даже такой базовый набор подключений позволит быстро установить турботаймер. Дело в том, что в автомобилях семейства 2107 реле поддержки зажигания уже предусмотрено на заводе, и это стоит использовать.
Посмотрите на схему, и вы поймете, о чем идет речь:
На рисунке изображены все ключевые элементы:
- Реле поддержки зажигания.
- Выходы для световой сигнализации (голубой и черно-голубой провода). Разъем с восемью контактами располагается в рулевой колонке.
- Провод для контроля дверей. Он находится в боковом тоннеле рядом с педалью сцепления.
Создавайте Т-образные отводы и подключайте любую сигнализацию. Кстати, питание ламп (на втором фото) подключается через предохранители. Это правило актуально для всех автомобилей, а не только для ВАЗ-2107.
| Этап | Действие | Описание |
|---|---|---|
| Подготовка | 1. Отключите аккумулятор | Снимите минусовую клемму с аккумулятора, чтобы избежать короткого замыкания. |
| 2. Соберите инструменты | Вам понадобятся: мультиметр, изолента, паяльник (желательно), набор отверток, кусачки, стриппер для зачистки проводов. | |
| 3. Изучите схему сигнализации | Внимательно прочитайте инструкцию к вашей сигнализации и изучите схему подключения. | |
| 4. Определите места установки | Выберите место для центрального блока сигнализации (обычно под торпедо), сирены (под капотом), датчика удара (в салоне). | |
| Подключение питания | 1. Подключите «плюс» | Найдите постоянный «плюс» (обычно красный толстый провод) и подключите к нему красный провод сигнализации через предохранитель. |
| 2. Подключите «минус» | Подключите черный провод сигнализации к массе автомобиля (любой болт на кузове). | |
| 3. Подключите зажигание | Найдите провод, на котором появляется «плюс» при включении зажигания (обычно желтый или синий). Подключите к нему соответствующий провод сигнализации. | |
| Подключение блокировки двигателя | 1. Выберите цепь блокировки | Обычно блокируют цепь зажигания, стартера или бензонасоса. |
| 2. Разрежьте провод | Разрежьте выбранный провод и подключите к нему реле блокировки сигнализации. | |
| Подключение концевиков | 1. Подключите концевики дверей | Найдите провода, идущие от концевиков дверей (обычно они замыкаются на массу при открытии двери). Подключите к ним соответствующие провода сигнализации. |
| 2. Подключите концевик капота/багажника | Установите дополнительные концевики на капот и багажник, если их нет, и подключите к сигнализации. | |
| Подключение сирены | 1. Установите сирену | Закрепите сирену под капотом, подальше от нагревающихся частей. |
| 2. Подключите провода | Подключите провода сирены к соответствующим выходам сигнализации. | |
| Подключение датчика удара | 1. Установите датчик | Закрепите датчик удара в салоне, желательно на жесткой поверхности. |
| 2. Подключите провода | Подключите провода датчика к соответствующим входам сигнализации. | |
| Подключение центрального замка (если есть) | 1. Определите тип управления | Узнайте, как управляется ваш центральный замок (положительным, отрицательным импульсом или по силе). |
| 2. Подключите провода | Подключите провода сигнализации к блоку центрального замка согласно схеме. | |
| Проверка и настройка | 1. Подключите аккумулятор | Подключите минусовую клемму аккумулятора. |
| 2. Проверьте работу | Проверьте все функции сигнализации: постановку/снятие с охраны, срабатывание от концевиков, датчика удара, блокировку двигателя. | |
| 3. Настройте чувствительность | Отрегулируйте чувствительность датчика удара. | |
| 4. Зафиксируйте провода | Аккуратно уложите и закрепите все провода изолентой или стяжками. |
Интересные факты
Вот несколько интересных фактов о подключении сигнализации на ВАЗ 2107:
-
Совместимость с заводской системой: ВАЗ 2107, как и многие другие автомобили советского производства, имеет простую электрическую схему. Это позволяет легко интегрировать сигнализацию, но важно учитывать совместимость с заводскими системами, чтобы избежать конфликтов.
-
Выбор типа сигнализации: Существует множество типов сигнализаций, включая простые системы с сиреной и более сложные с дистанционным управлением и GPS-трекингом. При выборе сигнализации для ВАЗ 2107 стоит обратить внимание на модели, которые поддерживают функции, такие как автозапуск и защиту от грабежа.
-
Установка и настройка: Установка сигнализации на ВАЗ 2107 может быть выполнена самостоятельно, но требует базовых знаний электротехники. Важно правильно подключить провода к замкам дверей, капоту и багажнику, а также настроить датчики, чтобы избежать ложных срабатываний.

Как использовать замок зажигания
Любая сигнализация с функцией автозапуска обычно имеет пять силовых выводов:
Третий провод здесь выполняет контрольную функцию и подключается к клемме стартера. На синем проводе, который соответствует клемме 15/2, напряжение может исчезать во время работы стартера или оставаться постоянным. При настройке необходимо выбрать один из этих вариантов.
Автомобили ВАЗ 2101-2107 имеют свои особенности. Обмотку дополнительного реле, изображенного на схеме, нельзя соединять с проводом зажигания, который идет к штатному реле. Эта линия не предназначена для дополнительной нагрузки!
Давайте рассмотрим, как выглядит замок зажигания на практике:
Если автозапуск действительно необходим, то красный провод, идущий к стартеру, придется разрезать. Приведем соответствия между проводами замка зажигания и сигнализации. Кабели сигнализации будут указаны слева:
- Зеленый – свободный;
- Синий – свободный;
- Красный – розовый;
- Черно-желтый толстый – красный (подключение к стартеру);
- Черно-желтый тонкий – красный (подключение к замку);
- Желтый – голубой толстый.
На первый взгляд, все выглядит довольно просто.
Конечно, установить систему с автозапуском можно и самостоятельно. Однако лучше доверить эту работу профессиональному электрику. Три провода, идущие к сигнализации, должны выдерживать значительный ток. В новых моделях ВАЗ количество таких проводов не будет меньше.
Монтаж и подключение дополнительных элементов
В конструкции многих автомобилей не предусмотрены датчики для капота, багажника и люка бензобака. Однако можно приобрести концевые выключатели, подключить их параллельно и соединить с контрольным входом. Например, установка кнопки капота осуществляется следующим образом:
Важно помнить, что состоянию «открыто» должно соответствовать замкнутое состояние. Процесс монтажа выполняется в следующей последовательности:
- Устанавливают корпус выключателя;
- Через уплотнитель, где проходят трубки гидрокорректора, прокладывают дополнительные провода;
- Подключают датчик и одновременно сирену.
Теперь добавим в автомобиль контроль перемещения, что позволит сигнализации отслеживать, действительно ли движется машина.

Подключаемся к датчику скорости
Если говорить о «Семерке» с инжекторным двигателем, то датчик скорости уже установлен и подключен на заводе. Найти его контакт будет достаточно просто:
Как видно, необходимо сделать отвод, который соединяется с одной из клемм ЭБУ (1/59). Здесь речь идет о блоке управления, то есть о стандартном контроллере двигателя.
Не каждая сигнализация имеет отдельный вход для подключения к датчику скорости. Однако, если такое подключение все же осуществляется, важно обеспечить надежный контакт с «массой». Под «торпедо» находятся две медные шпильки, соединенные с корпусом. Одна из них расположена рядом с ЭБУ, и лучше всего подключаться именно к ней (см. рис.).
На первый взгляд, датчик скорости – это довольно простое дополнительное устройство. Если его нет, его можно приобрести и установить самостоятельно:
Корпус датчика должен полностью закрывать отверстие в кожухе КПП. На первый взгляд, установка может показаться простой, и вы сможете выполнить монтаж своими руками, но это может привести к нарушению герметичности узла. В общем, лучше не рисковать.
Тонкости контроля работы двигателя
Если автозапуск не активирован, система сигнализации не должна считывать данные с двигателя. В противном случае необходимо организовать контроль, который позволит отключать стартер в нужный момент. Обычно этот контроль осуществляется следующим образом:
- Сигнализация может отслеживать уровень напряжения питания;
- На клемму приборной панели ВАЗ-2107 подведен провод от генератора – контрольный кабель можно подключить к этой клемме;
- Оптимальным вариантом является контроль запуска по тахометру, для чего сигнализацию потребуется дополнительно настроить.
Третий вариант считается наиболее предпочтительным. К клемме тахометра провод подключается не напрямую, а через конденсатор и резистор:
Прямое подключение используется при контроле «по генератору».
На практике можно использовать только один метод контроля. Сначала производится установка и подключение, затем осуществляется настройка системы.
Контроль «ручника»
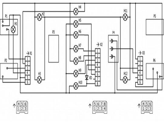
Схема приборной панели автомобиля ВАЗ «Семерка» представлена следующим образом:
Клемма 8 (разъем X2) соединена с проводом от концевика ручного тормоза. Подключение к этому контакту необходимо осуществлять, если в инструкции не указано на необходимость установки диода. В противном случае следует использовать клемму 4.
Важно отметить, что подключение к 4-й клемме без указания на диод в основной схеме является ошибкой. Обратите на это внимание и будьте осторожны.
Настройка и тестирование сигнализации после установки
После того как сигнализация была установлена на ваш ВАЗ 2107, необходимо выполнить несколько шагов для её настройки и тестирования. Это позволит убедиться в правильности подключения и работоспособности системы безопасности.
1. Проверка подключения
Первым делом убедитесь, что все провода подключены правильно. Проверьте, что:
- Провода питания подключены к аккумулятору, а также к зажиганию.
- Сигнальные провода подключены к дверным датчикам и капоту.
- Сирена установлена в защищенном месте и подключена к системе.
2. Настройка параметров сигнализации
Многие сигнализации имеют возможность настройки различных параметров, таких как чувствительность датчиков, время задержки срабатывания и другие. Для этого:
- Откройте руководство пользователя к вашей сигнализации, чтобы узнать, как войти в режим настройки.
- С помощью пульта управления или кнопок на блоке управления измените необходимые параметры в соответствии с вашими предпочтениями.
3. Тестирование работы датчиков
После настройки необходимо протестировать работу всех датчиков:
- Закройте все двери и капот, затем активируйте сигнализацию.
- Попробуйте открыть дверь или капот, чтобы проверить, сработает ли сигнализация.
- Если сигнализация не сработала, проверьте соединения и настройки датчиков.
4. Проверка работы сирены
Убедитесь, что сирена работает корректно:
- Активируйте сигнализацию и дождитесь её срабатывания.
- Обратите внимание на громкость и качество звука сирены. Если звук слишком тихий или искажённый, проверьте её подключение.
5. Тестирование дистанционного управления
Проверьте работу пульта дистанционного управления:
- Убедитесь, что пульт работает на расстоянии, на котором вы планируете его использовать.
- Проверьте все функции пульта: включение и отключение сигнализации, активация режима «паника» и другие.
6. Проверка дополнительных функций
Если ваша сигнализация имеет дополнительные функции, такие как автозапуск или GPS-мониторинг, протестируйте их:
- Для автозапуска проверьте, запускается ли двигатель при активации соответствующей функции.
- Для GPS-мониторинга убедитесь, что вы можете отслеживать местоположение автомобиля через приложение или веб-интерфейс.
7. Завершение тестирования
После завершения всех тестов убедитесь, что все функции работают корректно. Если вы обнаружили какие-либо проблемы, обратитесь к инструкции по установке или свяжитесь с профессионалом для устранения неисправностей. Правильная настройка и тестирование сигнализации обеспечат надежную защиту вашего автомобиля.
Вопрос-ответ
Какие инструменты понадобятся для установки сигнализации на Ваз 2107?
Для установки сигнализации на Ваз 2107 вам понадобятся следующие инструменты: отвертки (плоская и крестовая), кусачки, изолента, мультиметр для проверки электрических соединений, а также набор ключей для снятия обшивки и доступа к проводке.
Где лучше всего разместить блок сигнализации в Ваз 2107?
Блок сигнализации лучше всего разместить в скрытом месте, чтобы его было сложно обнаружить злоумышленникам. Подходит пространство под панелью приборов или в области под сиденьем. Убедитесь, что блок не мешает работе других систем автомобиля и защищен от влаги.
Как правильно подключить провода сигнализации к электросистеме Ваз 2107?
Подключение проводов сигнализации следует производить согласно схеме, прилагаемой к сигнализации. Обычно необходимо подключить провода к замкам дверей, зажиганию и аккумулятору. Используйте мультиметр для проверки правильности подключения и избегайте коротких замыканий, изолируя все соединения.
Советы
СОВЕТ №1
Перед началом установки сигнализации внимательно изучите инструкцию к устройству. Это поможет вам понять, какие провода и разъемы необходимо использовать, а также избежать ошибок при подключении.
СОВЕТ №2
Обязательно отключите аккумулятор перед началом работ. Это предотвратит случайные короткие замыкания и защитит вас от электрических ударов во время подключения проводов.
СОВЕТ №3
Используйте качественные соединения и изолируйте все открытые провода. Это поможет избежать проблем с работой сигнализации и защитит проводку вашего автомобиля от повреждений.
СОВЕТ №4
После завершения установки протестируйте сигнализацию, чтобы убедиться, что все функции работают корректно. Проверьте как срабатывание датчиков, так и дистанционное управление.





